简易型半导体收音机一般都采用再生来复式线路。它具有价廉、效能高的优点,有利于在农村和无电地区普及使用。但是这类收音机,无论工厂产品或是业余制作的,都还存在一个严重缺点,就是远波道选择性差,易受强力电台干扰。而且从简化结构工艺和降低成本方面考虑,线路也还有合理改进的余地。
针对上述问题,我们进行过一些粗浅试验。下面是两项试验结果,在这里提供给广大业余爱好者和工厂有关方面实验参考,以促使这类收音机质量进一步提高。
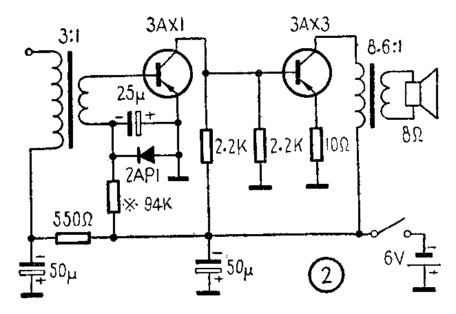
一、级联低频放大器的应用
为了简化低频放大器线路,提高工作效率,试验中发现级间直接耦合的所谓“级联放大器”用在这里比较理想。电路原理如图1,经过实验,它具有以下优点:

1.省除了耦合电容器和功率放大级的偏置电路。
2.功率放大级处于滑动甲类工作状态,功率放大管的集电极电流 I\(_{C2}\)随信号增加而增加(10~20毫安),提高了电源工作效率(最大η= 60%)。
3.输出功率较大,不失真功率可达40毫瓦。根据不同管子的实验,元件与电路参量关系如表1。

4.功率增益尚高,可达55分贝,相当于一般阻容耦合式的水平。若输入端采用3∶1的变压器,增益可提高到58~60分贝。
5.对半导体管质量要求不高,第一级完全可以用一般的3AX1型管。半导体管与电路参量关系实测如表2。

级联放大器的实际试用电路如图2所示。电路的主要缺点是稳定性差。实验表明,为求工作点稳定,不能用加大第二级管发射极电阻R\(_{e2}\)或用电压反馈来实现,这样将使滑动甲类动态范围缩小。因此,我们试用了负温度系数的非线性元件,结果上述缺点得到克服,放大器工作很稳定。试验获知,一般点接触型锗二极管如2AP1-2AP3都是很好的补偿元件,价格也便宜。用二极管代替Rs1(二极管为通流方向),可以使放大器在±40℃环境中满意地工作。为了避免二极管对温度的过敏性,可在它的外面加套一段塑料管。至于输出变压器,它与甲类单管输出所用的没有区别。

调整R\(_{b1}\)最好是先串入一只50千欧的电阻,然后逐渐增加Rbl,直到第二管集电极电流I\(_{c2}\)为10毫安,最后再用一个等值电阻代换上去。通电时BG1级不得开路,通电前要将BG\(_{1}\)级各接点—一焊牢,否则BG2就可能有烧毁的危险。
二、调谐高放来复低放线路的试验
为了克服强信号串台现象,我们试验了调谐式高频放大器电路如图3。改进的内容是:在原高频阻流圈的位置上加入一个调谐回路,与输入回路同轴调谐。放大的高频信号在这里又经过一次选择,然后进入检波器,使远波道选择性提高了3分贝,曾在距强力电台发射天线很近的地方试听,基本上无串台现象。因此,这种线路很适于近郊区使用,与普及超外差机相比并无逊色,而所用元件却少得多。

主要参量测试结果如下:
1.选择性(参看图4曲线)远波道选择性良好,且随工作点改变的变化不大,可以应用可调工作点式的增益控制线路,以避免强信号使来复级性能变坏(如双峰现象、反调制失真等)。

2.高频增益(参看图5曲线)功率增益达30分贝以上,I\(_{c}\)在0.6~2.4毫安之间变动,增益只改变2.5分贝,有利于改进电源电压降低后的稳定性。试验表明,6伏电源降低到4伏时,收音机还可以正常工作。在音量控制范围方面,控制效果也是较理想的。
调谐高放级在统调完好以后,增益均匀性不亚于超外差式线路(图6),高低频端(535~1605千赫)之差不超过2分贝。

3.来复级失真及温度稳定性 一般失真有下述两种形式:
①反调制包络失真:当检波后的音频信号太强时,在半导体管基极产生对载频的再调制,产生包络线畸变,这就需要对音频信号幅度加以控制,或对高频增益加以控制。这里我们用可调工作点方法控制高频增益,减小了反调制包络失真。
②小信号检波失真:在不严重影响第二调谐回路Q值情况下,尽量增大回路耦合系数,以便增大检波器的信号电压,减小失真。倍压检波和单管检波相比,除效率高以外,在改善小信号失真方面更有利。
关于温度稳定性问题,主要是检波器对高放管工作点补偿恰当与否。当检波器与来复低放极直接耦合时,呈现过补偿作用,工作不稳定;当用隔直流电容器耦合时,便没有补偿作用,也不太稳定。试验表明,用阻容并联耦合,当电阻值在5千欧左右时为最佳补偿(见图7)。

元件方面,调谐电容需用一只等值双连可变电容器(业余爱好者制作袖珍式机可用2×270PF小型双连)。关键是第二调谐回路的槽路线圈。我们用电子管机小型中频变压器骨架改制。圈数N\(_{1、3}\)为85圈,N2、3为32圈,n\(_{4、5}\)为8圈,都用0.l毫米漆包线绕制,借磁芯微调来改变电感,屏蔽罩应当接地。线圈在底板上的位置尽量靠近双连电容器而远离磁性天线,以免产生较大的磁耦合而发生啼叫。
最后,关于统调同步问题,对于工厂来说,可以用高频信号发生器,经磁性天线输入信号来校准两个槽路的谐振频率。统调时,先输入550千赫信号,调节第二槽路线圈磁芯达到与天线线圈相同的电感量。再分别校准1000千赫和1500千赫,主要调整补偿电容或双连的花片。这样反复进行几次,便使全波段增益达到均匀。对于业余爱好者,可以利用收听到的电台广播信号,按上述顺序调整,也能达到统调。为了使高频统调稳定不变,要求回路内的导线接线要牢固,位置固定。
上面的两个线路合拢起来(图2、3),便成为一部性能优良的简易型收音机电路。全机增益可达90分贝,相当于再生式机达到的水平,灵敏度不劣于5毫伏/米,可以听到本地和邻省电台播音,而选择性比再生机大有改进。其他如工作稳定性、不失真功率、整机工作效率和电压频率响应等参数,也有不同程度的改善。(耀波)