东湖牌B-341型半导体收音机,是普及式便携四管超外差式收音机,是专供广大农村及无交流电源地区收听广播而设计的。本机采用印刷电路,零件排列整齐,维修方便,采用一号手电筒电池,更换比较方便,适合广大农村、林牧等地区和城市家庭及旅行使用。
一、主要电性能指标
1.频率范围:中波535~1605千赫
2.中频频率:465千赫±4千赫
3.灵敏度:不劣于10毫伏/米(实际<3~4毫伏/米)
4.选择性;偏调±10千赫>12分贝
5.整机非线性失真:
200~400赫不大于15%
400~2000赫不大于10%
6.整机频率特性:350~3000赫当电压不均匀度为10分贝时不狭于10赫
7.额定输出功率:15毫瓦
8.降压灵敏度:电压降到原来的0.75时灵敏度不劣于3倍
9.额定输出时的电流消耗:<20毫安
10.电源电压:6伏(一号干电池四节)。
二、电路简介

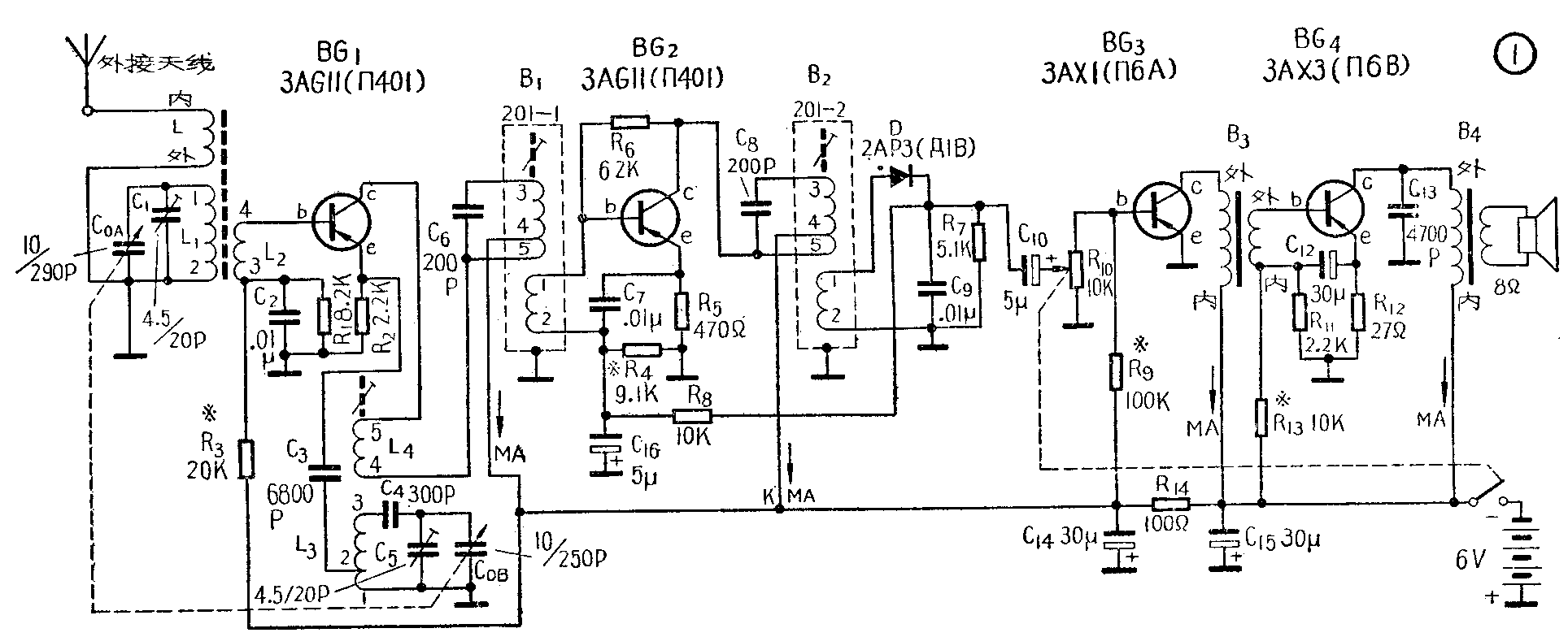
本机电路见图1。采用四只半导体三极管和一只二极管。包括一级变频(BG\(_{1}\))、一级中放(BG2)、一级检波廉自动增益控制(D)和二级低放(BG\(_{3}\)、BG4)。变频级采用共基电路,高频信号由磁性天线输入,经过调谐回路L\(_{1}\)、C1、C\(_{OA}\)选择,再经过耦合线圈L2到变频管BG\(_{1}\)的基极。另外由L3C\(_{OB}\)、C5、C\(_{4}\)组成的本机振荡回路所产生的振荡电流,通过C3注入到该管发射极,振荡电压平稳,谐波较小。调谐回路采用小型空气双连电容器。为了提高灵敏度和选择性,采用M\(_{4}\)型φ10×170毫米的磁性天线棒。各半导体管的工作状态,分别由各管基极电路内的偏流电阻来调整它的直流工作电流。
本机特点是在中频放大线使用负反馈。反馈电压一路是由BG\(_{2}\)集电极经过电阻R6反馈至基极;另一路是将D\(_{1}\)检波后的直流成分取出,经R8加至中放管基极,起自动增益控制作用,总的结果使失真大为改善。增益控制接成电流控制电路,使控制灵敏,变化均匀。电源退耦电路加了R\(_{14}\)及C15滤波电路,使电池降到4.5伏以下仍不致发生啸叫。
三、结构特点
本机采用改性聚苯乙烯塑料外壳,比较坚固,不易碰坏。机壳配有金属铝网板及金属装饰窗口、塑料烫字度盘。左侧上角旋钮是音量及电源开关,右上角是频率调谐。为了便利生产和修理方便,采用一般大元件,并采用纤维印刷线路板。整个机器除扬声器外,可以取出机壳按照印刷电路图进行修理。调节偏流电阻在底板正面。印刷电路板上共有测量电流的缺口便于维修测量,在本期封底彩色图上以虚线电表符号表示,测量时可将该处的焊锡烫开,串入电流表即可。
四、元件数据
1.磁性天线:采用直径10毫米、长170毫米的磁棒。磁捧上的线圈位置见图2。调谐线圈L\(_{1}\)和耦合线圈L2,用七股0.07毫米单丝漆包线按同一方向在线圈筒上密绕。L\(_{1}\)绕60圈, L2绕6圈。L\(_{1}\)的电感量为20±1微亨,Q≥300。线圈筒尺寸及绕法见图3和4。


2.振荡线圈:结构见图5,其中的线圈L\(_{3}\)用七股0.07毫米单丝漆包线共绕105圈,在第7圈处抽头为②。①—③的电感量为73±3微亨,Q≥30;①一②段的电感量为0.8±0.1微亨。线圈L4用0.15毫米漆包线绕20圈,其电感量为4.4±0.3微亨。线圈内装有M\(_{4}\)螺纹磁性瓷心,其尺寸为M6×0.75×16毫米。

3.输入变压器(图6):铁心采用D42号硅钢片,片厚0.35毫米,中心柱截面积为5×毫米\(^{2}\)。初级线圈1—2用0.07毫米漆包线绕1800圈,电感量≥1.28亨,直流电阻为240±10欧。次级线圈3—4用0.1毫米漆包线绕600圈,直流电阻57±2欧。

4.输出变压器(图7):铁心用D320号硅钢片,片厚0.35毫米。中心柱宽8毫米,铁心迭厚6毫米。初级线圈1-2用0.17毫米漆包线绕600圈,电感量≥0.265亨,直流电阻为18±2欧。次级线圈用0.55毫米漆包线绕90圈。
五、调试
调试时电压规定在5.8~6.2伏之间,总电流无信号时应在17~25毫安之间,先调整好各管偏流。BG\(_{1}\)为 0.6~0.8毫安;BG2为0.2~0.35毫安;BG\(_{3}\)为2.3~ 3.5毫安;BG4为13~15毫安。
然后调整低放增益:在输出为300毫伏时,经20微法电解电容器从BG\(_{4}\)基极输入1000赫的信号应在20~30毫伏之间。在配套时需注意BG3的噪音,因该管对整机噪声影响很大。由于本机是单管输出,故要求BG\(_{4}\)的穿透电流ICEO≤150微安。在整机电源打开后要注意BG\(_{4}\)静止电流有无缓缓上升现象(无信号时),或上升到一定范围时才停止上升。如有这种现象,则该管不能使用。
中频调整:由音频信号发生器输出调幅音频为1000赫、调幅度为30%的信号,串联0.01微法电容器后加到中放管BG\(_{2}\)的基极,调整中频变压器B2的电感至谐振,音量电位器控制在最大位置时,输出噪声应在30毫伏以下。输出音频电压为300毫伏时,输入电压应不大于2~3毫伏。
变频级调整:中频信号同样经0.01微法电容器加到BG\(_{1}\)基极上。振荡线圈磁心放在适当位置,双连电容器动片全部旋入定片内,反复调整中频变压器的电感量至谐振,要求输出音频电压在300毫伏时,输入不大于200~300微伏。
统调跟踪:在调整低端时调节振荡线圈铁心。调高端时调节G\(_{5}\),反复二、三次。调灵敏度,在600千赫调整天线线圈位置,使输出最大,调1500千赫调节微调电容器C1,使输出最大。最后在600,1000及1500千赫三点测量,灵敏度应在3毫伏/米左右。
调试时应注意:在看整机频率特性时,如低端下降太多,应检查C\(_{13}\)电容器是否正确;高端下降应看中频是否准确。如失真不合要求,可略为加大R4中放电流。如有不稳定现象可检查焊接是否牢固,并注意检查C\(_{14}\)、C15等电解电容器接触是否良好。(詹申伯)