问:调整再生来复式半导体机时,在高放管集电极回路内串接一只电流表,调整上偏流电阻使电表读数为1毫安(此时有电台播音信号),而当调谐电容器旋到无电台信号时,电流表读数上升很多,这是什么原因?偏流电阻阻值的调整应该在哪种情况下进行才对?
答:这种现象是一般再生来复式检波电路的特点所决定的,原因如下:

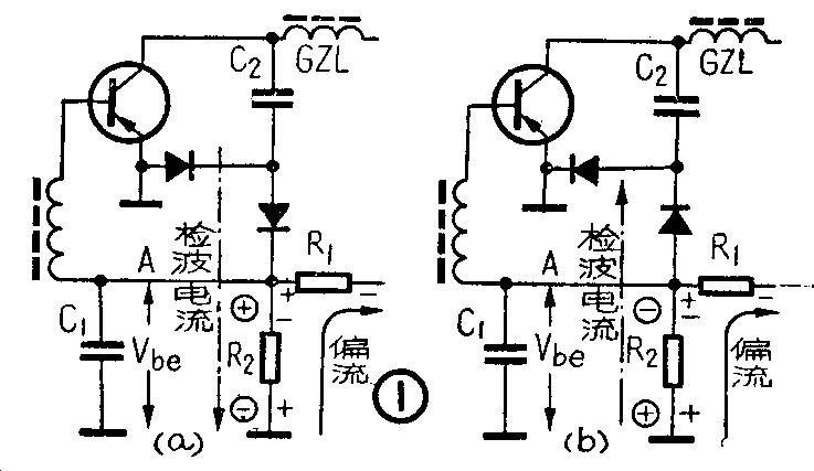
如图1电路,当无外来信号时,由R\(_{1}\)、R2所产生的偏压V\(_{be}\),其极性为地端为正,A点为负,这样才能使半导体管输入结有一个合适的正向偏压。如果倍压检波器是按图1(a)接法的话,由检波所产生的直流电流流过R2时,它所产生的电压极性恰好与原来的V\(_{be}\)相反,即有抵消正向偏压的作用,使高放管的Vbe减小,I\(_{be}\)也就减小,随之使Ice也减小。所以如果在有电台处偏流调得正合适,那么在没有电台处偏流就要增大。反之,如果在没有电台处调好,有电台时偏流就会缩小。这种缩小和增加的量,与电台信号的载波振幅有关,电台愈强,这种变化愈大。利用这个特性,可以使这种电路具有自动调节音量的作用,使整个波段内强弱不同的电台具有比较均匀的音量。
一般谈到调整偏流阻值时,是指在无电台时而言,因此大家应当把收音机调谐在无电台信号的地方调整。
有的电路二极管是反接的如图1(b),这种电路不起自动音量控制作用,而且相反,电台愈强,收音机增益愈高。
问:半导体放大器有无电压放大和功率放大之分。
答:半导体管放大器和电子管放大器不同。电子管放大器有的是不放大电流的,因此有电压放大和功率放大之分。而一般的半导体管放大器在任何时候在放大电压的同时都伴随着放大电流,因此严格说来它没有电压放大之称,应该都是功率放大。但半导体管的放大器中有小信号运用和大信号运用之分,例如在一个两级放大的低频电路中,前一级一般是小信号运用(即放大信号的振幅较小),末级则接有扬声器之类的负载,需要输出较大的功率,一般是大信号运用。现在有些人把小信号运用按照电子管放大器的概念叫做电压放大,而把末级才叫做功率放大,严格说起来是不确切的。(以上范思源答)
问:收音机受到日光灯的干扰,有何办法避免?
答:日光灯放电时产生的电磁波,以电源线为主要道路传进收音机,便会引起干扰噪声。积极的办法,是在 日光灯的电源进线上加装滤波器将干扰滤除,简易的装置如图2,用三只固定电容器组成。它们可用耐压600伏的纸介电容器。装置时应尽量靠近日光灯。日光灯和它的各个附件的接线也不要太长,以减小这些导线上的电磁波辐射。(冯报本答)

问:什么叫做有效导磁率?
答:在一只线圈的中心放入磁芯(铁氧体或其他磁性材料)以后,由于磁芯引导磁力线的能力比空气强,通过线圈中心的磁力线比空心时有所增加,线圈的电感量也就有所增大。同样的线圈,有磁芯时的电感量L比起空心时的电感量L\(_{0}\)所增大的倍数,称为磁芯的有效导磁率,以μ有效表示,μ\(_{有效}\)=\(\frac{L}{L}\)0。有效导磁率的大小,随磁性材料的性能,磁芯的形状,以及磁芯与线圈的相对位置而异。若磁性材料的环导磁率愈大,或磁芯的形状愈能使磁力线成为闭路,以及线圈愈紧靠磁芯绕制,则有效导磁率愈大。所谓环导磁率,是指将磁性材料做成一个闭合的圆环磁芯,线圈紧靠磁环绕制,这时线圈比空心时所增加的电感量的倍数,称为环导磁率。在磁性材料的售品说明书上所标示的导磁率,一般就是指这个环导磁率。
问:什么叫做有效Q值?
答:单独的线圈在交流信号作用下,其感抗ωL与交流损耗电阻r之比,称为Q值,Q=\(\frac{ωL}{r}\),当线圈接入电路以后,由于电路中还有其他对线圈有影响的损耗电阻r',这时,线圈的感抗ωL与线圈本身及电路中其他地方对线圈有关的总的损耗电阻之比,称为有效Q值,以Q\(_{有效}\)表示,Q有效=ωL;r+r'。显然,有效Q值比原来线圈本身的Q值要小。例如,半导体收音机的磁性天线中的调谐线圈只带磁棒而不接半导体管时,Q值有100~200,而接入半导体管以后,由于半导体管的输入电阻对调谐回路带来很大损耗,使调谐回路的有效Q值只有40~60左右了。
问:电子管1A2可以用来作电压放大和功率放大吗?电路应怎样接法?
答:1A2可以作电压放大,其电路接法作为五极管或三极管都可以,接法如图3。电路中其他元件与一般五极管或三极管的用法相似。
1A2作功率放大不合适,因它的最大允许阴极电流较小,最大允许屏极损耗功率也不大,作功率放大将屏流用得较大时容易损坏管子。(以上金朗答)