一次我试验矿石收音机(如图1),接线时,误把天线接到耳机接线柱上(如图1虚线所示),仍收到了播音。取下电容器C\(_{3}\)时,声音更清晰一点。后来,我干脆把调谐电路去掉,改成如图2所示的电路,仍取得了和前面一样的收听效果。

为什么图2所示没有调谐回路的电路也能收到广播呢?这是由于耳机起到了调谐电路的作用(耳机本身具有电感和电容)调谐电路(耳机)将电磁波输送给矿石进行检波,检波后的脉冲电流使耳机发出声音。(高占元)
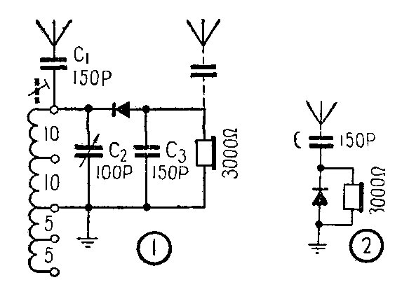
没有调谐电路为什么也能收广播
一次我试验矿石收音机(如图1),接线时,误把天线接到耳机接线柱上(如图1虚线所示),仍收到了播音。取下电容器C\(_{3}\)时,声音更清晰一点。后来,我干脆把调谐电路去掉,改成如图2所示的电路,仍取得了和前面一样的收听效果。

为什么图2所示没有调谐回路的电路也能收到广播呢?这是由于耳机起到了调谐电路的作用(耳机本身具有电感和电容)调谐电路(耳机)将电磁波输送给矿石进行检波,检波后的脉冲电流使耳机发出声音。(高占元)