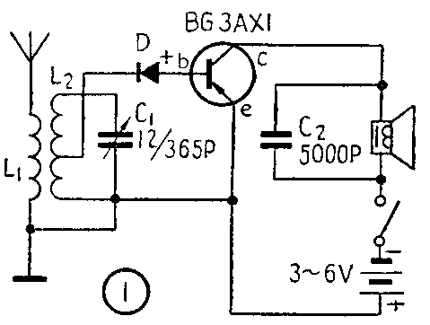
矿石收音机不能放大,只能用耳机收听。如果想用扬声器收听,可以如图1加装一只半导体低频三极管来放大。图中二极管D(或矿石)和调谐回路都是原来矿石机中所用的元件。高频信号由天线进入初级线圈L\(_{1}\),耦合到L2与C\(_{1}\)组成的调谐回路,选择出我们所要收听的电台信号,然后送到二极管D进行检波,检波后的低频信号直接由半导体三极管BG加以放大,通过扬声器发出声音。

这里半导体管基极没有加偏流电阻,它是利用L\(_{2}\)上的高频电流经过二极管整流而产生偏流的,因此二极管的方向不能接反,否则就起不到放大作用。
线圈L\(_{1}\)、L2可采用售品天桥140型圆筒式双回路线圈。自制时可在直径40毫米、长85毫米的纸质圆筒上,用直径0.45毫米的漆包线L\(_{1}\)绕30圈,L2绕100圈,两线圈间距离5毫米左右。L\(_{2}\)下端一段最好留几个抽头,二极管D接在线圈的哪个抽头上和收音机的灵敏度、选择性有很大关系,可试验后接在最好的抽头上。
半导体三极管可用一般的低频管,如3AX1~3AX3(П6A~П6B)等均可。扬声器可使用配合半导体管用的600欧小型舌簧扬声器,或用250欧的低阻普通舌簧扬声器。

如果声音还不够响,可按图2电路加接一只50K左右的偏流电阻R,来加强半导体三极管的放大作用,但这时最好把二极管掉换一下方向。否则由于加到半导体管基极b的负电压加到二极管的正极上,会妨碍检波器的正常工作。R的具体数值可由试验决定(最低不能小于10K)。(卢仁琦、卢耀元)