要了解一只容量较小的电容器好坏,用万用电表一类的普通仪表一般是测量不出来的。但是用一只小氖管和两只高阻值电阻,借助一台普通交流收音机的整流电源部分,便可测定它是否完好、漏电或断线。这里介绍的小电容器漏电测试器,便是应用这样方法的小仪器,对于学校作为示教,或在小组和实验室中作为常备仪器,都是有用的。
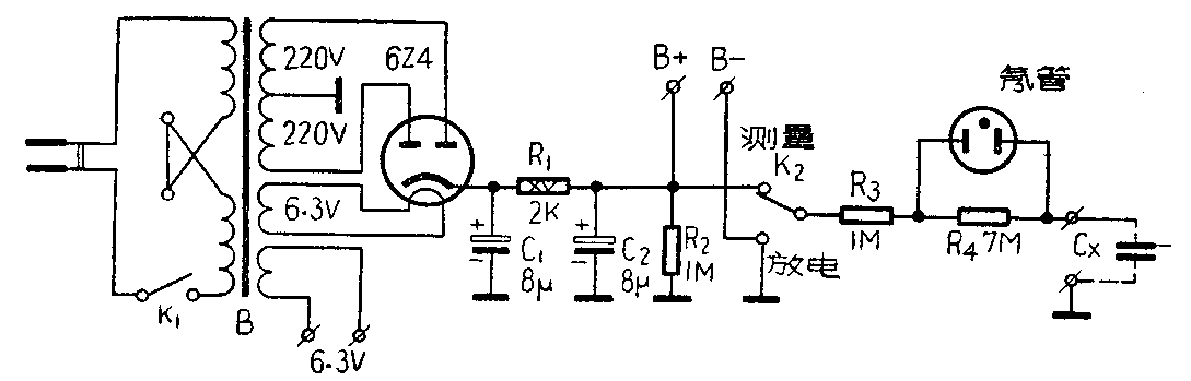
这只测试器能够测试50微微法以上的各种非电解质电容器,还可以兼作其他仪器或一般交流收音机的供电电源。仪器的工作原理很简单,电路如附图。由整流管6Z4整流后的脉冲直流,经过由G\(_{1}\)、R1、C\(_{2}\)组成的π形滤波器,成为稳定的直流电。在测试电容器是否漏电时,先将待测电容器的两根引线插在CX插孔上,将单刀双掷开关K\(_{2}\)接至“测量”处,电流经R3、R\(_{4}\)对CX进行充电。由于在充电的瞬间R\(_{3}\)、R4上有电流通过,R\(_{4}\)两端有电压,此时氖管发光。如果电容器不漏电,则R3、R\(_{4}\)上只在电容器充电的瞬间有电流通过,即氖管只短时间发光,表示电容器完好。若电容器漏电,则电流经R3、R\(_{4}\)、CX到机壳,构成一个回路,长时间有电流通过,即在R\(_{4}\)两端始终有一电压,氖管则亮而不灭,这表明电容器漏电。如果K2接至“测量”处,氖灯根本不亮,则表明电容器内引线断了。

在将K\(_{2}\)接至“测量”处测试后,再将K2接至“放电”处,使电容器放电后再取下来。
图中R\(_{3}\)是为了防止电容器漏电、短路,以至于烧毁氖管而串接的保护电阻。R2是防止整流器空载时滤波电容器被击穿而采用的泄放电阻。
制作时电源变压器要求不高,可用一般三灯或五灯电源变压器。如果用电铃变压器也可以,不过用市电作高压要注意安全。氖管可用试电笔中的小氖管。
电源变压器和各电阻、电容器、电子管,可装在木质底板上。K\(_{1}\)、K2、C\(_{X}\)插孔和输出电源插孔,都应装在外壳的面板上。为了携带方便,可以把它装进手提盒内,做成便携式的。(黄光龙)