功率放大器可以单管运用,也可以推挽运用。当然单管运用只能工作在甲类。所谓甲类工作状态,就是说输入信号的正半周和负半周都能改变管子的电流,信号都被放大。例如我们常常这样选择放大管的工作点(共发射极电路,见图1)。假定无信号时集电极电流为20毫安;正1伏信号输入时,集电极电流变为10毫安;而负1伏信号输入时则变为30毫安,因此正负信号能得到同样的放大。

甲类放大有很大的缺点,工作效率低,无信号或小信号时都消耗很大的电流。
乙类运用是提高效率的好办法。所谓乙类工作状态就是让管子在无信号输入时处于截止状态,集电极电流为零。例如正1伏信号输入时(基极加正电压)不能工作,集电极电流为零,即不能放大正信号;负1伏信号输入时,管子工作,集电极电流增到10毫安,能放大负信号。音频信号是有正有负的,用单管作乙类放大当然不行。如用两只管子推挽运用,一个放大正信号,一个放大负信号,那么既达到提高效率的目的,又避免了失真,所以半导体管收、扩音机中广泛采用推挽电路。一般推挽电路总需要输出变压器,以便把经过两管放大的两部分信号合成完整的信号输出。常见的变压器耦合功率放大器,因变压器铁心磁化曲线的非线性,会产生非线性失真;又因输出变压器的初级电感量不可能太大(受体积的限制圈数不能太多),所以低音不丰富;其次因变压器是感性元件,有相移,不允许采用深度的负反馈来改善音质。人们研究出了两种不用输出变压器的推挽放大电路,即“辅助对称推挽放大电路”及“单端推挽放大电路”。用这两种电路作为功率输出级,也可以达到同样的效果。本文将对这两种电路进行一些分析。
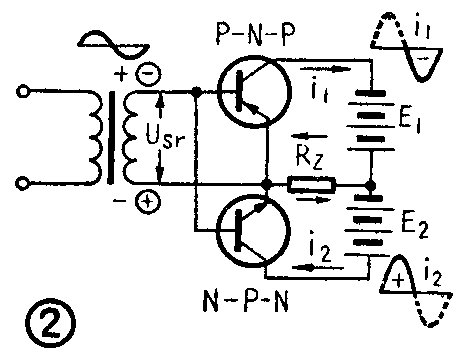
一、辅助对称推挽功率放大电路

辅助对称推挽放大电路的原理电路如图2。这是半导体管特有的一种电路,电子管不适用。它应用了导电情况相反的P—N—P型和N—P—N型半导体管,所以输入不需要倒向。当输入信号电压U\(_{sr}\)在正半周时(输入变压器次级圈上端正,下端负),对N—P—N型管而言,基极接正,发射极接负,加给该管发射结的是正偏压,集电极电流i2增大;而对P—N—P型管而言,也是基极接正,发射极接负,但却是负偏压加到该管发射结,因而截止,i\(_{1}\)为零。反之当信号电压的负半周时,加给P—N—P型管的是正偏压,i1增大;而加给N—P—N型管的是负偏压,i\(_{2}\)截止。这样两只管子便轮流工作,流过负载RZ的电流是两管集电极电流之差,这对于无信号时两管的静态电流而言是相互抵消的,而对交流信号i\(_{1}\)和i2却是相加,组成一个完整的正弦波。
辅助对称推挽电路,由于两管轮流导电,而交流电流又相加,所以具有一般推挽放大电路的优点:输出功率大、效率高和失真小。再者,因为对交流而言,两管是并联的,因此这种电路的负载阻抗和一般推挽电路相比,只有一般推挽电路每边负载的1/2,也就是整个负载的1/4,使我们有可能不用输出变压器来变换阻抗,而直接和扬声器连接。这可以用图3来分析说明:如单管放大器的负载是R\(_{1}\)和R2,两管一般推挽运用时负载是串联的,即为R\(_{1}\)+R2,两管对称时R\(_{1}\)=R2,所以负载是2R\(_{1}\)。辅助对称电路对交流而言是并联的,故负载为R1和R\(_{2}\)并联,等于\(\frac{1}{2}\)R1。


图4为一实际采用的辅助对称推挽放大电路,比图2的原理电路有如下三点改进:
1.将图2中的两个电池组简化成一个。这就减小了设备体积和使装置方便得多。两管的直流电流相互抵消而不流经负载,就可以加一个隔直流电容器C\(_{3}\)把负载和电源隔开。P—N—P型管和N—P—N型管串联起来接到电源两端,从电池组E各分到一半电压,即E/2。如果预先选定E1=E\(_{2}\)=E/2,那么在图4中用一个电池组E就可以代替图2中两个电池组E1、E\(_{2}\)的作用。C3的容量一般为几十到几百微法,以保证低频畅通。
2. 省去了输入变压器而改用阻容耦合。由于辅助对称电路具有输入不需倒向的优点,还可以省去输入变压器,推动级可以是一普通的阻容耦合放大电路。这不但进一步减小了设备体积,更可以克服由于变压器耦合带来的缺点,使收音机具有更好的频响和更小的失真(输入变压器的初级电感不够大会造成低音不丰富;变压器抽头不对称,使输入信号不平衡,而引起非线性失真)。这种电路已广泛地用于半导体电视机和调频收音机中。
3.辅助对称推挽电路除去乙类运用之外,也可工作在甲类和甲乙类(介于甲类和乙类之间)。图4是甲乙类运用的辅助对称推挽电路。R\(_{1}\)、R2是给两只管子供电之偏流电阻,保证两管在无信号输入时有l~2毫安的静态电流,使从上管导电到下管导电的交接班能不脱节,不因此而造成严重的失真。
最后再提一点,在这种电路中,由于没有变压器来匹配负载,除应选用高阻抗的扬声器外(目前已有的如16Ω、40Ω、70Ω扬声器等)还需调整R\(_{1}\)、R2的阻值。用的扬声器阻抗高时,R\(_{1}\)、R2的阻值可小一些,调整时应兼顾到音质和音量。
二、单端推挽电路
我们先介绍单端推挽电路的原理,再介绍两种实际电路。

图5是单端推挽的原理电路。同样,两管集电极电流的直流成分串联流过两只管子,而两管供给负载的信号电流则是并联的,它需要用变压器倒向,或加其他倒向电路。输入变压器的次级有一对,分别加到两管的基极与发射极之间(由于两管的基极或发射极的直流电位不一样,两个次级圈绝不能接起来),而且相位相反。若使两管工作于乙类,无信号时,集电极电流为零,截止;则当信号电压处于正半周时一管截止,一管导电;信号电压处于负半周时一管导电,一管截止,也是两管输换工作。负载上的电流为两管电流之差,直流部分相消,交流部分相加,恰好是两个半周正弦波拼起来合成一个完整的正弦波。如前所述,采取这种接法,也将使负载阻抗减为普通推挽电路的\(\frac{1}{4}\),有可能不用变压器而直接和扬声器相接,而电流却比普通推挽电路增加一倍,电压减少一半。
单端推挽电路也可工作在甲乙类或甲类,除具有普通推挽电路的优点外,更可进一步减小失真,使高低音更丰满和减小设备体积。

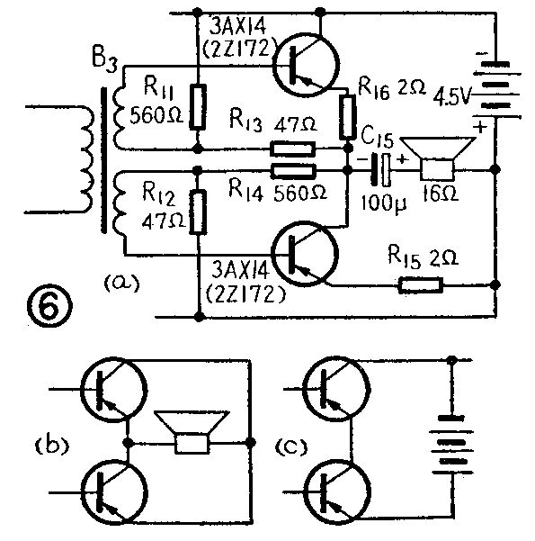
图6(a)为宝石4B5型半导体收音机的功放电路,是用两只3A×14组成的单端推挽电路,直接以扬声器音圈阻抗为输出负载,省去了输出变压器,消除了由输出变压器而带来的增益降低、失真增大和频响变窄等缺点,故称为高保真度电路。对整机而言,也避免了输出变压器与磁性天线、中频变压器间的寄生耦合,稳定了电路的工作。
图6(a)的电路看上去复杂,但对照图5稍加简化之后就一目了然了。 R\(_{11}\)、R13、R\(_{16}\)是上管的偏置电阻。R11、R\(_{13}\)分压后,从R13上取出的电压通过输入变压器B\(_{3}\)次级线圈加到上管基极,另一端通过R16加到发射极。R\(_{12}\)、R14、R\(_{15}\)是下管的偏置电阻。它们都采用电流反馈偏流法(参看本刊1964年12期13页),使管子工作在甲乙类状态,而且工作点比较稳定。R15和R\(_{16}\)还有一些负反馈作用,可以稳定工作点和进一步改善音质。C15是隔直流电容,使直流电流不流过扬声器,实现单电池供电,C\(_{15}\)也是耦合电容,应选得尽可能大些,以不造成低音频的损失为原则。把阻容元件的作用搞清楚之后再接交直流画出简化电路,串并联关系就明显了。图6(b)、(c)分别是交流和直流简化电路。

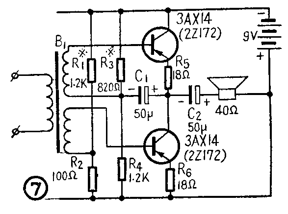
图7是半导体管电视机中的高音质功放电路。同样R\(_{1}\)、R2、R\(_{3}\)、R4、R\(_{5}\) 和R6是偏置电阻。R\(_{3}\)和R4分压后,R\(_{4}\)上的电压通过变压器次级线圈加到上管基极。R1和R\(_{2}\)分压后,由R2取得的电压加到下管基极。C\(_{1}\)、C2是隔直流电容,并提供交流通路。由于采用40Ω的高阻抗扬声器,所以电源电压要相应的提高,本电路采用9伏的积层电池。电路的指标是:额定功率120毫瓦,最大达200毫瓦;频响150~5000赫;失真小于10%,消耗电功率不大于300毫瓦,最大电流30~40毫安。
当然此电路也可用来装置高音质收音机。装配时可注意以下问题:输入变压器B\(_{1}\)可用一般输入变压器改绕,初级可不变,次级改绕成两个独立的次级圈,圈数可为500~1000圈,必须双线并绕,使两次线圈一样,求得平衡输入。如自行设计可遵循下列原则:初级电感量2~3亨,初次级的匝比(对一个次级而言)为3:1。装接时要注意次级的极性,接错了头起不了倒向作用,收音机声小或无声。此外管子的工作状态不是固定不变的,应按管子和扬声器的具体情况加以调整。一般调R1、R\(_{3}\),在没有仪器的情况下,可以根据音质、音量为标准:当音量过小时,说明工作状态不对,R1、R\(_{3}\)都要变一下;音量大了而音质不好,说明两管对称性差,可变更R1或R\(_{3}\)。(露天)