在工作波长较长的短波段和中、长波段的无线电设备中,通常都使用由线圈和电容器组成的谐振回路。这种回路的电感量都集中在线圈里,电容量集中在电容器里。所以这种谐振回路叫作“集中参数谐振回路”。当工作波长缩短到米波以至毫米波段时,这种型式的谐振回路就不能使用了。因为这时谐振回路需用的电感量很小,难以制造出来。例如,图1所示的单圈方形和圆形线圈,即使用2毫米线径的导线,绕成直径或边长为5厘米左右的线圈,其电感量也有0.3微亨左右。把它与几个微微法的电容器组成谐振回路,其谐振频率也在100兆赫以下。要使谐振频率更高就困难了。另一方面,在超高频段工作时,由于高频电流的趋肤效应,将使回路的损耗增大,以致回路效率将随频率的提高而急剧下降。而线圈导线的截面积又不可能做得过大。此外,超高频段谐振回路所需的电容器也只有几个微微法或者更小一些。要制造出容量很小而负载电流很大的电容器也是有困难的。因此,在超高频波段中,都使用另一种型式的谐振回路,即所谓“分布参数谐振回路”。

短路长线的谐振回路

与集中参数电路相比,分布参数电路的电容、电感量都是沿导线的长度方向均匀分布的。图2(a)是两根平行装置的导线,二导线间有一定的距离。沿导线的长度方向存在着导线间所形成的电容,以及导线本身所具有的电感,它们都是沿导线长度方向均匀分布的,我们用C\(_{1}\)和L1分别代表导线单位长度的电容和电感量。这种装置通常称为长线或传输线。
把高频电压馈送到长线上时,两导线之间的空间就产生电磁场,电场的方向与导线表面垂直。沿导线流通的电流所产生的磁场包围着导线的空间。导线横截面空间的电力线和磁力线分布情况如图2(b)所示。根据电磁波传输的规律可知,这种电磁波的能量大部分集中在两导线之间的空间里。长线的导体对电磁波起着“导向”作用,它把高频能量以电磁波的方式沿所需的方向传送。但是,这种被“引导”的电磁波并不是无线电发射天线所辐射的空间电磁波。一般来说,在工作频率不太高时,长线的辐射作用是不强的。

在波长为1米到10米的米波段无线电设备中,都用长度为工作波长\(\frac{1}{4}\)并在终端短路的长线作为谐振回路,如图3(a)所示。在AB端加上波长为λ的高频电压时,由于长线终端短路,故该处的电流最大,而电压却因短路而为零。所以从终端沿导线往AB端观察到的线上电压分布情况是由零到最大,而电流则是由最大到零,恰好等于1;4波长,并如图3(a)所示。
这种电流电压分布情况对无线电技术提供了一个很好的应用。由图3(a)可见,在考虑AB端的输入阻抗时,可用Z\(_{AB}\)=UAB/I\(_{AB}\)表示。因为AB端的电压UAB最大而电流I\(_{AB}\)为零,故理想的无损耗的\(\frac{λ}{4}\)短路长线 (其中λ是工作波长),其输入阻抗ZAB=∞。此现象与集中参数的非联谐振回路的情况相同。因此,在超高频无线电设备中,经常把λ;4的短路长线作为并联谐振回路使用。它的等效电路如图3(b)。实际上,长线本身的电阻不可能等于零,因此终端电流不可能为无限大,I\(_{AB}\)也不会等于零,所以实际的ZAB将是有限的数值。

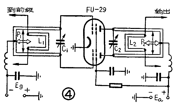
图4(a)是用\(\frac{λ}{4}\)短路长线作为谐振回路的米波功率放大器,电子管用FU-29并组成推挽电路。因电子管有输入和输出电容,并且常用小量的可变电容器C\(_{1}\)和C2来调谐回路。这就使长线的等效电容增大,因而必须适当地降低回路的等效电感量。因此实际上所使用的长线长度稍小于λ;4。
放大器栅极回路的长线通过起互感作用的耦合环L\(_{1}\)从前级放大器获得高频激励功率。改变长线终端的短路棒P1的位置时,即短路线长度ι改变,于是它所对应的\(\frac{λ}{4}\)中的波长λ也要变化。即变化P\(_{1}\)的位置可以改变放大器的工作波长,因此可用P1进行回路的粗调。而利用电容器C\(_{1}\)实现回路的精确调谐。屏极回路的调谐与此相同,而耦合环L2则用来输出功率。此放大器除谐振回路与一般的不同外,其工作原理是相同的。
短路长线回路的优点是,工作频率较一般集中参数回路的高。由于长线对地是对称的,很适于和需要对称负载的推挽电路配合使用。此外,常用表面镀银的粗铜管来制作长线,其损耗较低,因而回路效率较高。但是,当工作波长继续缩短时,长线的辐射现象将很严重,所以它不能用于分米波和厘米波段。
同轴谐振腔

为了避免传输线中电磁能量辐射出去,于是人们采用了同轴传输线。它是由一根内导体和一根围绕它的管形外导体构成的。图5(a)是这种传输线的剖面图,图5(b)是它的电路符号,它里面的电力线和磁力线的分布情况如图5(c)所示。同轴线是靠外导体与内导体之间的空间传输电磁能量的,外导体起着屏蔽作用,因此电磁能量不会辐射出去。它的传输效率较长线高,超高频设备中使用同轴传输线的地方很多。
长度为波长的四分之一(\(\frac{λ}{4}\))并在终端短路的同轴线称为同轴谐振腔。它是适用于分米波段的谐振回路,工作原理和短路长线(简称短路线)相似。腔内导体的电流、电压分布情况如图6所示。同轴谐振腔最适合和灯塔管、金属陶瓷管配合使用,在分米波段中作成放大器和振荡器。也用于分米波波长计中作标准谐振回路。


图7(a)是用灯塔管和同轴谐振腔组成的振荡器剖面图,图7(b)是它的高频等效电路。振荡器按共栅电路工作,屏栅极间和栅阴极间的谐振腔各有一个接端通过栅极,故称共栅电路。屏栅极间的谐振腔中的高频能量,通过起互感作用的耦合环部分地反馈到栅阴极间的谐振腔,当反馈的极性是正的并且数量足够时,就能产生自激振荡。谐振腔终端短路塞是用来调谐的。当改变屏栅腔短路塞的位置时,振荡频率就随之改变,塞子愈靠近电子管时振荡频率愈高,反之则频率降低。栅阴腔短路塞的位置改变时,它对振荡频率的影响不大,但它影响栅阴极间的高频激励电压的大小,因此这个短路塞可用来调整振荡器的振荡强弱。
空腔谐振器
当工作波长缩短到厘米波(波长1到10厘米)和毫米波(波长短于1厘米)波段时,因所需尺寸太小,无法制造出同轴谐振腔。人们又根据把电感线圈并联后所得到的总电感减小的原理,制造出适用于很高频率的谐振回路——空腔谐振器。

如图8(a)所示,用两金属圆片组成一个容量极小的电容器,将一个个单圈电感沿金属片边缘联接起来。因为电感量愈并联就愈减小,故可得到一个极小的电感量,此电感与圆片电容就能组成频率极高的谐振回路。如果把单圈电感的数目不断增加下去,则这些电感圈就形成一个金属圆筒,并且与圆片电容紧密联接。这种回路的谐振频率极高,称为空腔谐振器,适用于厘米和毫米波段的无线电设备中。如图8(b)就是一种环形谐振腔的剖面图。
根据电容器的电特性,金属圆片之间的空间为电场集中的地方。当有电流在腔壁(相当于电感支路)流通时,所产生的磁场则环绕腔内空间闭合,如图8(b)所示。磁力线由画×的一端进去,由画·的一端出来。图中所画的只是某一瞬间的电磁场情况,它是随着时间不断地变化的。在激励谐振腔时或从已激励的腔引出高频能量时,常用图8(b)所示的耦合环来实现。此环的平面和腔内磁力线相互垂直,当磁力线穿过环内空间,则耦合环将产生电流,通过一段同轴传输线即可把已激励的腔内高频能量引出。
在激励谐振腔时,耦合环的位置仍然如此。此时,外来高频信号加到同轴传输线上,于是耦合环中产生电流,此电流所引起的磁场方向(参阅图8b)与腔内在发生振荡时的磁场方向相同。因此,外来能量就激励谐振腔产生振荡。
除了上述环形谐振腔外,根据不同的需要,还可以做成许多不同形状的谐振腔,例如图9(a)和(b)就是一种长方形截面的环形谐振腔。

同轴谐振腔和空腔谐振器都属于分布参数电路,并且是一种封闭的系统。根本不存在辐射现象,加以常在金属壁上镀银、腔体本身的损耗很低,因而效率很高。它们是超高频无线电设备中的一个重要部件。(瑶琪)