土壤的酸度(pH值)是土壤肥力的重要因素之一,它对土壤中养分的存在状态和有效性,以及对土壤中生物的活动过程和植物本身都有巨大影响。例如:土壤中的磷酸盐在pH值为6.5~7.5时肥效最大;氮肥的硝化作用只有在pH值为6.5以上的土壤里才能进行,以及在强酸性的土壤中,生物活动受到限制等。
这里介绍一种测量土壤溶液酸度的电子直读式酸度计,供读者们在农业科学实验中参考。
一、酸度转化为电位的一般原理
当酸(或碱盐)类溶于水时,分子即起电离作用,电离成正离子和负离子。如果在该溶液中放入两个不同的电极,组成一个电池,就能产生一定的电动势,而电动势的大小与溶液的浓度有关。借此可以测定电动势,计算出离子量。

玻璃电极就是用来测定氢离子浓度的非电量电测法的转换器玻璃电极是一个小球,结构如图1所示。玻璃小球是由专性玻璃(通常包含SiO\(_{2}\)、Na2O、CaO和Al\(_{2}\)O3)吹制成的,球膜的一般厚度约为0.05~0.2毫米左右。而“电极管”是由和专性玻璃有相近的膨胀系数的高阻玻璃管制成。小球内充满酸度值稳定的标准缓冲溶液。玻璃电极的作用原理到目前为止尚未得到肯定的结论。某些学者的解释是这样的:专性玻璃膜是一种特殊的离子交换膜,它中间的硅酸离子形成不可移动的负离子骨架,其中可以移动的主要是纳离子(Na\(^{+}\)),当这个球泡插入待测酸度的溶液中时,溶液中的氢离子(H+)就和玻璃膜中的纳离子进行交换,一直进行到玻璃表面和溶液之间离子分布达到动态平衡时为止,这时在玻璃薄膜二面就有二个电极电位。但必须同时用二个电极电位不随氢离子而改变的电极(如甘汞电极等),一个作为引出电极,另一个则充当参考电极。这二个电极一般采用甘汞电极,结构如图2所示。
将附有内甘汞电极的玻璃电极和外参考甘汞电极插入待测酸度的溶液后,便构成一个电池。由于玻璃电极中的内甘汞电极的电位与外参考甘汞电极的电位在整个电池电路中大小相等,方向相反,相互抵偿,实际上它们只作导线用。而玻璃小球内溶液的酸度值是恒定的,所以这个电池的电动势只随球外溶液酸度值不同而变化。
玻璃电极的转换系数是表示玻璃电极在一定温度下把酸度值转换为电位值的能力。通常以ξ表示。它在pHO~14的范围内是线性的(通常对考宁015玻璃电极为l~9.5pH),转换系数ξ在不同温度下的理论值见下表:
温度(℃) 转换系数ξ(mV) 温度(℃) 转换系数ξ(mV)
0 54.19 25 59.15
5 55.19 30 60.15
10 56.18 35 61.14
15 57.17 40 62.13
20 58.16 45 63.12
玻璃电极的电位与酸度值之间的关系如图3所示。它是用一系列已知pH值的标准缓冲溶液进行测定得到的。

玻璃电极的电阻甚高,通常为几十兆欧到几百兆欧之间,其阻值与玻璃成分有关;而且随温度的升高而下降,在50℃以下下降很快,50℃以上则下降缓慢。此外还与含水量有关,电极浸泡后玻璃电极内阻会下降。
上述玻璃电极和甘汞电极市扬上均有成品供应。
二、电路原理

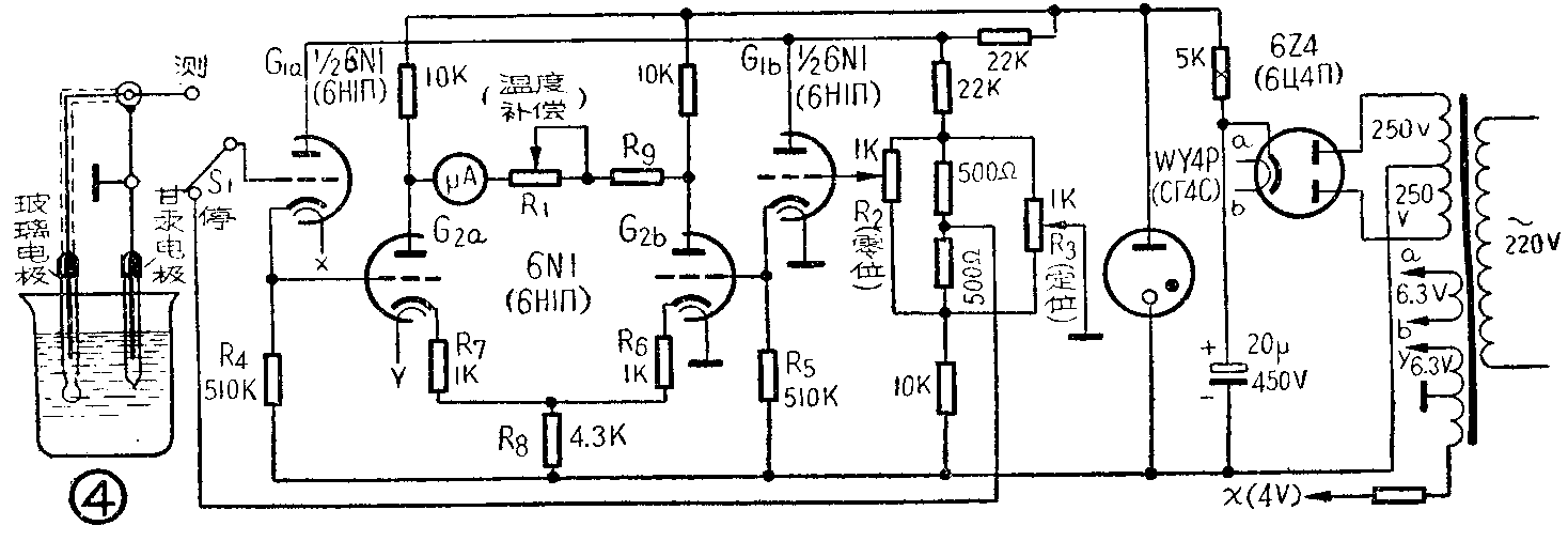
由玻璃电极把酸度转换为电位后,就把测量溶液的酸度值归结为测量电位的问题。所以直读式酸度计实际上是一个直流毫伏计。测量电路如图4。它是由两个电桥电路组成。第一级电桥电路是由G\(_{1a}\)、G1b和R\(_{4}\)、R5组成。由G\(_{1a}\)和G1b的阴极输出,直接耦合到G\(_{2a}\)和G2b的栅极。因为玻璃电极内阻较高,所以G\(_{1a}\)的输入阻抗必须很高,要求千倍于电极内阻。除了在装置时严格注意绝缘外,电子管的栅流须很小(必须小于10\(^{-}\)11安)。因为栅流的存在,不但降低了输入阻抗,而且在信号电源的高内阻上产生一变化电压,使电路发生零点“漂移”。所以G1a和G\(_{1b}\),一般在低板压和低灯丝电压下工作较合适。因为栅流是由正栅流和负栅流二部分构成。为了减小正栅流,在灯丝电路中串联了一个2欧左右的电阻,使灯丝电压降到4伏左右。为了减小负栅流,把板压降低到约40~50伏。然而电子管工作在这种状态下,跨导很小,即灵敏度很低,不能用普通电表读数。因此采用第二级电桥电路放大。它工作在较高的电压下,得到较高的灵敏度。它是由电子管G2a、G\(_{2b}\)和电阻R6、R\(_{7}\)构成。灵敏度为500微安、内阻约250欧左右的电表接在这两管的板极之间。
电阻R\(_{4}\)与R5具有负反馈作用,一方面得到了良好的线性,另一方面栅流变化会变小,使电路工作更稳定。R\(_{6}\)与R7具有R\(_{4}\)与R5同样的作用。R\(_{8}\)一方面使两级直流放大器的阴栅两点电位很好地配合,另一方面这个电阻使第二级放大器具有推挽放大作用。
这种电桥放大电路,只要两个三极管特性相近时,电源电压的波动对读数影响不大。电路板极电源是由6Z4(6Ц4П)全波整流后,经充气稳压管CГ—4С稳压后供给。
仪器“零”位的调节由电位器R\(_{2}\)来完成。电位器R3是在仪器用标准缓冲液校准时作“定位”用。它将抵消一切与被测电位无关的电位。R\(_{1}\)起温度补偿作用。因为玻璃电极转换系数与温度有关,所以在测定时应将它调节在溶液温度值。
三、仪器刻度校正及使用方法
定点、画表面:仪器的面板见图5。开关S\(_{1}\)放在“停”位置,调节“零”位电位器R2,使电表指示于零。电表串接上一个电阻箱。仪器输入端用直流电位差计输入700毫伏电位,将S\(_{1}\)转到“测”,调节电阻箱阻值使电表指针满刻度偏转,然后每100毫伏定一个点,在二点之间等分10格,整个表面共分70格,因为测量范围为0~14pH,所以每格代表的pH值为0.2。

配测量范围:开关S\(_{1}\)在“停”的位置时,调节“零点”使电表指示于零,仪器输入端用直流电位差计输入零电位,将S1开到“测”,调节“定位”钮,亦使电表指示于零。然后把温度补偿器R\(_{1}\)阻值旋至最小,即在0℃时输入如下电位:
u\(_{0}\)=ξ0×14=54.2×14≈758.8mV,
调节电阻R\(_{9}\)(可暂时用电位器代替,调好后换入固定电阻),使电表满刻度偏转。然后再加入40℃时14个pH的电位数:
u\(_{4}\)0=ξ40×14=62.1×14=869.4mV,
调节R\(_{1}\)使电表满刻度偏转。记下R1的数值。然后将和R\(_{1}\)阻值相同的变阻器(或电位器)或用锰铜丝自绕变阻器换入。变阻器阻值在最小位置时刻为0℃,在最大位置时刻为40℃,等分40分,代表 0℃~40℃,刻上温度标记,即校验完毕。
仪器使用方法:仪器预热十分钟后,将R\(_{1}\)调至溶液的温度,将范围开关开至“pH”。S1在“停”的位置时,调节“零位”钮,使电表指示于零,将玻璃电极和甘汞电极插入标准pH值的缓冲溶液(一般为在25℃时pH4.01或pH6.86的二种)。S\(_{1}\)开至“测”,调节“定位”钮,使电表指示于标准缓冲溶液的pH值。再将S1开至“停”。仪器即校正完毕,然后可直接测定土壤溶液的酸度值。土壤溶液可以根据不同的要求用水或其他溶液提取。
四、几点注意事项
1.双三极管6N1的二半边三极管的特性应相近。
2.第一级电桥电路电子管座和S\(_{1}\)开关,应采用瓷质,并用有机硅树脂进行处理,否则在空气相对湿度大时易导致仪器输入阻抗降低。
3.G\(_{1a}\)栅极引线要短。测量时,仪器外壳应接地,否则会影响仪器工作的稳定性。
4.仪器应经常注意严格防潮,否则将使输入阻抗降低,测量误差加大。
5.玻璃电极在使用前应先浸泡24小时。
6.标准缓冲溶液的pH值一定要正确,且和试液的温度要一致,否则也将造成测量误差。(方建安)