在简易型半导体收音机里,一般最常用的再生电路如图1所示,在高频管的集电极上引出一个LC串联谐振回路(图中的L\(_{3}\)、C3),使L与输入调谐回路发生正反馈,即再生作用。

目前广泛采用的再生电路为一次调整后即不再变动的半可变再生。这种作法在使用上是方便的,收音时只需调整可变电容器的一个旋钮就可收听,不再反复调整控制再生的电容器。但是,由于再生是固定的,相应地也带来了问题,即再生度在整个接收波段之内的频率高端和低端不均匀,使灵敏度在高频端高,在低频端低。这样的再生度是不能调到高低端一致的。因此一般多是顾此失彼,难于控制,照顾了低频端的灵敏度,则高频端就要产生再生啸叫。反之,若照顾了高频端的再生稳定性,则低频端的灵敏度又将偏低。总之,要求全面顾到,很不容易。

是什么原因呢?由电路分析可知,这主要是由于再生回路的阻抗具有频率响应的关系引起的。一般再生回路的电容器(图1中C\(_{3}\)),多用4.5~20微微法的瓷介半可变电容器,而电感L3也只有4~5匝(绕在磁性天线上),约10至20微亨。LC再大,再生将不易控制。若C\(_{3}\)=15微微法,L3=10微亨,那么该回路的串联谐振频率约为13兆赫,设为f\(_{0}\)。它高于整个中波段535千赫至1605千赫的范围。因此,在整个波段之内,该回路都呈容性阻抗,如图2划线部分。在接收波段范围之内,频率越高,阻抗越小,电流越大,那么L3给输入回路的正反馈也就越大(正反馈量是随再生回路的电流增大而增大的),再生也就越强,灵敏度也就越高。反之,频率越低,则再生越弱,灵敏度也就越低。


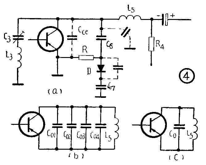
为了克服以上的缺点,可以采取以下措施。在电路上使高频阻流圈L\(_{5}\)对输入回路也产生一种再生作用,只要控制适当,它可以与上述再生起到相互补偿的作用,也就是使它对波段高低段所产生的再生恰与上述再生作用的不均匀性相反,它就对提高波段频率低端的灵敏度有利。电路可以这样来说明。高频阻流圈L5对高放来说,是一个主要的电感性负载,它与高频管集电极里的各种分布电容和回路电容,组成了一个不调整的并联谐振回路。这个回路的谐振点我们可以用控制L\(_{5}\)电感量的方法使它处于波段的低端以外而又接近波段低端的位置,如图3中f1。这样一方面在高放中对波段低端可以取得较波段高端为高的增益(因波段低端接近谐振点)。同时,L\(_{5}\)对输入回路的正反馈也成为波段低端强于高端。这两种作用使上述L3C\(_{3}\)所产生的再生不均匀性得到补偿,实际调整是很见效的。关于L5电感量的大小,若知道了谐振频率f\(_{1}\)(图3)和集电极回路里的电容,就很容易决定。这里,f1可以根据要求来选定,而集电极里的各种电容可以这样大致来估算:图4(a)是与集电极里各种电容有关的简化电路,其中L\(_{3}\)C3回路的有效电容约为15微微法,设为C\(_{0}\)1。L5对地的分布电容约为10微微法,设为C\(_{0}\)2。二极管D的极间电容约为1微微法,但同的存在布线和安装电容,总计约为5微微法。这个电容与C6(一般为几百至一千微微法)和C\(_{7}\)(一般为0.005至0.01微法)串联,结果仍为5微微法,设为C03。对高频管3AG11(П401)来说,其共发射极的输出电容C\(_{ce}\)约为15微微法,同时存在一些布线电容,总计约为20微微法,设为C04其等效电路如图4(b)。各种电容总计设为C\(_{0}\),则
C0=C01+C02+C03+C04=50微微法。
知道了总的电容,就可以根据选定的谐振频率f\(_{1}\),从而求得L5的大小了。设f\(_{1}\)=400千赫,于是
L\(_{5}\)(微亨)=\(\frac{25330}{f}\)1\(^{2}\)(兆赫)C\(_{0}\)(微微法)
=\(\frac{25330}{(0.4)}\)\(^{2}\)×50≈3.16毫亨
实验证明,L\(_{5}\)的电感量在2.5至3.5毫亨是适宜的。再小会使高放负载降低,影响高放增益,同时造成谐振点移向波段之内,将影响对波段高低端的补偿。再大则f1又偏低,也将使L\(_{5}\)对波段低端的再生补偿作用减弱,也不理想。
线圈L\(_{5}\)的结构及制作方法如下:

结构尺寸见图5。导线用直径为0.11毫米(41号)的单丝漆包线,绕组为蜂房式,折弯系数为2,分两段,共绕620匝,每段310匝。两段按同一方向连续绕,中间不切断。骨架为空心,材料可用聚苯乙烯、有机玻璃或胶木质的都可以。线圈制成后,应浸蜡防潮,以保证性能的稳定。

再生调整的程序,在线路布局上设法使L\(_{5}\)与L2发生电磁耦合。可以这样来实现:使L\(_{5}\)与磁性天线的轴向垂直(图6),并在底板上开一条长孔,使L5沿长孔移动,以改变它与L\(_{2}\)之间的耦合程度,借以调整波段低端的再生。此时调谐可变电容器C1应置于大容量位置,即动片大部分进入定片,或在波段低端接收一个电台,如中央台640千赫,一面移动L\(_{5}\),一面微动调谐电容C1,使信号强度提高但不发生再生啸叫,最好控制到稍低于临界自激点,以保证再生的稳定。然后,调整波段高端的再生。首先将可变调谐电容C\(_{1}\)置于小容量位置,即动片大部分露出定片,或在波段高端找一个电台,一面微调再生电容C3,一面仔细调谐可变电容C\(_{1}\),也使信号提高但不发生再生啸叫。同时电容C3最好也控制在使再生低于临界点。以上两个步骤反复调整二、三次,至合适为止。最后用螺钉或胶将L\(_{5}\)位置固定。此外,装接时还应注意再生的正负。假定L3C\(_{3}\)接法正确起到再生作用,对于L5所产生的再生,可用颠倒L\(_{5}\)的两个线头来识别,接对了,为正再生,灵敏度高,声音大。反之,则为负再生,灵敏度反而降低,差别是很明显的。(青央)