一、什么是负反馈
把一个放大器的电信号,从放大器的输出端送还到输入端,这个过程叫做“反馈”。如果反馈到输入端的信号与输入端原有的信号相位一样,即是起增强输入信号的作用,这叫做“正反馈”。再生式收音机是大家所熟悉的最典型的正反馈实例,加了再生(正反馈)之后,声音大了,灵敏度高了。反之,如图1所示,若反馈的信号与输入信号的相位相反,即反馈信号起着削弱输入信号的作用,因而使放大器的放大量减小,这就叫做“负反馈”。

负反馈虽然使放大器的放大量减小,但它却有减小失真、改善音质、压低噪音,以及避免由于收音机布线、结构不合理等而引起的自激啸叫等好处,而且电路简单容易实现。
二、负反馈减小失真
收音机音质方面有一个重要指标,即失真不大于百分之几。什么是失真呢?例如本来人家诗歌朗诵得有声有色,但用不好的收音机听起来却平平淡淡,该强的不强,该弱的不弱,这就叫失真。
负反馈怎样减小失真呢?请看图1,大方块代表一放大器。假定在未加负反馈之前:
第一次 输入0.1伏 放大10倍 输出1伏
第二次 输入0.5伏 放大8倍 输出4伏
两次输入相差5倍,而两次输出相差4倍,说明有了失真。假定采用了负反馈电路,把放大器输出端电压的1/20送到输入端,那么将出现下表所示情况:
第一次 反馈电压 输入—反馈 放大10倍 输出0.5 伏
0.05伏 =0.1—0.05
=0.05
第二次 反馈电压 输入—反馈 放大8倍 输出2.4伏
0.2伏 =0.5—0.2
=0.03
两次输入仍相差5倍,而两次输出变成相差4.8倍,基本上能反映输入信号的情况,失真很小。

下面我们举一个实例来说明负反馈在半导体收音机中的应用。图2所示为一半导体收音机的末级低频放大器,我们注意到R\(_{3}\)上没加旁路电容器。在本刊1964年12期半导体知识栏曾谈到这个电阻有直流负反馈作用,可用来稳定工作点,即当集电极电流增加时,发射极电流Ie当然也增加,于是R\(_{3}\)上的电压IeR\(_{3}\)增加,因此b、e两点间的电压减低,从而使发射极的注射减小,Ie减小,抵消了反向饱和电流I\(_{co}\)的增加,使Ic稳定,从而稳定半导体管的工作点。
当R\(_{3}\)上并联有旁路电容器时,发射极e可看作交流地电位,即无交流负反馈。但在图2中R3没加旁路电容器,情况就不一样了,当交流电流流过R\(_{3}\)时,在R3上同样会形成交流压降,此交流压降起着削弱b、e间输入信号的作用,也就是有了交流负反馈,使该放大器的失真大大改善,显然R\(_{3}\)的阻值越大,负反馈愈大。但负反馈会降低放大量,所以不宜太大,R3的阻值以几欧或十几欧为宜,不能过分追求减小失真而把放大量降的过多。

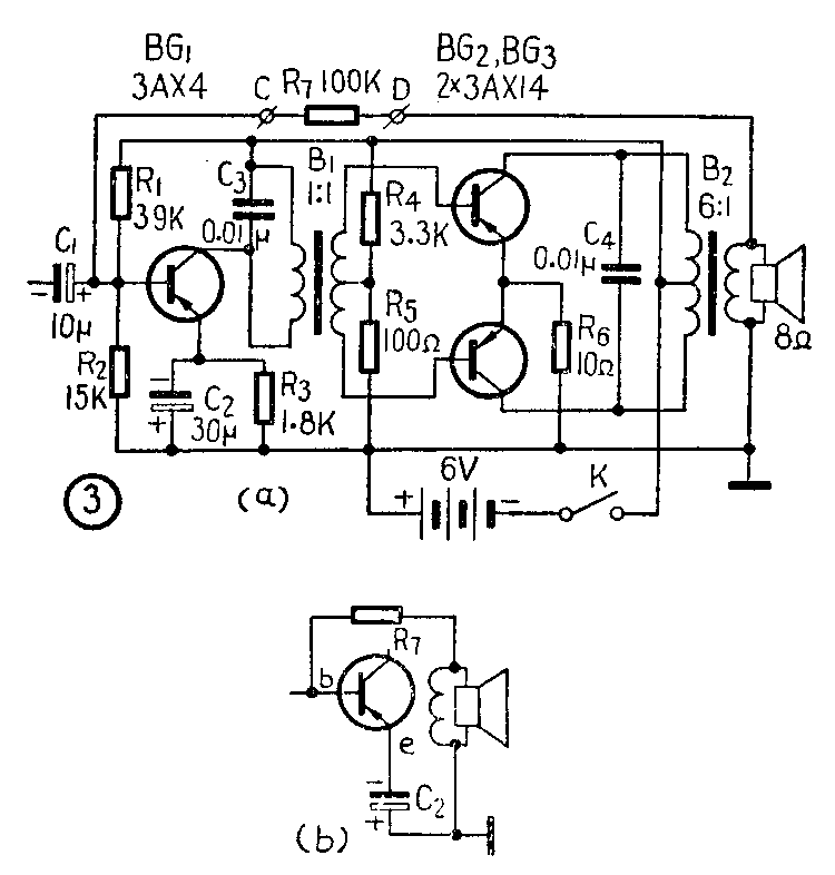
图3中有两处加了负反馈。这是一个半导体收音机的最后两级低频放大电路。C\(_{2}\)用来旁路R3,使其无交流负反馈。同样道理,R\(_{6}\)因没有加旁路电容器,也有交流负反馈作用。此外电阻R7是一负反馈电阻,它把输出给扬声器的电压,经过R7送到两级放大器的输入端,以形成负反馈。反馈电路可单独画出来,如图3(b)。C\(_{2}\)对音频电流的容抗很小可看为短路,所以负反馈电压的大小就决定于电阻R7和末前级半导体管的输入电阻的分压比。如输入电阻为1K则分压比约六百分之一,即把扬声器音圈电压的百分之一反馈到输入端。显然R7愈小,反馈就愈强,放大量降低得就愈厉害。调节R\(_{7}\)就可以改变反馈的大小(或叫反馈的深度)。R7的阻值一般用几十千欧到几百千欧,原因是通过两级放大后,输出电压比输入电压大几十倍,只要把输出电压的百分之一反馈回来就已经很大了。
调整时应该注意,由于信号通过两级放大和两个变压器,随便接一下不能保证得到负反馈,由于负反馈降低放大量,若接入R\(_{7}\)后比没有接入前声音增大,则说明接反了,不是负反馈而是正反馈,只要将输入变压器的初级线圈或输出变压器的次级线圈的两个头换接一下就行了,即利用变压器倒相,把正反馈变成负反馈。
也可以把反馈电阻R\(_{7}\)的一端从输出变压器的次级换接到初级,如注意以下问题同样可得到负反馈,因为输出变压器是降压的,初级电压比次级高,故欲保持一样的负反馈量,必须增大电阻R7的阻值,如变压器的变比是6,则R7应增大6/2=3倍,即用300千欧,就可保证两种接法效果一样,电路接法见图4。

三、负反馈改善音质
人们说话的声调有高低,唱歌又有男低音与女高音等之分,与这些声音相对应的是不同频率的信号。半导体收音机的低频放大器必须对不同频率的信号都给以同样倍数的放大,经过放大后才能保持原来的声音不走样,听起来才悦耳。但是半导体管放大器做不到这一点,它只能保证300赫到3500赫范围内的音频信号有差不多一样的放大倍数,对于频率再低或再高的信号则放大能力很小(参看图5)。结果女高音听起来不够清脆,男低音也不够丰满。为了改善音质,往往在低频放大部分加负反馈。

负反馈改善频响的道理和前面谈到的改善失真的道理一样。如在放大器未加负反馈前对1000赫的信号放大量大,而对4000赫的信号放大量小。我们可以在负反馈电路中采用对不同频率有不同反馈量的元件,例如针对上例,我们使用对1000赫信号反馈量大而对4000赫信号反馈量小的元件,结果总起来不管4000赫还是1000赫的信号经过放大器都将放大到差不多一样大。这就使放大器的所谓“频率响应”得到改善,声音就好听了。

下面再举实例来说明:如果把图3中C、D两点间的负反馈电阻R\(_{7}\)用图6所示的反馈网络代替后就能起控制反馈量的作用。由于电容是与频率有关的元件(对高频电流的容抗小,而对低频电流的容抗大,即高频电流容易通过电容)。电位器处在不同的位置时,高低音频的反馈量就不同,当电位器旋至B点时,22K电位器和51K电阻串联构成低音频电流反馈通路,反馈量小;而0.1微法电容和51K电阻串联构成高音频电流反馈通路,反馈量大,因此压低了高音,相对的提升了低音。当电位器旋至A点时,电容器短路,此时电容和电位器都不起作用了,高、低音反馈路径一样,相对于前一种情况,高音丰富了。电位器从B点移向A点的过程中,音调从低到高得到连续的调节。不过这种简单的音调控制电路有一个缺点,即对收音机的音量和失真指标有影响。
四、用负反馈控制音量

收音机中的自动音量控制也是利用负反馈的作用。一种简单的自动音量控制电路如图7所示,前面是中放级,后面是检波级。检波所得的直流分量通过R,C的滤波作用加到中放管的基极,如果二极管的极性选择合适,使检波后从电位器上得到的直流电压与原来中放管固定偏压的极性相反,便有负反馈存在,能起到自动控制音量的作用。当外来信号太强时,电位器上的直流电压大,反馈大,放大后的信号被削弱了;反之当外来信号小时,电位器上的直流电压小,反馈量少,信号增强,从而达到自动音量控制的目的。其他类型的自动音量控制也都是利用负反馈的道理。
五、用负反馈压低噪音

在图8的电路中,我们如果在放大器的基极和集电极之间跨接一个电容器,它一方面可以起到音调控制作用(因为电容对高音频电流容抗小、反馈大;而对低音频电流容抗大,反馈小),压低高音而使低音得到相应的提升。另一方面可起到压低噪音的作用,大家知道半导体管比电子管噪音大,据分析半导体管的噪音频率在5000赫附近最严重,如果我们所加电容是0.01微法,可以算出它对5000赫的容抗是2千欧,即相当于在集电极和基极间跨接一个2千欧的负反馈电阻,对噪音产生很深的负反馈,放大量很小,起到压低噪音的作用。
另外如果我们在图3(a)中反馈电阻R\(_{7}\)上并联一个数千微微法的电容,也可以起压低噪音作用,因为电容对频率较高的噪音容抗小,负反馈量大。(露天)