本刊过去曾介绍过双耦合回路鉴频器。双耦合回路鉴频器的优点是传输系数较高,非线性失真较小,但输出的音频信号电压振幅除了随调频信号的频偏而变化外,还与调频信号的振幅有关,当调频信号有寄生调幅时,就会产生失真。因此需要在鉴频器前面加一个限幅器,这样便增加了设备的复杂性。若采用比例式鉴频器便可以克服这个缺点,因为它同时具有鉴频和限幅的能力。

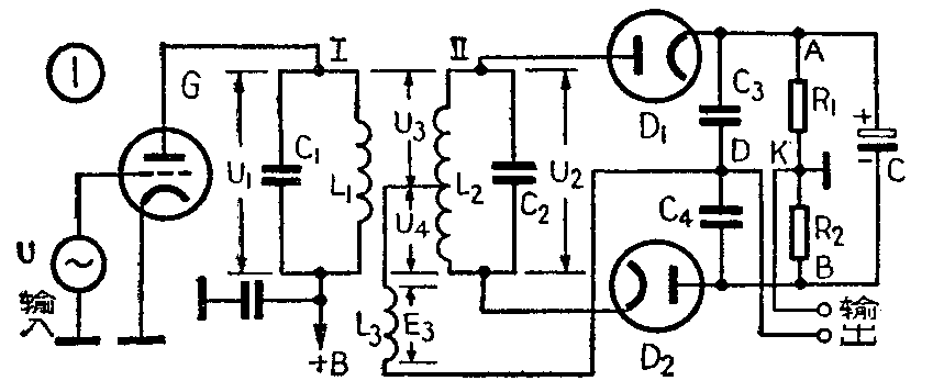
比例式鉴频器电路如图1所示,它和双耦合回路鉴频器有些相似。图中电子管G是作中频放大器用的。回路Ⅰ与回路Ⅱ都调谐于调频信号的中心频率(这里就是经过变频后的中频频率)。在AB两端并联了一个容量很大的电容器C,电容C与电阻R\(_{1}\)+R2组成大的时间常数,通常为0.1~0.2秒,这样在检波过程中AB两端的电压基本上保持不变。图中R\(_{1}\)=R2,C\(_{3}\)=C4。为了使直流有通路起见,两个二极管D\(_{1}\)和D2反接由DK两端输出。
为了说明工作原理,我们先分析一下二极管D\(_{1}\)和D2的高频电压是怎样加上去的。
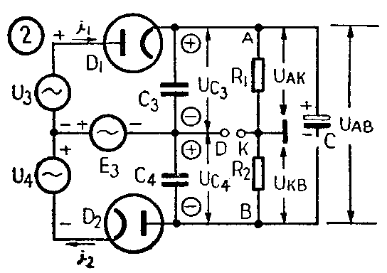
当调频信号加到回路Ⅰ时,在L\(_{1}\)两端就产生一个信号电压U1,由于L\(_{2}\)和L3与L\(_{1}\)相耦合,所以在次级线圈L2和L\(_{3}\)两端分别产生一个电动势E2和E\(_{3}\)(图中未画出E2),在次级回路中L\(_{2}\)和C2组成一个串联谐振回路,E\(_{2}\)所产生的电流在L2上产生的电压降为U\(_{2}\)。L3是接在L\(_{2}\)的中点,因此,L2两端电压U\(_{2}\)分为U3和U\(_{4}\)两个相等的部分(U3=U\(_{4}\)=U22)。E\(_{3}\)和U3、E\(_{3}\)和U4分别加到二极管D\(_{1}\)和D2上,其等效电路如图2所示。对高频信号而言,电容C\(_{3}\)和C4的阻抗很小,可以看成短路。这样由图2可以看出,加到二极管D\(_{1}\)屏、阴极间的电压是E3和U\(_{3}\)的代数和,加到D2屏、阴极间的电压是E\(_{3}\)和U4的代数和。假定E\(_{3}\)和U2的瞬时电压方向如图中所示,可以看出,加到这两个二极管上的电势E\(_{3}\)是反相的,而U3和U\(_{4}\)是同相的。因此加在二极管D1上的电压为U\(_{D1}\)=U3+E\(_{3}\),而加在D2上的电压为U\(_{D2}\)=U4-E\(_{3}\)。

E\(_{3}\)和U2是存在着一定的相位差的,当调频信号的频率随音频而变化时,它们之间的相位关系也会发生变化,因而加在二极管D\(_{1}\)和D2上的总电压也将改变。下面我们分三种情况来分析这种变化情况以及音频信号是怎样被检出来的。
(一)当调频信号的频率等于中心频率(频率没有偏移)时,即回路Ⅰ和回路Ⅱ处于谐振时的情况。我们假定E\(_{2}\)和E3的相位相同(如果相位相反,结果也是一样)。
当回路Ⅱ处于谐振的情况下,回路呈现纯电阻性。这时E\(_{2}\)在回路Ⅱ中产生的电流I2与E\(_{2}\)的相位相同。当I2流过线圈L\(_{2}\)时,就在L2上产生一个电压U\(_{2}\),因为电感线圈上的电压是超前于电流90°的,所以U2的相位比I\(_{2}\)或E2超前90°,也就是比E\(_{3}\)超前90°(见图3a)。U3与U\(_{4}\)的相位就是U2的相位,因此我们可根据这些相位关系面出U\(_{D1}\)=U3+E\(_{3}\)曲线如图3b所示。由于UD2=U\(_{4}\)-E3,所以把E\(_{3}\)移动180°,即反相与U4相加,就能绘出U\(_{D2}\)曲线,如图3c所示。

在U\(_{D1}\)的正半周时二极管D1通流,在U\(_{D2}\)的正半周时D2通流,由图中可以看出U\(_{D1}\)和UD2是大小相等的,因而它们所产生的两个脉冲电流i\(_{1}\)和i2的振幅相等。当C\(_{3}\)和C4的容量相等时,它们都将被充电到具有相同的电压,即U\(_{C3}\)=UC4。电压的符号如图2中所示。因为R\(_{1}\)=R2,故在电阻R\(_{1}\)上的电压UAK和电阻R\(_{2}\)上的电压UKB是相等的。所以在输出端DK两点之间没有电位差,也就是输出电压U\(_{DK}\)=UC3-U\(_{AK}\)等于零。
(二)当调频信号的频率升高(高于中心频率)时,回路Ⅰ和回路Ⅱ都处于失谐状态。回路Ⅱ中L\(_{2}\)和C2串联的阻抗呈电感性,因此电势E\(_{2}\)与它产生的电流就不同相了,而是电流I2落后于E\(_{2}\)(也就是落后于E3)一个角度(见图4a)。电流I\(_{2}\)流过L2,同样在L\(_{2}\)上产生一个比它超前90°的电压U2结果是U\(_{2}\)超前于E3一个小于90°的角度。根据这样的相位关系画出U\(_{D1}\)和UD2的曲线如图4b、4c所示。由图可见,这时加到二极管D\(_{1}\)的总电压UD1大于加到二极管D\(_{2}\)的总电压UD2。因此,这时的脉冲电流i\(_{1}\)将大于i2。这样U\(_{C3}\)将大于UC4。由于电容器C的容量很大,AB两端电压U\(_{AB}\)基本上保持不变。既然UAB没有改变,电阻R\(_{1}\)和R2上的电压U\(_{AK}\)和UKB也不会发生变化。K点的电位保持不变,而D点的电位却发生了相对的变化,因此输出端就出现了电位差。U\(_{DK}\)=UC3-U\(_{AK}\)是一个正的数值。

调频信号的频率向升高的方向偏移越大,回路失谐愈严重,I\(_{2}\)落后于E2的角度愈大,而U\(_{2}\)超前于E3的角度就愈小,这样就会使U\(_{D1}\)愈大而UD2愈小,鉴频器的输出电压也就愈大。
(三)当调频信号的频率降低(低于中心频率)时,回路Ⅰ和回路Ⅱ将处于另一种失谐状态。这时信号频率低于回路的谐振频率,回路的容抗大于感抗,L\(_{2}\)C2的串联回路呈电容性,电流I\(_{2}\)的相位超前于电势E2(也就是超前于E\(_{3}\))一个角度(见图5a),而电压U2的相位是超前于I\(_{2}\)90°,结果U2比E\(_{3}\)超前的角度大于90°。根据图5a的相位关系画出的UD1和U\(_{D2}\)曲线如图5b、5c所示。由图可见,UD2大于UD1,这时通过二极管的脉冲电流i2将大于i\(_{1}\)使UC4大于U\(_{C3}\)。但这时UAK和U\(_{KB}\)的数值仍保持不变,因此鉴频器输出端DK之间的电位差UDK=U\(_{C3}\)-UAK为负值。频偏愈大,输出的电压也愈大。

综上所述,当调频信号的频率随音频信号的规律变化时,就使得E\(_{3}\)和U2的相位关系发生变化,从而分别使加到二极管D\(_{1}\)和D2上的总电压也发生变化,使电容C\(_{3}\)和C4上的电压发生相对的改变,而在鉴频器输出端得到和原来音频信号变化规律相同的电压输出,调频信号中的音频信号就被检出来了。因为这种鉴频器的输出电压是由电容器C\(_{3}\)和C4上电压的相对比值所决定的,所以称为比例式鉴频器。
现在我们再来看比例式鉴频器为什么会有限幅的能力。假如输入鉴频器的调频信号振幅突然增大,在次级回路中的U\(_{2}\)和E3也必同时增大。这样使U\(_{D1}\)和UD2都增加,U\(_{C3}\)和UC4也就同时增长。而鉴频器输出端的电压是由U\(_{C3}\)和UC4的差值决定的,受调频信号振幅变化的影响就很小。因此使用比例式鉴频器时,可以省去限幅器。当然比起双耦合回路鉴频器加上限幅器时,抑制效果会差些,但从经济效果来看,比例式鉴频器要优越得多。
此外,这种鉴频器的非线性失真较小,传输系数也比较高,所以在现代的中级调频接收机、电视接收机的伴音部分和一些自动控制系统中常使用它。
最后需要说明,当输入的调频信号振幅有较长时间的变化,或由于电波传播不稳定以致信号强度有比较慢的变化时,在AB两端并联的电容器C的电容是要变化的,因而对鉴频器输出电压会有影响。这时,比例式鉴频器不能加以抑制,还需要加装自动增益控制装置。(曲融)