有些自来水管路,由于埋设资料不全,当发生漏水故障时,只好根据经验挖掘,甚至乱刨乱挖,往往找一根管子要化很长的时间和很多的劳动。为了改变这一情况,我们制做了“半导体控管仪”,它具有构造简单,携带方便等特点,能准确地测出地面下1~1.5米深的金属管路的位置和走向。这样就消除了乱挖乱刨现象,提高了工作效率。另外“半导体探管仪”也能用于寻找其它金属管路,如煤气管路,电缆等。
探管仪由信号发生器和接收器组成,当信号发生器及接收器同时位于管路的上方,当线圈轴与管路走向垂直时,借金属管路的耦合,在20米的范围内,接收器可以收到信号发生器发出的信号,若接收器不在管路上时,就收不到信号。根据上述接收信号的有无现象来判断管路的位置。
信号发生器的电路见图1。用3AG1高频小功率管组成共基极振荡电路。为使半导体管的工作点稳定,集电极和发射极分别由两组电池供电,即两节9伏迭层电池和两节二号电池。振荡线圈是用27号纱包线在图3的本质框架上绕20圈,在10圈处抽头,接到电容器C\(_{1}\)。调节可变电容器C3, 使振荡频率处在300千赫左右。

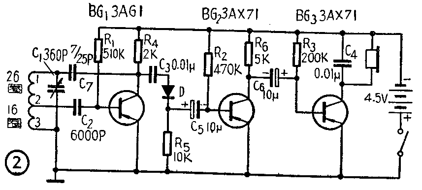
接收器电路见图2,实际上它是一个三管再生式收音机电路,只是接收频率调谐在300千赫而已。

同信号发生器一样,BG\(_{1}\)选用了高频三极管3AG1,其它型号的高频管如3AG4,3AG11~14等亦可使用。耳塞机可选用636型阻抗为800欧的一种,接收线圈和发生器的线圈一样,也是用27号纱包线在图3的框架上绕线,不过圈数是42圈,在16圈处抽头,接在电容器C2上。

在使用以前,接收器的再生电容C\(_{7}\)必须调到合适的一点,使接收器产生再生振荡。把发生器靠近接收器,使其间有较好的耦合。调节调谐电容C1,在谐振频率接近于发生器的振荡频率时,在耳塞机就可听到再生啸叫声。挪开信号发生器时,啸叫声就消失。
在寻找管路时,先把信号发生器放在管路的已知部分(如水龙头,水表,截门等如图中的A点)上,使振荡线圈平面与管路平行。把接收器放在距发生器有一段距离的B处。此时接收器的线圈应与发生器的平行,以使发生器和接收器的线圈与水管在同一垂直剖面上,以便有很好的耦合。如果接收器恰在水管上方,在耳机中就可听到再生啸叫声,顺着管路找下去,有管路时,就可听到啸叫声,离开管路便听不到啸叫声。这样接收器走过的路线,地下就是管路。如果接收器查至D处,离发生器有20米,耳机内的啸叫声很弱或听不到时,可把发生器移至接收器走过的路线C处,此时耳机内啸叫声加强,又可继续查下去,如此反复,一直查到管路终点。若发生器已移至C处,而接收器查到E处离发生器还不到20米就听不到啸叫声了,则表明管路不是终了,就是在此处拐弯了。此时可将接收器在E处附近慢慢移动,如到F处时又听到啸叫声,则说明管路在此拐弯,于是又可继续查下去,直至把管路弄清楚为止。(朱光鹏)