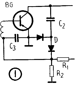
问:在再生来复式检波电路(如图1)中, C\(_{2}\)的电容量有的收音机用100微微法,有的用4700微微法,相差很多,应当用多大的为合适?又 C3的电容量,实验表明,从0.OO1微法到0.02微法没有很大差别,究竟应用多大的才好?

答:图中 C\(_{2}\)以用100微微法较为合适。它在电路中的主要作用是将半导体管BG放大所得的高频信号耦合到倍压检波器。但相反地,我们却不希望它将放大后的低频信号再送到检波器上。100微微法的电容在1000千赫处的容抗为1.6千欧左右,而倍压检波器的输入阻抗(当R2为50千欧时)约为10千欧,故对检波器的影响不大。但这时音频信号却无法通过 C\(_{2}\)再进入倍压检波器,因为100微微法在2000赫时的阻抗高达800千欧左右。如果换用4700微微法,这时对2000赫的音频信号来说,阻抗降低为16千欧,就有可能使一部分音频信号再整流进入半导体管,因而会产生反调制,加大信号的失真。
C\(_{3}\)在电路中起耦合高频信号的作用。天线所得的信号通过天线回路耦合到次级,然后利用 C3将这感应所得的信号全部交给半导体管的输入结。另一方面, C\(_{3}\)也是检波负载的旁路电容,对接收一般的调幅信号来说,R2、 C\(_{3}\)的乘积(即检波时间常数)应为 0.05毫秒左右。今R2一般为50千欧,故 C\(_{3}\)应为0.001微法左右。满足第一个要求的容量要求不严,所以一般情况下, C3只要选择在0.001微法左右就可以了。
问:来复再生倍压检波级的工作电流,以调到多大为合适?过大过小有些什么缺点?对半导体管有些什么要求?
答:来复再生倍压检波级用的半导体管以采用合金扩散型的高频管为宜,要求截止频率大过15兆赫,如国产3AG11、3AG12、3AG1等管均合用。挑选管子时最好选用β值大于30的。β值大些,增益就会高些。但也无需用β为150以上的,因为β值太大的在这里工作反而不稳定。
工作点一般调在1毫安左右,过大则半导体管杂音会增大,另外它的输入阻抗急剧下降,会严重影响选择性造成串台。但也不要过小影响增益。半导体管的工作点并不是固定不变的,地区不同、收音环境不同、管型不同、电路上的差异等,都会使工作点有所差异,可在规定范围内通过试验选定。(以上范思源答)
问:各种电表的表盘上常标记着一些符号,它们各表示什么意思?
答:这些是表示电表特性的标志,常见的如下:~-交流(电表),- —直流(电表),交直流两用(电表),绱牛ǘ┦剑诺纾ǘΓ┦剑怪狈胖茫椒胖茫阈60度放置,稻2千伏试验,V-误差±2.5%,圆圈内的数字表示误差等级,分为0.2、0.1、1.0、1.5、2.5等五级。
问:我们偶然发现一个现象,就是将耳机的振动铁片取去,仍然能够听到轻微的播音,这是什么原因?
答:这是耳机里的永久磁铁和线圈盒之间松脱,没有紧固好,因而有音频电流通过线圈时所产生的磁场,使磁铁随着音频振动发出声音。(以上徐疾答)
问:一台钟声810型磁带录音机,开机时转速较慢,需半小时后才能正常运转,是什么原因?
答:转速不正常,主要是传动机构受阻引起的。一般都是电动机轴承和主导滚轴等积有油污杂质,或发生干涩所致。处理方法可用四氯化碳擦洗干净后,重新加些润滑油。另外应注意电源电压需保持额定值,降低不超过5伏。
问:同上录音机,倒转卷带起始正常,当磁带卷入一部分后,速度显著变慢,是什么原因?怎样修理?
答:倒转卷带失常,主要是倒转传动部件的故障。应检查供带盘转动是否灵活或有否缺油现象,并注意倒带传动轮应与供带盘摩擦良好。边缘摩擦部分必须清洁,否则容易打滑。(以上毛瑞年答)