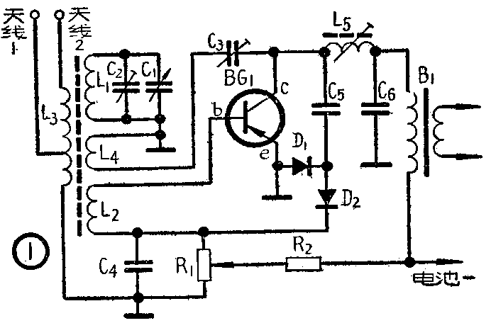
“百灵”4-62-1型普及型半导体收音机调节音量的方法是如图1,将音量控制电位器接在高效管的基极回路中,利用调节电位器R\(_{1}\)以控制高放管BG1集电极电流,即控制该管的放大能力,同时也间接地起着调节再生的作用。这种电路接法,在爱好者制作的收音机中采用的也很多。其优点是①因环境温度变化或更换新电池引起再生啸叫时,可以随时调节(将R\(_{1}\)略开小些)消除;②收听远地电台的微弱信号时,可以尽量开大R1至再生临界点,随时取得最高的灵敏度和音量。但是它也有缺点,就是电位器R\(_{1}\)要通过直流电流(BG1基极电流,经R\(_{1}\)至接地点和经二极管D1、D\(_{2}\)至接地点电流,所以调节音量(即旋动R1)时会有严重的“擦擦”杂声,机器使用久了,故障更严重,虽然将电位器换新,也难以彻底消除,而且使用不久强烈的杂声还要出现。

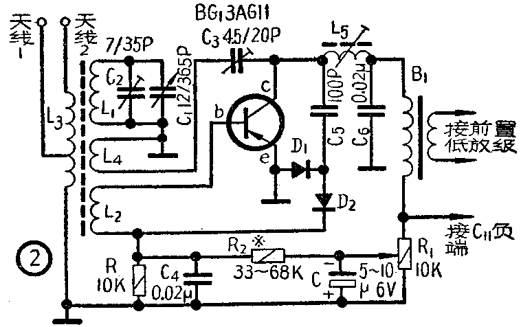
我们在修理许多这种收音机时,曾对该电路加以改进。如图2所示,将原电路中的电位器R\(_{1}\)移至偏流电阻R2的右方,并在R\(_{2}\)两端对地分别接入一只电阻R和一只电容器C,使C4、R\(_{2}\)和C组成一个п型滤波器。这样当旋动R\(_{1}\)时所产生的杂音电流,就会被该滤波器滤掉,使杂音消除。

改装时偏流电阻R\(_{2}\)一般不必更动。但是,固定再生在整个中波段中的反馈强度是不很均匀的。接收远地电台时,只有将再生调到啸叫将起未起的临界点,才能有满意的音量。为此,我们将R2的阻值减小,使BG\(_{1}\)集电极电流调至2毫安为准,同时将R1开至9/10处,调节再生电容嚣C\(_{3}\)至刚好出现再生叫声时为止。这样,当电池用久电压降低时,就将R1开至最大,可保持正常收音,并使电池得到充分利用。
经过这样改装的机子,效果良好,大家不妨一试。(梁克昌 邢书东 姚桓)