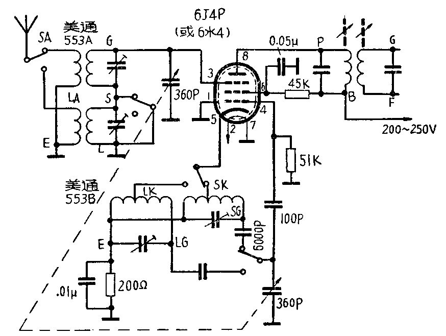
6J4P(或铁壳的6Ж4)管是锐截止式宽频带高频电压放大五极管。如须将它变通作为变频管使用,可按下图所示电路连接使用。由于它的跨导较高(9.0毫安/伏),用作变频的效果也很好。

这种管子也可以用在一般收音机中的高频放大或中频放大电路里,按法和用6K4、6J1等电路相仿。用时管子的第三栅(即第3脚抑制栅)应在管座上与阴极(第5脚)相连。阴极电阻不要小于160欧。帘栅极的降压电阻可选用45千欧。
在如上使用时,它的缺点是不能加接自动增益控制。此外,它是大八脚管,一般收音机改装用它时需要改换管座,底板上还要加大开孔。如果开大洞口不方便,可以将管座用支脚架撑在底板上面接用。(陈正清)