业余爱好者要想装配一架简单的交流收音机,以满足一般收听,再生式这种电路程式仍然是很好的。这种程式的收音机不论在装配还是调整方面都比超外差式的简便得多。
这里介绍一架用三只小型电子管装成的再生式收音机。它的电气性能指标能够达到国家规定的四级收音机标准:灵敏度500微伏;近波道选择性(±10千赫) 15~20分贝以上;输出功率大于0.5瓦;耗电量约20瓦。声音也还宏亮,普通家庭使用比较理想。
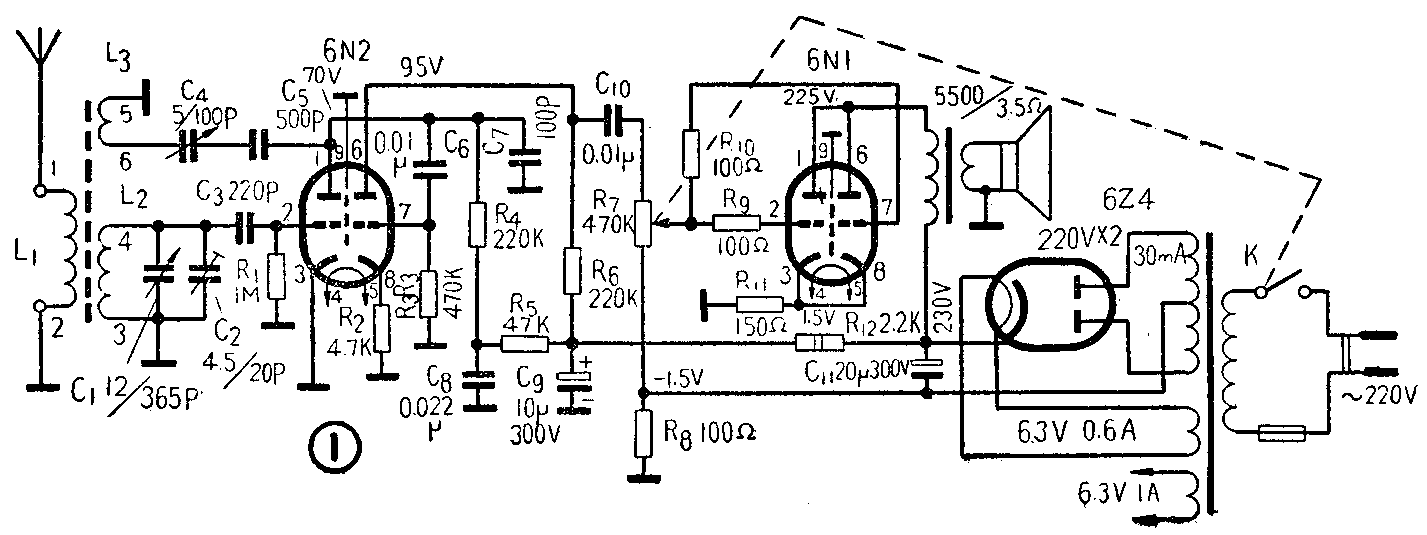
本机采用一只高μ双三极管6N2,其中一个三极部分担任栅极检波和高频再生放大,同时还起音频电压放大作用;另一三极部分担任电压放大。一只中μ双三极管6N1并联使用,担任功率放大。一只全波整流管6Z4做全波整流。电原理图如图1。

天线采用磁性天线或外接天线。磁棒采用φ10×70毫米或φ10×100毫米的。将各线圈绕在内径φ11毫米、长30毫米的塑料管或纸管上,再套到磁棒上。由于采用磁性天线,比用空气心线圈或调感线圈要优越得多,从而改善了收音机的灵敏度与选择性。绕法、圈数及导线线径见图2及附表。

附 表
线圈 圈数 绕法 线径
L\(_{1}\) 10 密绕 φ0.12mm
L\(_{2}\) 56 蜂房(或乱绕)φ0.12mm
L\(_{3}\) 20 密绕 φ0.12mm
为了防止再生电容器C\(_{4}\)带电,在再生电路中串接了一只500pF电容器,它的电容量大小可在200~1000PF之间选取,但在耐压方面要可靠,一般可选600伏的,以防高电位端外露电人,或与地端短路烧毁机件。
音量控制是控制功率放大级的栅漏电阻,若控制电压放大级的栅漏电阻,如果电位器的质量稍次,调节时则会产生明显的磨擦噪声。
电子管6N1并联使用做功率放大级有许多优点:
1.输出功率适中,约0.5~1瓦。配用口径φ130毫米、标称功率1伏安的电动式扬声器很合适。
2.两个三极部分并联后,其互导率为一个三极部分的两倍,达到8.7毫安/伏。我们知道互导率的大小是标志功率放大管的品质高低的重要指标之一。从而提高了本放大级的灵敏度。
3.降低屏负载电阻到一个三极部分的一半。经过实验在使用一个三极部分作功率放大时,屏负载电阻以选用初级交流阻抗11千欧时,输出功率与非线性失真两者可以兼顾。因之,并联后可以直接用初级交流阻抗5.5千欧的配合输出管6P1用的输出变压器作负载,这种变压器是很普遍的。
4.耗电较省,本级耗电约7瓦,而6P1约为12瓦。
按照本电路装好的功率放大级栅偏压约4.5伏,其中自给偏压2.5伏,固定偏压2伏。由于本级采用电流负反馈电路,再加上电压放大级也采用电流负反馈电路,不仅节省两只电解电容器,还使整机的非线性失真与频率失真都能得到改善。如果嫌高音频过强,可在输出变压器的初级线圈上并联一只电容量0.001~0006微法或更大一些的电容器,可根据需要选择。
元件布局除注意磁性天线棒的位置应该与金属件、扬声器磁体尽可能远离在10厘米以上,支架要用硬质塑料或有机玻璃、胶木板制作以外,其他无何特殊的要求,视个人的条件安排。当然要防止屏栅耦合,保证通地良好。
整机装成后,先插上电子管6N2与电子管6N1,接通电源视其灯丝燃亮后,再插整流管6Z4。然后,先将电位器开到音量最大位置,调整再生电容器,如不起再生,应检查是否再生圈L\(_{3}\)反接,如再生过强或不足,应适当地增或减L3的圈数,以调谐电容器C\(_{1}\)全部旋出、再生电容器C4旋出1/2到1/3时再生量达到临界为度。
然后调整频率范围,可用售品刻度盘在高、低两端找出两个电台播送的节目来进行。低频率端调整L\(_{2}\)的圈数及L2在磁棒上的位置,大约以L\(_{2}\)的一端与磁棒的一端距离20毫米为宜。高频率端调整补偿电容器C2。
由于在使用时不必接长天线及地线,同时电子管6N2的功率很小,所以调整再生时,对附近的接收机不会造成干扰。
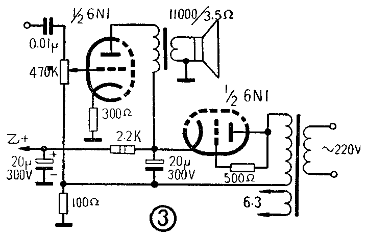
此外,若将功率放大级与整流级改装成如图3,即成为两灯机。

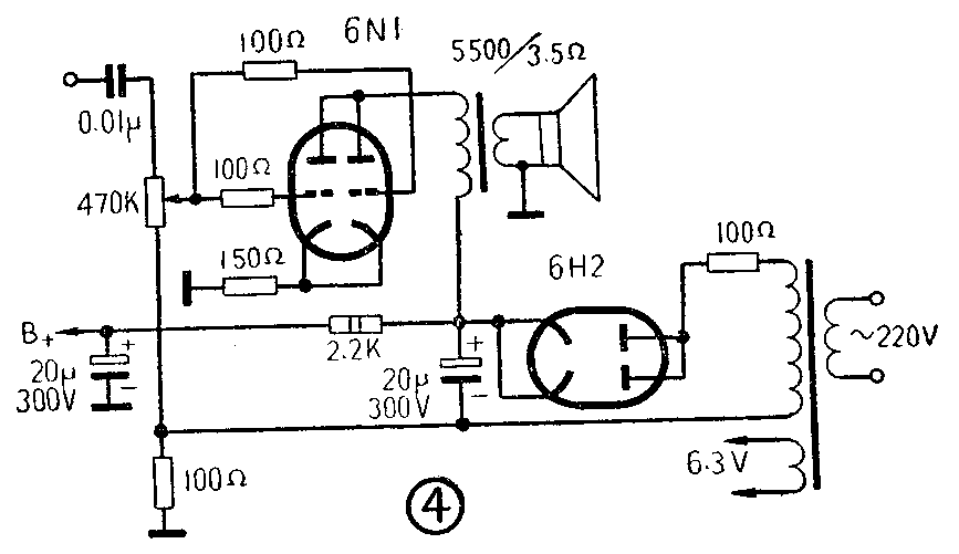
也可以用双二极管6H2作半波整流来代替6Z4,这时耗电可以比6Z4省2瓦多,但使用寿命不及6Z4,只可作权宜措施,电路为图4。

电源变压器可采用售品三灯全波(或半波)电源变压器。不宜直接以高压市电整流,以防人身触电事故。自制可采用D41或D42号EI28型硅钢片迭厚32毫米作铁心。用厚0.5毫米青壳绝缘纸作线圈架。先绕初级,再绕次级,顺序绕高压线圈、灯丝线圈。每层应加薄电话纸绝缘。初级与次级两线圈间并需用铝箔绕静电隔层通地(可用废电解电容器拆下的铝箔使用)。绕好后插入铁心加螺栓紧固后浸绝缘清漆或用地蜡热浸。
绕制数据为:初级线圈用φ0.2~0.23毫米漆包线绕两个555圈,以备两线圈串联用在220伏电源,并联用在110伏电源。次级高压线圈用φ0.07~0.10毫米漆包线绕2540圈,在1270圈处抽中心头。次级6.3V0.6A线圈用φ0.49~0.51毫米漆包线绕37圈。次级6.3V0.lA线圈用φ0.62~0.64毫米漆包线绕37圈。(施宛愚)