宝石牌4B5型便携超外差式五管半导体收音机,是上海无线电四厂的新产品。全机长230毫米、宽160毫米、厚60毫米。机箱上端装有活动伸缩提环,携带方便,适合城乡和旅行携带使用。本机发音宏亮,在40平方米室内各处都可清楚地收听广播。电源采用三节普通一号手电池,共4.5伏,如每天使用二、三小时,可用两个月左右。
一、电路工作原理
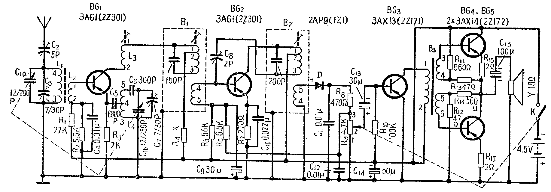
本机采用由一级变频、一级中频放大、一级二极管检波及自动增益控制,一级低频前置放大和一级乙类推挽功率放大组成的超外差式电路。
外来信号经L\(_{1}\)、C1a、C\(_{3}\)组成的调谐回路选出后,经L2耦至BG\(_{1}\)(3AG1)基极;由L3、L\(_{4}\)、C1b、C\(_{6}\)、C7组成的共基调发射极的本机振荡回路产生的振荡信号经C\(_{5}\)注入BG1的发射极和外来信号混频。混频后得到的中频信号经过中频变压器B\(_{1}\)的选择及BG2(3AG1)管中频放大电路进行放大后,再经B\(_{2}\)选择送至二极管D(2AP9)完成检波。检波后的直流成分经R8、C\(_{11}\)、C12组成的π型滤波电路滤去残余高频后经R\(_{6}\)加到中放管基极,以控制它的基极电流大小作自动增益控制。检波后的音频信号以R9为负载(R\(_{9}\)为带电源开关的电位器兼作音量控制),经C13耦合到BG\(_{3}\)(3AX13)基极作低频前置放大。放大后的音频信号再由输入变压器B3来耦合到推挽输出级,由BG\(_{4}\),BG5两管进行乙类推挽功率放大。放大后的音频信号经C\(_{15}\)隔直流电容器后直接以扬声器的音圈阻抗为负载完成功率输出。

二、电路特点
1.中频放大级,采用五股线绕的中频变压器,具有较高的品质因数,本机中放增益达35分贝,因此虽只有一级中放,但增益接近一般二级中放,使整机的灵敏度、选择性均得到提高。
2.检波后采用π型滤波电路,滤去加到自动增益控制的直流成分中带有的残余高频信号,防止了因高频反馈而引起的啸叫声。
3.功率放大级采用了保真度较高的“无输出变压器的推挽放大电路”,直接以扬声器音圈阻抗为输出负载,这样不但节省了输出变压器,更主要的是消除了由于输出变压器而带来的增益损耗和非线性失真及频率失真,提高了音质;同时也避免了输出变压器与磁性天线、中频变压器等中、高频元件的寄生耦合,稳定了电路的工作,这种电路如用在袖珍式半导体管收音机中更能发挥它的优点,因为少用一个输出变压器,收音机体积可更为缩小。这种电路的工作原理同一般电子管电路中的串接放大器基本相似。两个输出管在信号的正负半周输换地工作,以进行推挽放大。由于篇幅所限,这里将不详细分析它的工作过程。
三、性能指标
频率范围:535~1605千赫。
中频频率:465千赫。
灵敏度:在600、1000、1500千赫三点不低于10毫伏/米,实测一般为2毫伏/米。
选择性:±10千赫不低于12分贝,实测达20分贝。
音量控制作用范围:60分贝。
整机谐波失真系数:350~3000赫时:
电压——不大于10%;
声压——不大于20%。
整机频率特性:350~3000赫内的不均匀度:
电压:不大于10分贝;
声压:不大于18分贝。
不失真输出功率:额定为50毫瓦;最大达140毫瓦。
平均声压:1.4微巴;最大达2.8微巴。
电源消耗功率:无信号时不大于67.5毫瓦,电流约为15毫安;最大信号时,不大于225毫瓦,电流约为50毫安。
电源电压:4.5伏,电压降至3伏时仍能工作而不产生啸叫。
四、元件数据
1.天线线圈:在长40毫米、直径为13毫米的塑料管上,以七股0.06毫米纱包线顺时针方向排绕57圈为L\(_{1}\),起始头为④,末端为③;距Ll1毫米处以0.15毫米漆包线同方向绕5圈为L\(_{2}\),末端为①,起始端为②。磁性瓷棒为M4型,长140毫米,直径为10毫米。
2.振荡线圈:在直径4毫米的塑料骨架上(中心有可调磁性瓷心),以0.08毫米漆包线顺时针方向分段乱绕21圈为L\(_{3}\),起始头为①,末端为②;在同一骨架上,以同方向同样线分段乱绕130圈为L4,起始头为③,在第3圈处抽一头为④,末端为⑤。
3.中频变压器:骨架通用成品202型,第一级以五股直径为0.06毫米漆包线乱绕230圈为初级,起始头为①,在第46圈处抽头为②,末端为③;在同一骨架上,以0.12毫米漆包线乱绕16圈为次级,起始头为④,末端为⑤。第二级初、次级绕法与线径同第一级,初级为200圈,起始头为①,在第62圈处抽头为②,末端为③;次级为36圈,起始端为④,末端为⑤。
4.输入变压器:采用EI形硅钢片。铁心截面为7×8毫米。初级以0.09毫米漆包线顺向乱绕2210圈,起始头为①,末端为②,电感量为2.5亨,直流电阻为240欧;次级为取得两个次级圈的平衡,以0.1毫米漆包线,采用双线平行乱绕760圈,起始二个头分别为③及⑤,末端二个头分别为④和⑥。
5.扬声器:采用口径为102毫米的飞乐401Bi型16欧高阻扬声器。业余爱好者仿制时,也可采用两只8欧扬声器串连起来代替16欧使用;如用一只8欧扬声器,则必须将二只功率放大管的集电极电流作相应的减小。
五、装配与调试
装配:1.整机全部元件除扬声器固装于塑料机壳上外,其余均安装在金属底板上,部分阻、容件还固定在接线架上排列整齐,结构牢固(见本期封底)。2.检波管及自动增益控制的滤波元件均安装在金属底板反面,防止与中、高频元件产生寄生耦合,保证整机工作稳定。3.采用弦线传动式调谐装置,选择电台方便,舒适。
调试:工厂生产时均采用高频的和音频的信号发生器、示波器、失真仪、电子管毫伏表等仪器,精心调试。
1.各管集电极电流的调整:
变频管BG\(_{1}\)—调R1阻值,电流调到0.25~0.3毫安,
中频管BG\(_{2}\)—调R5阻值,电流调到0.8~l毫安,
低放管BG\(_{3}\)—调R10阻值,电流调到2~2.5毫安,
功放管BG\(_{4}\)与BG5—调R\(_{ll}\)及R14阻值,电流分别调到2.5~3毫安。
2.中频频率:将中频信号由变频管基极注入,先调节中频变压器B\(_{2}\)的磁心,增大输出,再调B1的磁心,反复调整,使输出最大。
3.频率覆盖:频率低端,将双连全部旋入,调节振荡线圈的磁心使频率调至515~530千赫;频率高端将双连全部旋出,调节C\(_{7}\)容量,使频率调到1610~1660千赫。
4.调整同步:以600、1000、1500千赫三点作调整,先将收音机调谐于600千赫处,移动天线线圈在磁棒上的位置使输出最大;再将收音机调谐于1500千赫处以调节C\(_{3}\)至输出最大;然后再将收音机调谐于1000千赫处,测试同步,可将测试用磁棒及铜棒分别靠近天线线圈,这时收音机的输出都应下降,证明同步已调好,如收音机输出反而增大,则说明末同步,应再重复上述步骤调试,直到同步。(朱永浩)