电子延迟继电器是一种由电子电路构成的,具有延迟作用的电子继电器。本文所介绍的是利用深度负反馈原理而构成的一种电子延迟继电器。它的特点是:电路简单,延迟时间长而精确,并能很简便地用它来构成一些控制电路,如点焊时间控制器、自动定时器、等等。图1是这种电子延迟继电器的原理电路。开始时电容器C上无电压,故电子管的栅极电位为零电位。由于有屏流,此屏流在阴极电阻上形成的压降,使电子管栅阴之间的电位是负的,所以此时屏流很小,不足以使高灵敏继电器J动作。以后由于屏流逐渐通过R\(_{1}\)和R2对电容器C充电,而使栅极电位升高,栅阴之间的电位升高,屏流增大。但屏流的增加又导致栅阴之间电位的下降,所以实际上栅阴之间的电位升高不多,屏流增加得也很少。这个过程即所谓负反馈过程。由于负反馈的缘故,使电子管的屏流增长得极慢,故使屏流达到能使高灵敏继电器吸动的时间就变得很长了,达到了长时间延迟吸动的目的。此电路的延迟时间主要由电容C和电阻R\(_{1}\)和R2决定。通常用变更电阻值的方法来改变延迟时间。元件参数可用实验方法确定。在图1中,当C为8μf, R\(_{1}\)为1MΩ,R2为470KΩ(可调)时,延迟时间大约为2~3分钟。如要增大延迟时间可再增大R\(_{1}\)和R2的数值。电阻R\(_{3}\)的选择应根据高灵敏继电器的吸合和释放电流来确定,但原则是:继电器的释放电流应大于电子管的初始电流(电容器C短路时的R3支路里的电流),继电器的吸动电流应稍小于电路达到动态平衡时的最大屏流。

1.点焊时间控制器
在点焊技术中,利用本电子延迟继电器就可以既简便又精确地来控制点焊的时间。其电路仍如图1,只是在电容器C两端并接了一个按钮开关K,如图2所示。继电器J的接点j用作点焊机的电源开关。一旦按下按钮K时(注意:在按K时要一接即放),电容器C上的电荷即通过K迅速放电完毕,电路回到了初始状态,继电器J释放,j闭合,点焊机开始工作。回复K后,电路就开始延迟过程。经过一段固定的延迟时间后继电器J吸动,j打开,点焊机停止工作,从而完成自动控制点焊时间的作用。
2.自动定时器
在不少自动控制设备中,常常需要有周期性的自动接通和断开的开关装置,自动定时器就能起到这种周期性自动开关的作用。图3是一种自动定时器的原理电路。开始时,电容器C\(_{1}\)逐渐被充上电荷,屏流逐渐增大,经过一段时间后J1动作,j\(_{ll}\)闭合接通控制电路,同时j12被打开,除掉并在电容器C\(_{2}\)上的短路线,使电子管G2的电路进行类似于G\(_{1}\)电路的延迟。过了一段时间后J2吸动,j\(_{21}\)闭合,造成C1的短路,故使继电器J\(_{1}\)释放,jll打开,开断控制电路。另外由于J\(_{1}\)的释放也使J12闭合,造成了电容C\(_{2}\)的短路又使J2释放,j\(_{21}\)打开,整个电路又回到了起始状态,形成了一个定时周期。

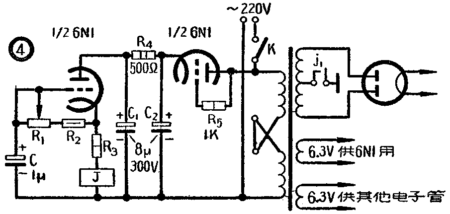
3.使扩音机和一些高压电子设备加灯丝电源后再加高压电源。
在扩音机和一些大功率的电子设备中,整流管通常是直热式的,而其它电子管则是旁热式的,所以当整流管已被加热而有高压输出时,往往其它电子管还没被加热,亦即无电子发射,这使整流器处在空载状态,滤波电容上的电压被充得很高,很容易使其击穿,严重时甚至将整流管烧毁。为了克服这一缺点,在开机时需先开灯丝后开高压。图4所示的电路是一种自动控制先加灯丝后加高压的装置。

本装置电子延迟继电器电路的高压直接由交流220V经6N11/2整流而得。为了避免底盘带电,电子延迟继电器部份可不接底盘,电容C和电解电容C\(_{1}\)和C2希采用纸壳电解的。当合上电源开关K后各电子管灯丝电压即被加上了,但由于继电器J的接点j\(_{1}\)是开断的,所以无高压输出,只有当电子延迟继电器正常工作并经延迟后,才有高压输出。(蒋祖仁)