普通仪表多从刻度读取指示值。这种读数方法有许多不便之处,例如能读取的位数少(因而也不精确)、存在着主观误差(视差和估计误差等)、读取时间长,等等。随着科学技术的发展,这种读数方法在很多场合下,已不能适应需要,因而,越来越多地被直接以数字形式指示测量数值的电子数字式仪表代替。这种仪表能读取较多的位数(一般能读取5位到6位),又不存在主观误差,因而,除用于电测量外,还被广泛用在工业生产中,作非电量的测量。
数字式仪表主要由脉冲形成电路,计数门电路,计数电路等组成(见图1)。首先把待测物理量变换成具有相应重复频率的电脉冲信号,设法记下在一定时间内进入计数电路的电脉冲,最后在数字显示装置上读取电脉冲数。如电路配合适当,显示的电脉冲数就是待测物理量值。例如数字式电压计,电压的测量是以一锯齿波电压与待测电压比较。仪表中备有触发计数电路用的脉冲发生器。当锯齿波电压为零时,让触发脉冲进入计数电路的通路(计数门)就开启;当锯齿波电压升到待测电压时,计数门就关闭。如果脉冲发生器的重复频率与锯齿波的建立速率选择适当,在计数门通路时间内,进入计数电路的脉冲数直接与待测电压相对应,在显示装置上读出电压值。

计数电路
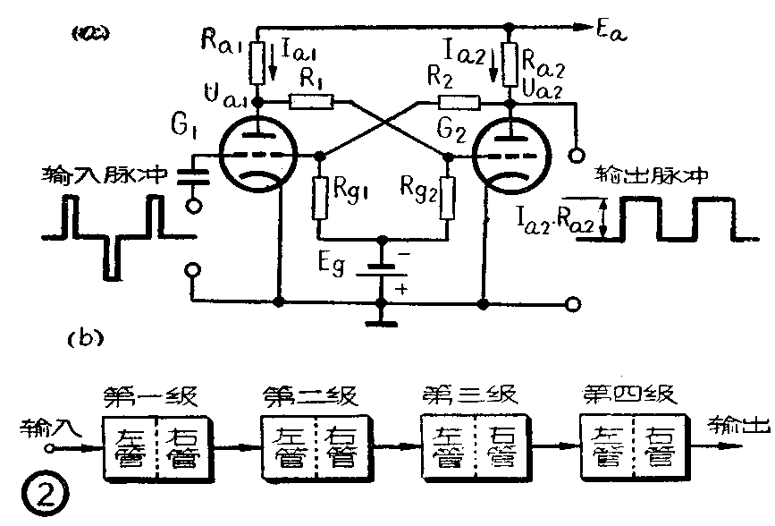
计数电路是数字式仪表的主要部分,多由双稳态电路组成,也有的由环形计数电路组成(见本刊1964年第3期“电子仪表的数字化”一文)。双稳定电路具有二进位特性,每给它输入两个脉冲,它就输出一个脉冲。下面我们以电子管双稳态电路(图2a)为例,来说明它是怎样将两个输入脉冲变成一个输出脉冲的。

电路中的两个电子管,总有一个处于导电状态,一个处于截止状态。现在假定G\(_{2}\)导电,G1截止。这时G\(_{1}\)的屏压Ual=E\(_{a}\),而G2的屏压U\(_{a2}\)=Ea-I\(_{a2}\)Ra2。如果这时给电子管G\(_{1}\)的栅极输入一个幅度足够大的正脉冲,那么G1就开始导电,屏压开始减小,因而使电子管G\(_{2}\)的栅压也减小、屏压升高。升高的屏压经由R2—R\(_{g1}\)电阻加到电子管G1的栅极上,促使G\(_{1}\)的屏压进一步下降,于是开始了所谓“雪崩”过程,使这个电路转到另一个状态,即电子管G1导电,G\(_{2}\)截止。这时G2的屏压U\(_{a2}\)=Ea,而U\(_{al}\)=Ea-I\(_{a1}\)Ral。如果这时给G\(_{1}\)栅极加一负脉冲,则G1便又截止,G\(_{2}\)又开始导电,即电路又回到起始状态。
电子管G\(_{2}\)屏极电位的变化,就是所要输出的脉冲。由图2a可见,每输入正负两个脉冲,G2的屏极电位就变化两次:从低到高;再从高到低。这就构成了一个输出脉冲。如果把这个电路稍加交换,还可以实现每输入两个极性相同的脉冲,便有一个输出脉冲,这就是最基本的二进位的电路(请参阅本刊1962年第2期“双稳态触发电路”一文)。
在二进制中,通常采用0和1两个数码表示数目。我们可以假定双稳态电路处于G\(_{2}\)导电、G1截止的状态时代表0;而G\(_{1}\)导电、G2截止时代表1。没有脉冲输入时使电路处于0状态,当输入一个脉冲后,电路就翻转到1状态。如果再输入一个脉冲(第二个脉冲),该电路又回到0状态,同时输出一个进位脉冲。因此,如果将两个、三个、四个这样的双稳态电路级联起来,就可以得到4、8、16进位的计数电路。图2b是一个四级双稳态级联电路,其开关过程见表1。开始时我们使四级都为0(即都是左管截止,右管导电),输入第一个脉冲后,第一级的状态由0变到1,其他各级不变。输入第二个脉冲,第一级由1又回到0,同时输出一个脉冲到第二级,使第二级的状态由0变到1,一直到输入第16个脉冲,第四级转换,输出一个进位脉冲,整个电路又回到起始状态。

图2b是一个16进制电路,但人们习惯上都采用10进制。为了将16进制变成10进制,可以在图2b中加入适当的负反馈。反馈方式有许多种,其一如图3所示。当第3级进入1状态时,反馈给第2级一个脉冲,使其交换状态从0到1。当第4级进入1状态时反馈给第3级一个脉冲,使其变换状态从0到1。它的开关过程见表2。它和表1比较有些不同。当输入前3个脉冲时,这种电路的记忆状态是一样的,当输入第4个脉冲时,如无反馈,电路状态应该是0100,但由于第3级处于1状态时给第2级一个反馈脉冲,使其从0变换到1,从而,应该是0110。这相当于表1的输入第6个脉冲时的情况(跳过了两个脉冲)。第5个脉冲输入时的状态是01ll,如输入一个脉冲(即输入第6个脉冲),电路如无反馈,应进入1000状态,但由于第4级给第3级一个反馈脉冲,使电路进入1100状态,这相当于无反馈电路,输入了第12个脉冲时的状态,等于又跳过了4个脉冲,前后共跳过了6个脉冲。所以实际上只要有10个脉冲输入,就可使整个电路回复到0000状态,同时输出一个“进位脉冲”。以上就是对一个16进位电路,加上适当的反馈以后,变换成十进位电路的情形。


在数字式仪表中,每位读数都有一套十进位计数电路,因此读数位数越多,电路就越复杂。
数字显示装置
从上面的讨论可以看出,每输入一定数量的脉冲,计数器就表现出一种稳定的状态,这就相当于把脉冲数目贮存在电路中了。为了直接读取脉冲的数目,通过驱动电路选择数字显示装置的适当电极,把电路的状态用数字的形式显示出来。显示数目的装置有许多种,下面介绍一种读数较方便的装置——数字指示管。
这是一种结构特殊的气体放电管,它有10个阴极和一个阳极,每个阴极的金属丝分别弯成0、l、2……9等数字的形状,阴极分别由各级触发电压控制。当驱动电路的触发电压加到阳极和选择的阴极时,在管内围绕这个阴极会因电离而发光,这样就指示出一位数字,有几位数,就亮几个灯(见图4)。

电子数字式频率计
电子数字式仪表,现在已有许多种,这里只介绍一种比较简单的电子数字式仪表——数字式频率计。它的工作原理是这样的。首先将未知频率的待测信号加到脉冲形成电路中去,使对应于未知波形的一个周期产生一个脉冲,然后再将这些脉冲加到门电路,当门电路被起动脉冲打开后,被测频率的脉冲就通过此“门”加到计数器中去计数。当门电路受停止脉冲的控制而关闭后,脉冲不能通过,计数器就停留在某一个数字上。如果起动和停止脉冲的时间间隔是1秒钟,则计数器指示的数字就是被测频率的数值。
图5是一种频率仪的完整方框图。图中频率为1兆赫的晶体振荡器是主振器,其输出电压通过脉冲形成电路变成脉冲后加到级联的六个10比1分频器上,第一级分频器产生10微秒间隔的脉冲,第二级产生100微秒间隔的……,第六级产生1秒间隔的脉冲。这些脉冲称为时基脉冲,不同的时基代表不同的量程,通过时基开关来转换。在图示的开关位置,每秒钟有一个脉冲加到双稳态电路A和B的左管,使两者都保持在0状态(左管截止,右管导电),进行测量时先加一阅读脉冲给双稳态电路B的右管,使它转到1的状态,随后它再接到1秒间隙的时基脉冲时,又转回到0状态,并从其右管输出一脉冲使计数器复原到初始状态,准备计数。这个输出脉冲同时加到双稳态电路A,使A转换,打开计数门,这时由被测频率的信号变换成的脉冲就通过计数门加到计数器中去。过一秒后,时基又输出一个脉冲使A回到0状态,关团计数门,从十进位计数器上就可以读出未知频率值。(陈健)
