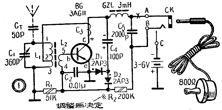
半导体管再生式收音机使用了来复式电路,可以得到很好的效果;如果它的检波电路采用全波检波或倍压检波的话,那么音量还可以增大。上期我们已介绍了一种全波检波式的电路。在这期里我们再介绍一种采用倍压检波电路的,它的电路见图1。

电路里被放大后的高频信号电流从半导体三极管BG的集电极C出来,有一小部分经由再生电容器C\(_{3}\)回输到调谐电路产生再生,其余的则从C4进入由二极管D\(_{1}\)和D2组成的检波电路,进行检波。当信号在负半周(e端为正,c端为负)的时候,电流方向是经过D\(_{1}\)、C4到集电极C完成一个半周的检波回路,这个过程使C\(_{4}\)充电,它的极性是近二极管的一端为正;当信号在正半周的时候(c端为正,e端为负),电流方向是从集电极C经过C4、D\(_{2}\)、R1完成一个回路,由于C\(_{4}\)已经在上半周时充电,这时的信号电压就和原先C4上的充电电压串联起来(如图所示),近似地等于信号电压的两倍,在检波负载R\(_{1}\)上产生音频电压降。R1是串联在半导体三极管输入电路里的,所以检波后的音频电压又加在半导体管的输入端,被BG再进行一次音频放大。由于输出电路中C\(_{4}\)对音频的容抗很大,放大后的音频电流只能从对它阻抗较小的高频阻流圈GZL通过,于是在耳塞里还原成为声音。由此可见,这种倍压检波电路可以使检波输出电压增大,使收音机的音量得到提高。
这种电路还有一个特点,就是R\(_{1}\)上的直流压降是随着信号的强弱而增减的,它的极性是使基极b端为正,发射极e端为负,和原来加给基极的偏压极性相反,因此有抵消作用,当信号较大时,R1上的直流压降增加,抵消了基极上的一些偏压,使基极电流减小,半导体管的放大倍数减少;当信号较小的时候则正好相反,能使半导体管的放大倍数增加,这样就起到自动音量控制的作用。
半导体管与零件的选用和一般的单管再生式电路相同,BG应该用高频管,D\(_{1}\)和D2的型号要求并不严格,普通的检波二极管都可应用,如果选择两个二极管正反向电阻的相差比例都较大,而且数据大致相同的就更好。C\(_{3}\)是一个绞线电容器,用一根φ0.25毫米左右的漆包线在高频阻流圈至集电极的接线上缠绕十来圈,一头接L1抽头,一头空着不接,也可以用一个微调电容器来代替。耳塞插口CK是稍经改装兼作电源开关的,如果不用,要在电池的正极或负极的回路里串接一个电源开关。
实体装配的例子见图2,是准备做在小型的塑料盒子里的,要注意高频阻流圈的位置,其磁心应和磁棒互相垂直,并不要过于靠近,两个二极管的方向也不要弄错。

调整时先用一个500千欧的电位器串连一个50~100千欧的保护电阻代替R\(_{2}\),在图上集电极电路里×处接入0~5毫安的直流电流表,插入耳塞接通电源,从电位器的最大阻值处开始调整,将集电极电流调在0.8~1.2毫安左右。没有电表调整的时候,也可凭耳塞来听,调到耳塞里听到较为明显的“沙沙”声的时候为止,此后就不要继续往下调,以免损坏管子。然后换入阻值相同的电阻作R2,其后就是增减C\(_{3}\)的圈数,调整它的电容量,使高端和低端的电台音量都能兼顾而又没有叫啸声为止;在调试低端电台声音的时候,可以改变高频阻流圈的角度或位置来取得良好的配合。最后还可以试行将C4在100~500微微法的范围内换用,有时还能够得到更大的音量。
半导体管的代换型号和详细的装配、调整等方法,请参阅本刊今年第7期“业余初学者园地”的“再生式半导体单管机”一文。
这个收音机在广播电台附近二三十里的范围内使用,不需要天地线就可以清晰地收听,有很明显的方向性,能较好地避免干扰。在离电台较远的地方,则要用一根普通的天线,经过一个50微微法的陶瓷或云母电容器接在C\(_{1}\)的固定片接线端,如图1的虚线部分所示,这时收音机的灵敏度可以增加,但是方向性也就消失。
图3是另一种倍压检波电路,它是采用音频变压器与三极管的输入端耦合的。其检波电路原理和前一种电路相同。检波后在音频变压器B的初级线圈上得到音频电压,由C\(_{5}\)将残余的高频成分旁路。次级线圈感应出来的音频电压通过隔直流电容器C3和L\(_{2}\)加在三极管的发射极和基极两端,进行音频放大。当音频变压器的初、次级线圈各和检波电路以及基极电路匹配良好的时候,可以得到最佳的功率传输,音量还可以比前一电路增大一些。但是要多用一只音频变压器,这是它的特点。

音频变压器可以用售品半导体管用的3∶1输入变压器,它的高阻抗线圈应接在检波电路中。其它调整方法和上一个电路相同。(冯报本)