从收音机的天线连接端到检波管或高放管,或者到变频管等下一级输入端之间的电路,称为输入电路(见图1)。它的作用是将需要收听的电台信号从天线所收到的许多电台信号之中选出来,其他不需要收听的信号则尽量地加以抑制。

输入电路的主要部分是一个由电感L\(_{1}\)和电容C1组成的调谐回路,改变C\(_{1}\)或L1,对所要的电台信号调到谐振,回路中的电流最大,再经过L\(_{2}\)耦合到下级电路去;其他电台的信号则处于失谐状态,在回路中引起的电流很小,传送到下级的电流也很小,这样就起到选择电台和抑制干扰的作用。
简单的半导体管收音机一般只收听频率为535~1605千赫的中波电台,接收天线多采用磁性天线,以便于携带。磁性天线是一根磁棒,上面绕有线圈L\(_{1}\)(参看图2)。磁棒对电磁波的磁力线有很高的收集传导能力,而通过磁棒的磁力线是按电台信号而变化的,于是就在线圈L1中感应出信号电流。线圈L\(_{1}\)和可变电容器C1组成调谐回路,可变电容器的电容量可是以连续改变,于是就能在整个频率范围内连续调谐到不同频率,从而能调谐到各个频率的电台上。

磁性天线的接收效率并不高,只相当于一根1~2米的室内天线,为了提高接收远地电台的能力,可以用室外较长的天线,经L\(_{3}\)耦合到调谐回路。
下面我们来讨论输入电路中各元件的设计和选用方法。
一、可变电容器
调谐回路中谐振频率f和电感L\(_{1}\)、电容C1的关系是
f=\(\frac{1}{2π}\)\(\sqrt{L}\)\(_{1}\)C1。
若L\(_{1}\)固定,C1是可变的,它的电容变化范围就决定了可调谐的频率范围。因此一般半导体收音机所选用的可变电容器,其最大和最小容量变化的范围应能保证535~1605千赫的频率范围都能调谐。诸振回路中电容变化与频率变化的关系是:
式中:C\(_{max}\)为回路中的最大电容量;Cmin为回路中的最小电容量;f\(_{max}\)为最高谐振频率;fmin为最低谐振频率,这两个频率之比称为“复盖常数”。
令f\(_{max}\)=1605千赫(KHz),fmin=535千赫,可以求出电容的变化范围应为:
即回路中最大电容应为最小电容之9倍。
市上出售的各种可变电容器其容量变化范围一般在20~4O倍。例如,较小的一种薄膜介质可变电容器,容量7~180微微法(pf),其变化倍数就有\(\frac{180}{7}\)≈26(倍),比上述所要求的倍数都大,是否适用呢?实际上,在电路中还有一些分布电容:例如,线圈的自身分布电容约有2~5pf;接线的分布电容约有2~10pf;下级电路输入电容耦合到调谐回路的分布电容约有2~3pf等,总共有10~20pf左右,叫它为C\(_{o}\),它和可变电容器并联在一起,见图3。于是当可变电容器全部转进和全部转出时,电路实际的最大电容量是C'max=C\(_{max}\)+Co,最小容量是C'\(_{min}\)=Cmin+C\(_{o}\)。再以上述7~180pf的可变电容器为例,设线圈分布电容为4pf,接线电容为8pf,下级电路输入电容耦合到初级的分布电容为2pf,于是Co=4+8+2=14pf,C'\(_{max}\)=180+14=194pf,C'min=7+14=21pf,故实际电容变化范围只有194;21≈9.2(倍),刚好够用。但如果元件较大,接线较长,则分布容量也增大,这时就需要选用电容量变化更大一些的可变电容器,如7~270pf或更大一些的,否则接收频率就不能包括535~1605千赫的规定范围,严重时,一些频率较低或较高的电台就收不到了。

市场上出售的可变电容器种类很多,就是为配用各种体积大小不同的收音机而设计的。在体积较大的电子管收音机中,分布电容比半导体管机要大得多,所以要用容量变化范围较大的可变电容器,如12~360pf,12~460pf,12~490pf等,半导体管收音机目前小型的较多,分布电容小,所似可变电容器的容量变化也小,有7~180pf,7~210pf,7~270pf的薄膜介质可变电容和8~260pf,12~360pf等空气可变电容器,可根据收音机不同的体积和分布电容来选用。不过在业余制作半导体管机的条件下,手头所有的或能够买到的不一定符合要求,那也可以灵活应用。例如,若收音机本身较简单,灵敏度要求不高,只以收听本地电台为主,那么即使可变电容器容量变化范围不够,不能把整个规定范围的频率都能调谐到,但只要把本地或近地的主要电台都能收听到则也就行了。如果机器的分布电容不大而用了容量变化倍数很大的可变电容器,则调谐到的频率可能大大超过所规定的范围,这样太宽的频率范围也没有用处,因两端没有什么电台可接收,而中间又显得调谐拥挤。一般在规定频率范围两端各有2~3%的余量也就合适。这时,可在可变电容器上再并联一只小电容C\(_{T}\),(参看图3)。CT相当于把分布电容加大一样,用来减小电路实际电容量变化的倍数。这个电容C\(_{T}\)可以由实验确定,大致是,当采用210~360pf时,CT约为5~10pf,当采用360~490pf时,C\(_{T}\)约10~20pf。CT最好应用半可变的微调电容器,但为了简单,也可以采用瓷管或聚苯乙烯薄膜的固定电容器。
二、磁性天线棒和调谐线圈L\(_{1}\)
磁棒的材料目前常用的有二种:一种是初导磁率为400的Mn型锰锌铁氧体,呈黑色,工作频率较低而导磁率较高,适用于中波;另一种初导磁率为60的Ni型镍锌铁氧体,呈棕色,能工作于较高频率而导磁率较低,适用于短波。如果将Ni型用在中波,则接受效率比Mn型低。而Mn型用在短波,则因磁棒对高频的损耗很大,接受效率也很低。市场上所见的多数是Mn型的。磁棒尺寸有很多种类,主要是为了适应各种机箱大小的要求而设计的。普通有圆形和扇形二类(见图2)。一般市场上所见到的圆形棒有长70、100、140、160、170毫米等数种,直径都是10毫米,扇形的有4×13×55毫米、5×15×60毫米、4×16×60毫米、5×16×60毫米、4.5×17×100毫米等数种。
磁棒在同样直径时,长度愈长,接收效率就愈好;而在同样长度时,直径大的比直径小的接收效率稍稍好一些。扇形磁棒是为了适应小型收音机结构上紧缩的需要而设计的,它的作用与同等截面面积的圆形棒相同,其等效直径:d=2\(\sqrt{ab;π}\)(a、b是扁棒截面长、短边长度)。因此,在结构条件允许下,应尽量选用长的磁棒,以获得较高的灵敏度。
当磁棒和可变电容器选定以后,就可以设计线圈L\(_{1}\)所需的电感量:
L\(_{1}\)=\(\frac{2.53×10}{^{4}}\)Cmax-C\(_{min}\)×kG2-1;f\(^{2}\)max
式中:L\(_{1}\)的单位为微亨(μH);C的单位为微微法;f的单位为兆赫(MHz)。L1的范围大致在250~500微亨。k\(_{G}\)为复盖常数。根据L1的大小和磁棒的尺寸从图4曲线查出所需的圈数。图4只给出三种磁棒尺寸的计算曲线;但其他尺寸的磁棒也可以从图估计出来。举一个例子:

设:f\(_{max}\)=1605千赫;fmin=535千赫;可变电容C\(_{max}\)=180微微法;Cmin=7微微法;磁棒为扁形4×13×55毫米。
解:
k\(_{G}\)=\(\frac{1605}{535}\)=3,
L\(_{1}\)=\(\frac{2.53×10}{^{4}}\)180-7×3\(^{2}\)-1;1.6052=454微亨。
磁棒等效圆面积直径
d=2\(\frac{\sqrt{4×13}}{π}\)=8.14毫米。
从图4中φ8×50和φ10×120两极曲线中间估计出φ8.14×55的磁棒,应绕圈数约90。
上述计算的圈数只是一个大约数值,加以同样的磁棒其导磁率有些不同时圈数也有出入,所以最好多绕几圈,在调试中确定圈数。一般售品的磁棒上有的已绕好线圈,购买时应问清楚是配合多大的可变电容器用的。
线圈的导线最好用5~15股的多股绞合丝包线,以提高Q值。如果没有多股线,则用0.35~0.5毫米的单股丝包线也可以。
绕法是先用厚牛皮纸做成一个圆筒,稍稍紧套在磁棒上,但可移动,然后将导线单层密绕在纸筒上(参看图2)。电感量的大小与线圈在棒上的位置有关:当线圈位于棒中心时,流过线圈的磁通最多,有效导磁率最大,因而电感也最大;当线圈在棒边缘时,磁通有的不流过线圈,有效导磁率减小,故电感量也减小(见图5)。电感量最大和最小的变化可达1.2~1.8左右,利用这一特性,可以移动线圈作为调整电感量之用。提高有效导磁率对提高接收效率是有好处的。单从这点来看,线圈放在中心最好,但是线圈的有效Q值也与接圈的位置有关。在磁棒中心时Q值最低,在靠近边缘不远时Q最大,两种情况是矛盾的,一般是放在中心与边之间或稍再靠近边的地方,就能够兼顾Q值和有效导磁率,并且略为移动线圈时调整电感最为灵敏。

三、耦合线圈L\(_{2}\)和L3
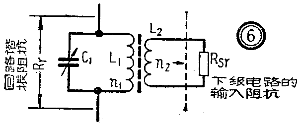
耦合线圈L\(_{2}\)的作用是使调谐回路与下级电路的阻抗匹配。调谐回路在中波1000千赫时谐振阻抗约为100千欧,而下级电路的输入阻抗只有几千欧,如果将它们直接连接,调谐回路相当于被并联了一只几千欧的低电阻,Q值将大大下降,因此要经过变压器来转换阻抗。L2的圈数比L\(_{1}\)少得多,下级电路的低阻抗经过升压关系,就变为高阻抗了。我们知道,当负载与电源内阻相等时,从电源传送到负载的功率最大。根据这个道理,我俩将L1和L\(_{2}\)的圈数比做得使下级输入阻抗经过变压器变换得和调谐回路的谐振阻抗相接近。阻抗与圈数比的关系是:
式中:n\(_{1}\)和n2分别是L\(_{1}\)和L2的圈数(见图6);R\(_{r}\)是调谐回路的谐振阻抗,它是随回路电感、Q值及工作频率而异,简单设计时可取为100千欧;Rsr为下级电路的输入阻抗,也是随下级电路的种类和输入电压的高低等而异,一般可取为1~3千欧。

在实际制作中,n\(_{2}\)大致为n1的十分之一左右,n\(_{2}\)的圈数少一些,调谐回路的Q值较高,选择性较好,但通频带变窄,音质较差。如果是超外差式收音机,通带太窄会使统调困难。n2的圈数多一些,则与上述情况相反。在装置时L\(_{2}\)可固定在L1的旁边。在直接放大式收音机中,L\(_{2}\)可紧靠L1,以减少耦合损耗;在超外差式机中为照顾统调,L\(_{2}\)最好离开L1有5~10毫米。
L\(_{2}\)也可以用抽头的自耦变压器形式(见图7)。圈数计算方法相同,L2不另外加圈,只在L\(_{1}\)中抽出头来,它们的效果也基本相同,不过用单独的L2时调整比较方便,可以移动L\(_{2}\)的位置来调到最佳的状态,而用抽头调整则较麻烦。

室外天线可用线圈L\(_{3}\)耦合至调谐回路的L1,它们的耦合愈紧,灵敏度愈高,但是天线的阻抗引入到调谐回路的损耗也增大,使Q值下降,选择性低落,因此一般采用较弱耦合。L\(_{3}\)大约绕3~5圈,与L1离开较远一点,在实验中调整确定。外接天线也可以采用电容耦合,见图8,用一只5~10pf的电容器即可。(秋吟)
