牡丹牌8402型半导体收音机是袖珍式两波段超外差式收音机,其所有指标均达到国家二级收音机的要求。该机具有灵敏度高、选择性好、音质优美、性能可靠和外形美观等优点。同时它的体积小、重量轻,不仅适宜于一般家庭、人民公社、机关俱乐部使用,对于旅行、登山及其他流动职业者更为方便。另外,该机在电源消耗方面设计得比较好,用电省,因此也很适合于林场、牧区及其他无交流电源地区使用。
一、主要性能指标
1.频率范围:中波535~1605千赫 短波3.9~12兆赫
2.中频频率:465±3千赫
3.灵敏度:中波不劣于1.5毫伏/米 短波不劣于200微伏
4.选择性:1000千赫偏调±10千赫时不小于20分贝
5.不失真输出功率:不小于60毫瓦
6.整机频率特性:400~3000赫不大于7.5分贝
7.整机非线性失真:400赫不大于10% 400赫以上~2000赫不大于7%
8.自动增益控制作用:当输入信号变化26分贝时,输出变化不大于6分贝
9.电源消耗:无信号时不大于66毫瓦 额定输出时不大于250毫瓦
10.电源电压:额定值为6伏。
二、电路原理简介
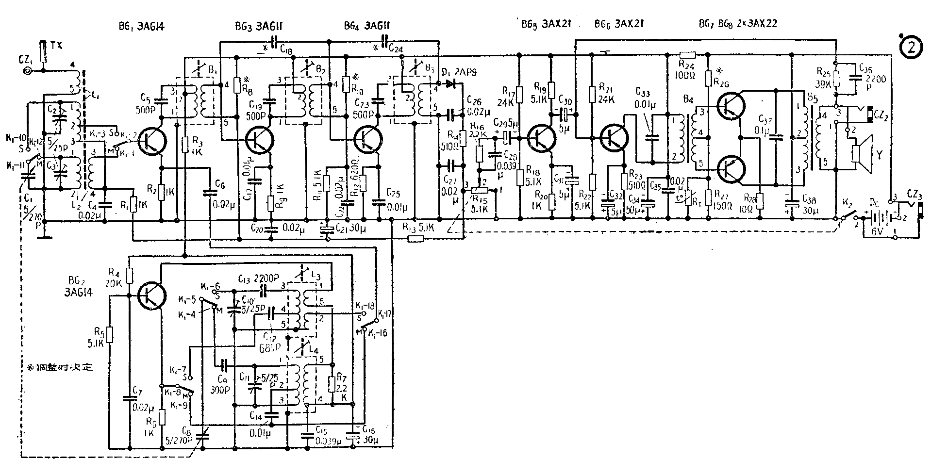
本机采用超外差式电路,其方框图如图1所示。包括一级混频、二级中频放大、一级检波、二级前置低频放大及一级推挽功率放大,另外还有一个本机振荡器。自动增益控制同时控制混频和第一中放级。全机总增益共约140分贝左右。

图2为本机电原理图。混频管BG\(_{1}\)采用合金扩散型高频管3AG14(П403A),部分产品采用3AG24(3G1D),其工作电流(Ic)由调整电阻R\(_{8}\)\(^{*}\)控制在0.6毫安左右。混频级的增益约为28分贝。二级中频放大管BG3、BG\(_{4}\)均采用合金扩散型高频管3AG11(П401),部分产品采用3AG21(3G1A)。它们的工作电流分别由调整电阻R8*、R\(^{*}\)\(_{1}\)0控制在0.4和0.9毫安左右。二级中频放大的增益分别达到26和30分贝。R8*在这里同时控制混频级和第一中放级的工作电流,主要是为了适应自动增益控制电路的需要。电容器C\(^{*}\)\(_{18}\)和C*24是中和电容,其目的是为了抵消中放管集电极电容C\(_{c}\)造成的内部反馈,使中放级工作更为稳定。这两个电容的容量在10~40pf之间,应根据Cc的数值来选定。为了保证收音机的中频稳定性和足够高的灵敏度,同时尽可能地缩小整机体积,本机中放级采用三个单调谐回路。其回路电容为500pf。线圈的圈数比和Q值经过精心设计,使两级中频放大器的总增益达到56分贝,三个中频变压器的选择性达到20分贝。在这基础上还保证了足够宽的通频带,因此选台清晰、方便,音质也比较优美。检波管采用点接触二极管2AP9。检波后的音频信号经R\(_{14}\)C27以及R\(_{13}\)G21二级滤波后,由所得的直流分量同时控制混频管(经R\(_{1}\))和第一中放管的直流工作点,起自动增益控制作用。由于同时控制两级,因此自动增益控制作用比较强。

检波以后的音频成分经过一个由R\(_{16}\)、C28组成的高音提升网络送到前置低放管BG\(_{5}\)的基极。这个网络对高音频电流来说主要通过C28,呈现的阻抗很小,但对低音频电流来说主要通过R\(_{16}\),呈现的阻抗较大。因此相对来说送到BG5基极去的高音频电流就比较多一些,即提升了高音频,这样可以改善整机的频率特性。二级低频前置放大管BG\(_{5}\)、BG6均采用合金结低频管3AX21(1G2A),部分产品采用3AX23(IG2C),其工作电流分别由R\(_{17}\)、R21控制在0.7和1.3毫安左右。功放级采用乙类推挽输出,其优点是无信号时电流小、效率高。推挽级管子采用合金结低频管3AX22(1G2B),部分产品采用3AX24(1G2D)。两管的无信号电流由R\(_{26}\)\(^{*}\)控制在2.5毫安左右。这一级在工作点的温度稳定方面设计得比较讲究,采用热敏电阻,作为基极下偏流电阻的一部分,它保证温度在-25℃到+40℃的范围内变化时,推挽级的无信号电流不会有显著的改变,从而使收音机在各种环境温度下工作也不致发生声音失真,或功放管损坏等弊病。为了改善音质和减少低频部分失真,在扬声器与第二低放管基极之间,还接有一个由R25和C\(_{36}\)组成的负反馈网络。同时在生产时推挽二管还经过配套,这样低频部分的失真可以控制在2%以下(额定输出时)。此外,本机在电源消耗方面作了较多的考虑。首先输入和输出变压器均采用坡莫合金的铁心,不仅体积小,而且效率也高。在同样的输出功率下可以比普通硅钢片节省一些电源的消耗。另外推挽管的负载阻抗设计得较高(500Ω),这样,收音机在额定输出时其实际电源消耗不超过200毫瓦,即使在最大输出(180毫瓦)时电源消耗也不超过250毫瓦。这对延长小电池的寿命是很有利的。
本机振荡部分采用共基极振荡电路,并利用反馈线圈耦合来产生振荡。这种电路的特点是振荡稳定、均匀、谐波很少。其中波段本振线圈L\(_{4}\)中,1—3是主振线圈,它和可变电容器C8、垫整电容器C\(_{9}\)和补偿电容器C11(新产品改用拉线微调,容量改为7/30pf)组成振荡回路。这个回路通过C\(_{14}\)接到振荡管的发射极。为了使回路阻抗和发射极的输入阻抗匹配起见,C14不直接接到端点“1”上,而是接到抽头“2”上。4—5是反馈线圈,串联在集电极电路中,通过它的反馈作用来维持振荡。振荡信号取自振荡管发射极,通过C\(_{6}\)注入到混频管发射极。R7在这里起降低振荡幅度的作用,同时也均衡了整个波段内的振荡强度。
短波段和中波段的电路结构基本上可以对应。在短波段振荡线圈中,3—5是主振线圈。C\(_{13}\)是垫整电容器。C12是发射极耦合电容器(原为700pf聚苯乙烯电容,现改用680pf云母电容)。C\(_{1}\)0是补偿电容器(新产品改用7/30pf拉线微调电容)。1—6是反馈线圈。与中波段电路所不同的是多了一个将振荡信号耦合到混频管去的线圈2—5。在这里采取和中波段不同的耦合方法,是为了减轻主振线圈的负载,以便改善振荡波形,同时可以使整个波段内振荡更均匀一些。
本机振荡管BG\(_{2}\)也采用合金扩散型高频管3AG14(П403A),有部分产品采用3AG24(3G1D)。工作电流由R4控制在1毫安左右。振荡电路采用共基极电路,并利用回授线圈耦合来产生振荡。注入到混频管发射极去的振荡电压中波约为150~200毫伏,短波约为250~300毫伏。这正好保证混频级得到最高的增益。同时欠压特性较好,当电源电压大约降到3伏时,振荡器才开始停振。显然,这对电池的充分利用,同样也是有利的。
三、结构特点
本机机箱体积为157×96×47毫米\(^{3}\),不带电池的重量不足0.5公斤,特别是出厂时都配有皮套,外出旅行时可以背在身上或提在手里,携带极为方便。
本机机壳采用改性聚苯乙烯压制,比普通塑料具有更高的强度,因此外壳比较坚固,能适应旅行等场合下使用的需要。机壳前脸上部配有金属度盘;下部配有金属拉网。其上还缀有镶嵌珐琅的镏金“牡丹”商标。这些零部件经过精心设计,在制作方法上采用了多种新工艺。配在一起,使整机的造型显得美观大方,色彩调和悦目。
本机共有两个控制旋钮,度盘左侧为音量控制器和电源开关;右侧为频率调谐。波段开关位于机箱右侧下方,开关钮扳上为中波,扳下为短波。由于机内装有磁性天线,在收听中波广播时不需加接外接天线;在收听短波时可以拉出机箱上方的拉杆天线,起辅助接收作用。如欲得到更满意的收听效果,还可以加接外接天线(机器出厂时备有此附件)。外接天线插孔CZ\(_{1}\)位于机箱右侧上方。
本机使用四节5号电池。为了便于使用各种型号的电池,在机箱顶部装有外接电源插孔CZ\(_{3}\),可接入任何6伏的直流电源,此时机内电池自动断开。在机箱顶部还备有耳机插孔CZ2,当耳机接通后,机内扬声器将自动断开。
为了减少整机体积,机内全部采用国产超小型元件,并采用了印刷电路。绝大部分元件都安装在印刷电路板上,结构比较紧凑、牢固。在焊接时采用了低温焊锡和小型电烙铁,以保证元件不致损坏。机心焊接完毕后,印刷电路板还经过绝缘漆的喷涂,不仅增加美观,同时也改善了防潮性能。本机机心采用反装的方式,即印刷电路板朝外,元件朝里。这样不仅便于检修,更主要的是增加了机内空腔体积,对改善音质极为有利。机内采用口径φ65毫米的永磁式动圈扬声器,其阻抗为10欧姆。这种扬声器的频率特性设计成马鞍形曲线,高、低音都适当兼顾。因此音质比较丰富优美。
四、主要元件数据及制作
1.磁性天线(L\(_{1}\),L2)采用100×17×5毫米\(^{3}\)的扁形铁淦氧磁棒,中、短波两用。线圈骨架用酚醛纸压制。L\(_{1}\)为天线线圈和短波调谐线圈,绕在同一个骨架上。短波调谐线圈1—2之间占3/4圈数,2—3之间占1/4圈数。L2为中波调谐线圈及次级耦合线圈。短波线圈采用φ0.38毫米漆包线绕制;其余各线圈均用φ0.16毫米单丝漆包线绕制,绕制数据参看图3。

2.中、短波振荡线圈(L\(_{4}\),L3)分别采用102和103型小型方形振荡线圈,体积为10×10×12.5毫米\(^{3}\)。其外形和结构请参看本刊今年第五期第8页图5甲。所有线圈均采用φ0.12毫米高强度漆包线绕制,绕制数据参看图4。颜色标志:中波振荡圈磁罩涂红色;短波振荡圈涂蓝色。


3.中频变压器(B\(_{1}\)2\(_{3}\))采用T—10A型小型方形中频变压器。其体积、外形和结构均和振荡线圈相同。所有线圈均采用φ0.081毫米高强度漆包线绕制。绕制数据参看图5和表1。

4.输入、输出变压器(B\(_{4}\)5)采用坡莫合金铁心和聚乙烯塑料线圈骨架。铁心截面积为5×5毫米\(^{2}\)。绕制数据见图6。(严毅 朱达)
