半导体超外差式收音机中,除了各种放大器外,还有一个由半导体管和LC回路等组成的所谓本机振荡电路。本文将着重介绍这类振荡电路的工作原理,并对各种振荡电路的结构和工作性能作一些分析。
一、LC回路的振荡特性
把一个线圈和一个电容器连接在一起,就构成了一个回路(图1)。假如电容器是预先充了电的,这时就会发现回路内有电流流动,而且它的方向来回变化,电容器时而充电,时而放电(见图1),如此循环下去,但同时也发现回路内的电流的强度愈来愈小,最后变到零,充放电的过程也停止了。这种现象叫做“自由振荡”。在自由振荡过程中,原来充到电容器上的电能,在向线圈放电时变为在线圈里和线圈周围产生的磁场,能量被暂时储存到线圈里;当线圈反过来向电容器充电时,电能又被储存到电容器里。但由于回路的线圈、电容器和回路的接线都有一定的电阻,电阻是要消耗能量的,所以在自由振荡过程中,能量逐渐消耗掉,因此振荡电流的强度愈来愈小,或是说振荡的幅度愈来愈小,以至停止。

上述振荡现象就好比钟摆的自由摆动,当时钟停走时,先不上发条,把它的摆推一下,也就是给它一些能量,钟摆就摆动起来。如果不再继续推它,摆的摆动幅度就愈来愈小,直到最后停下来。如果我们与钟摆的摆动合拍地不断推它,钟摆就不断地摆动,不会停下来;实际上给时钟上发条的作用就等于通过机械齿轮传动不断推动钟摆,所见它能不停地摆动。我们叫这种不停止的振荡为持续振荡。在持续振荡过程中,如果供给钟摆的能量等于它摆动时消耗掉的能量,振荡将保持一定不变的幅度。这时我们叫它“等幅振荡”。
类似地,如果我们不断地在合宜的时刻把电源加到上述LC振荡回路中,补充回路能量的消耗,那末回路中的振荡过程将不停地继续下去。
回路内电容器每正反充放电一次,我们叫它一次振荡。一秒钟内有多少次振荡,即振荡的频率f多高,可以用下式算出:
f=\(\frac{1}{2π}\)\(\sqrt{LC}\)
在上式中:固定L改变C,或固定C改变L,都能使f变化。
在半导体管振荡电路中就有一个如上述的振荡回路,并且利用半导体管的放大作用把直流电源的能量变为适合回路需要的能量,适时地供给回路,以补偿回路能量消耗,从而使振荡电路中产生我们所需要的持续等幅振荡。
二、由放大器到振荡器
大家很熟悉再生式收音机。所谓“再生”就是如图2将放大后的一部分高频信号成分,通过微调电容器C\(_{4}\)和线圈L2、L\(_{3}\)之间的互感作用重新送回到放大器的输入端,以加强输入信号。把输出信号送回输入端习惯上叫做“反馈”。如果反馈回来的信号的相位和输入信号的相位相同,也就好比前面所述合拍地推动钟摆,那么输入信号将被加强,从而使输出信号也增强,获得再生效果,提高收音机的灵敏度。反馈回来的信号愈强,再生效果愈好。但反馈增大到一定程度,再生式收音机就发生啸叫不能收音了,这是因为再生式收音机的放大器变成了振荡器,产生了振荡。因此振荡器实际上就是反馈很强的放大器。

一个放大器当满足以下两个条件时就变成了振荡器:(1)振幅平衡:就是反馈回来的能量能补偿回路能量损耗,所以反馈电动势的振幅应等于输入信号的振幅。例如将图2中再生电容器调大或增加L\(_{3}\)的圈数到一定限度以上,就会产生振荡,发出啸叫。(2)相位平衡:一定要“正反馈”,即反馈回来的信号是加强而不是削弱输入信号。例如自制再生式收音机时可能会体会到,有时加再生后反而降低了灵敏度,声音比不加再生时更小了,这是由于再生线圈接反,反馈到输入端的信号削弱了输入信号,形成了“负反馈”,这时如将再生线圈两头对调一下,就能得到再生,显著地增加灵敏度。
图3a是超外差式收音机中的半导体管中频放大器。如果把中频变压器次级线圈L\(_{2}\)改接到本级放大器的输入端,即半导体管的基极,适当调整线圈接头,以保证取得正反馈,并将L2的圈数增加到保证满足振幅平衡条件,这时中频放大器就变成如图3b所示的互感反馈式振荡器了。此振荡器的振荡频率决定于原中频变压器的初级回路(例如465千赫),振幅的大小可以改变半导体管的偏压而加以调整。

从这一实例中我们可以看到,反馈振荡器是由三个基本部分组成的:(1)半导体管放大器:用以将小功率的输入信号放大成较大功率的输出信号;(2)振荡回路:在某一频率下谐振;(3)反馈元件:如图3中的L\(_{2}\),把输出信号以适宜的大小和相位反馈到振荡回路,以补偿回路能量的消耗;(4)直流电源:用以供给半导体管放大器的需要。这几部分的联系如图4所示。从另一种意义说,整个振荡器乃是一个把直流能量转变成交流能量输出的换能器。

三、几种常用的半导体管振荡电路
从以上叙述可知,半导体管振荡器和电子管振荡器在基本原理上是相同的,下面还将看到,它们的几种电路形式也大体相似。
1.变压器耦合反馈振荡电路:图5a示出一种超外差式收音机用的本机振荡电路。它是调发射极的变压器耦合振荡电路。R\(_{1}\)、R2、R\(_{3}\)是偏流电阻,用电流反馈偏流法稳定3AG11的工作点。另外,电容器Cb既保持基极有一定的直流电位,又使基极处于高频地电位(共基极电路),即可看作基极与回路线圈的“1”端相接。C\(_{6}\)是隔直流电容,用以防止直流电源通过L1下面一段将R\(_{1}\)短路,同时又提供一高频通路(对高频可视为短路),因此对高频来说,发射极与回路线圈的“2”端相接。显然,振荡回路L1C\(_{1}\)是接在发射极与基极之间的,但又不是和整个回路相接,这是因为半导体管不同于电子管,它的基极与发射极之间加有正向偏压,阻抗很低,直接和振荡回路并联,会使回路的谐振特性大大变坏,发生振荡停止或振荡频率极不稳定,以及幅度减小等毛病。采用抽头连接后可免除以上各种毛病。大家一定也注意到很多半导体收音机用的中频变压器都有五根引出线,初级带抽头,这一方面是为了阻抗匹配,另一方面也是为了防止半导体管的集电极与发射极之间的阻抗和整个线圈并联后降低收音机的灵敏度和选择性而采取的措施。

变压器耦合反馈振荡器的振荡原理正像我俩前面所讲的:当回路中因电子骚动而引起一振荡时,振荡电压加在半导体管的发射极与基极之间(输入信号),被半导体管放大,在输出端集电极所接反馈线圈L\(_{2}\)中得到放大了的振荡电压,通过L2与L\(_{1}\)之间的互感作用又反馈到发射极与基极之间(输入端)。如果L1和L\(_{2}\)的圈数和绕制合适,反馈足够强的话,便能满足振幅平衡和相位平衡条件,振荡便产生了,其频率f等于:
f=\(\frac{1}{2π}\)\(\sqrt{L}\)\(_{1}\)C1;
也可以这样解释:反馈信号适时地补充了回路维持振荡所需的能量,使振荡能够持续地进行下去。
变压器耦合反馈振荡器还有调基极和调集电极两种。图3b就是调集电极的,调谐回路接在集电极,反馈线圈接在基极。图5b是调基极的,回路接在基极与发射极之间(因C\(_{el}\)、Ce2对振荡频率为短路),反馈线圈接在集电极。它们的工作原理和调发射极的一种相同。

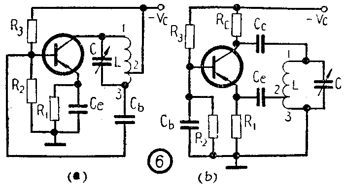
2.自耦变压器耦合振荡电路:或称“电感三点”式或“哈脱莱”式振荡电路。图6a为共发射极的这种振荡电路。其中的R\(_{1}\)、R2、R\(_{3}\)是偏流电阻。对振荡频率而言,Ce可看作短路,故发射极等于接地,并通过电源接到线圈“2”端。C\(_{b}\)对振荡频率亦可看作短路,故基极通过Cb接到回路线圈的“3”端。因此,振荡回路是接在集电极与基极之间,反馈线圈是回路线圈的一段(2—3),通过这段线圈将反馈信号送入回路,所以称为自耦变压器耦合振荡电路。从另一个角度看,回路线圈的三个端点分别和半导体管的三个电极相连接,所见又称“电感三点”式振荡电路。
回路振荡电压通过L\(_{2—3}\)反馈到输入端,加以放大后补偿回路的能量损失,使振荡得以维持。振荡频率决定于L和C的大小,L固定,调节电容C可在一定范围内改变振荡频率。改变抽头2的位置,可控制振荡幅度,抽头高,振荡强,幅度大。不过应注意,抽头太低(反馈圈太少)不易起振;而抽头太高(反馈太强)频率不稳定。图6b是一个共基极的电感三点式振荡电路。适当选择Cb,可使基极为高频地电位。C\(_{c}\)是隔直流电容器,用以防止集电极通过线圈接地,得不到电源电压。Cc的电容量应选得保证它对振荡频率为短路。C\(_{e}\)的作用和Cc相似,用以保持发射极有一定的直流电位。 R\(_{c}\)的作用是保证集电极处于交流高电位,不至被直流电源的低内阻短路。回路接在集电极与基极之间,抽头“2”通过Ce与发射极相通,反馈线圈是回路线圈的2—3段。
共集电极电感三点式振荡电路不常用,故不再介绍。
电感三点式振荡电路的优点是装置简单,容易起振,缺点是振荡波形不好,或者说谐波多,不如下面介绍的电容三点式电路。
3.电容反馈式振荡电路:或称“电容三点”式或“考毕兹”式振荡电路。图7A是共发射极的这种振荡电路。R\(_{b}\)是偏流电阻。L和C1、C\(_{2}\)组成振荡回路。Cb对振荡频率可看作短路,故振荡回路接在集电极和基极之间。发射极不是接在线圈的抽头上,而是接在C\(_{1}\)和C2中间。C\(_{1}\)和C2对振荡电压形成一分压器,C\(_{1}\)上的电压反馈到基极,经半导体管放大后,补偿回路中的能量消耗,维持振荡。高频阻流圈GZL提供直流通路和使集电极处于高频高电位。这种振荡电路的振荡频率也决定于振荡回路。调C1和C\(_{2}\)或调L,都可改变振荡频率。回路的总电容为
C\(_{总}\)=C1C\(_{2}\)C1+C\(_{2}\)

于是振荡频率为
f=\(\frac{1}{2π}\)\(\sqrt{LC}\)\(_{总}\)
共基极电容三点式振荡电路如图7b所示。其工作原理与前述相似,不多赘述。
四、怎样分析振荡电路的结构
振荡电路比放大电路复杂,不容易一下子看懂,这里介把一下识图方法:(1)先找出偏压电阻。半导体管的偏置方法不外乎固定偏流、电压反馈、电流反馈、综合自偏等几种,如图7b一看便知道是采用电流反馈的偏置方法,R\(_{1}\)、R2、R\(_{3}\)是偏流电阻。(2)把隔直流电容和旁路电容短路。这些电容都是提供交流高频通路用的,在高频电路中不起作用,而它们的容量都较大,容易识别。如图7b的Cc和C\(_{b}\),将Cc短路后可见集电极与回路上端相联,C\(_{b}\)短路后,基极与地相联,即与回路下端相联,无疑回路是接在集电极和基极之间。(3)找出回路元件和反馈元件。如图7b中的L和C1、C\(_{2}\)就是回路元件。发射极接在C1、C\(_{2}\)之间,C2是反馈电容。显然可看出这是电容三点式振荡电路。
五、振荡管的选用
选用振荡管时,主要应满足以下两个要求:(1)频率:半导体管手册上给出的最高振荡频率f\(_{max}\),是功率增益等于1时的频率,在此频率下,半导体管只能勉强维持振荡而没有功率输出,当工作频率低于最高振荡频率时,功率增益才会有显著的增加。这就是说,我们要做10兆赫的振荡器必须选用fmax大于10兆赫的管子。在实际应用中,为了能从振荡器取出必要的功率,常使半导体管工作在低于13f\(_{max}\)的频率。如3AG11的fmax=30兆,用它作中波收音机的本机振荡管,效果就很好(中波的最高本振频率是2兆);而用作短波(2兆~24兆)就不太好。(2)功率:半导体管的集电极散热能力是有限的,如3AG11的集电极损耗是50毫瓦,当所需的振荡功率太大时不能选用。一般半导体收音机中,只需本机振荡器给出1毫瓦左右的振荡功率,3AG11是能够胜任的。(露天)