电火花放电有时是一种不受欢迎的现象。譬如,开关刀口、继电器接点等电器设备的接触部分,在启闭瞬间发生火花放电,便会留下黑色烧斑(称为“电蚀”),造成元件接触不良或缩短接触件的寿命。
但在本世纪四十年代,人们发现,利用电火花对金属的腐蚀作用,能够有效地对金属进行尺寸加工,并且还能解决一般机械加工难以完成的一些工艺问题,如硬质合金的加工,形状复杂的模具的加工等。模具的一般加工方法,是先开模后淬火,而电火花加工方法是先淬火后开模,因而,能够保证模具的精密尺寸。电火花加工技术,由于有它独特的优点,二十余年来,得到迅速发展,开辟了新的工艺领域。
电火花加工过程是在液体介质里进行的。两个带不同电荷的电极,相距甚近,其间电位差达到一定程度时,将击穿介质,形成放电通路,其电阻很小,只有零点几欧姆,所以放电电流极大(据测量:达数百以至数千安培),而放电时间极短(一般在1毫秒以内),构成短时间的大电流放电,能量高度集中、产生大量的热能和冲击力,引起爆炸效应,在放电区域里,一定数量的金属遭受破坏。据测量,放电通道的温度为10000~12000℃,瞬时放电电流密度10\(^{5}\)~106安培/毫米\(^{2}\),放电瞬间功率达几万千瓦。在火花放电作用面上产生的高温,使一定数量的金属熔化乃至汽化,而灼热气体的压力(放电通道的局部压力可达几百个大气压)把灼热金属迅速抛离放电区。每经一次放电,在阳极(工件)上形成若干小圆穴。这些圆穴重叠的结果,在阳极上得到与阴极(工具电极)形状完全相同的凹穴。经长时间放电作用后,凹穴成孔,其形状与阴极的外形轮廓完全相同。实践证明,利用电蚀现象完全可以对金属进行尺寸加工。
关于电火花加工现象,目前还没有最终的解释,上述金属遭受热破坏的说法,是目前世界上比较一致的看法。除此之外,还有非热作用使金属破坏的说法,诸如,电场力的作用,金属蒸气流的机械破坏作用,电动力的作用,等等。
另外,电火花加工过程所以不能在空气中进行的理由是,放电时产生的灼热飞溅的金属微粒,会大量沉积和粘结在电极的加工表面处,使电极逐渐变形,因而不能得到清楚的轮廓尺寸。若将加工件(电极)浸在一定的液体介质中时(例如煤油里),则放电时由阳极甩开的微小金属液滴,会在液体介质里迅速冷却下来,形成球状颗粒,悬游在液体介质中,不致飞溅粘集电极而破坏原形。
电火花加工机床的主要组成部分有:脉冲发生器,自动调节系统,机械传动装置,安装工具电极的主轴头,工作液循环系统等(参看图1)。其中有的不属于电子学范围,我们这里仅就和电子学有关系的脉冲发生器,自动调节系统等,作些介绍。

一、脉冲发生器
电火花加工是依靠具有一定间歇时间的,连续不断的脉冲放电来实现的。脉冲发生器的形式很多,现在就常用的弛张式脉冲发生器和独立式高频脉冲发生器作些简单介绍:
1.弛张式脉冲发生器:
图2是RC脉冲发生器原理图。图中阳极是待加工工件,接到电源的正极,阴极是工具电极,作成需要的形状,通过限流电阻R,接到电源的负极。C为储能电容器。整个线路由供电回路(细线所示)和放电回路(粗线所示)两部分组成。火花放电就是利用电容器的充放电进行的。直流电源接通后,通过限流电阻R给储能电容器C充电,电容器端电压U\(_{c}\)按指数上升。当Uc上升至U\(_{co}\)时(见图3),电极间的介质被击穿,电容器C上储存的电能沿击穿时产生的导电通路放电,产生火花,电容器的电压随即急剧下降,当降到Uo时,电极间液体介质恢复绝缘性能,电源又通过R给C充电。如此下去,电极间就产生周期性的火花放电。


RC脉冲发生器的效率很低,当保持最大放电平均功率时,效率仅为36%。另外由于放电频率一般低于10千赫,所以生产率(金属的蚀除速度)也不高。但由于RC类型的装置结构简单,易于推广,目前国内外仍有应用。
为了提高电路的效率,可以像图4那样,在充电回路中串一铁芯电感,形成RLC型脉冲发生器,缩短充电时间,以提高生产率。

也可以像图5那样,在RLC线路的放电回路中串一空心电感,延长脉冲持续时间,进一步提高生产率。

以上三种形式的脉冲发生器具有相同的缺点。1.生产率和加工光洁度不能同时满足较高的指标。因为欲提高生产率,在电源电压固定的情况下,须增大电容量,即增加每次充放电的脉冲能量,但是,单个脉冲能量的增加会促使每次脉冲放电过程的金属蚀除量增加,也就是小圆穴的深度和面积增加了,因而使加工表面的光洁度下降,反之,为保证较高的光洁度,须减小单个脉冲能量,即减小电容,这样,生产率必然降低。2.脉冲参数受极间物理状态的影响,例如间隙的大小变化、电蚀产物排除条件的好坏等都会使脉冲参数不稳定,影响加工质量。由于脉冲参数不能完全独立于电极间隙的物理状态,所以把它们叫作非独立式脉冲发生器。
2.独立式脉冲发生器。为满足高精度产品加工工艺的需要,最近几年发展了高频脉冲电火花加工技术。它采用独立式脉冲发生器,与非独立式脉冲发生器不同,发生器的工作参数不受间隙状态的影响,它采用小能量、高频率的脉冲放电,可以在较低的电压下工作。由于脉冲建起时间极短,脉冲能量波动很小,所以能满足的加工工艺指标大大优于非独立式脉冲发生器,宜用于精密加工。下面简单谈一谈电子管式高频脉冲发生器,图6是它的方框图。

主振级产生一定幅度和功率的矩形脉冲信号,并能在较宽的范围内调节脉冲频率和宽度。前置级将主振级输出的脉冲电压加以放大,以推动输出级,输出级供给电极以强大的功率,来满足加工工艺要求。
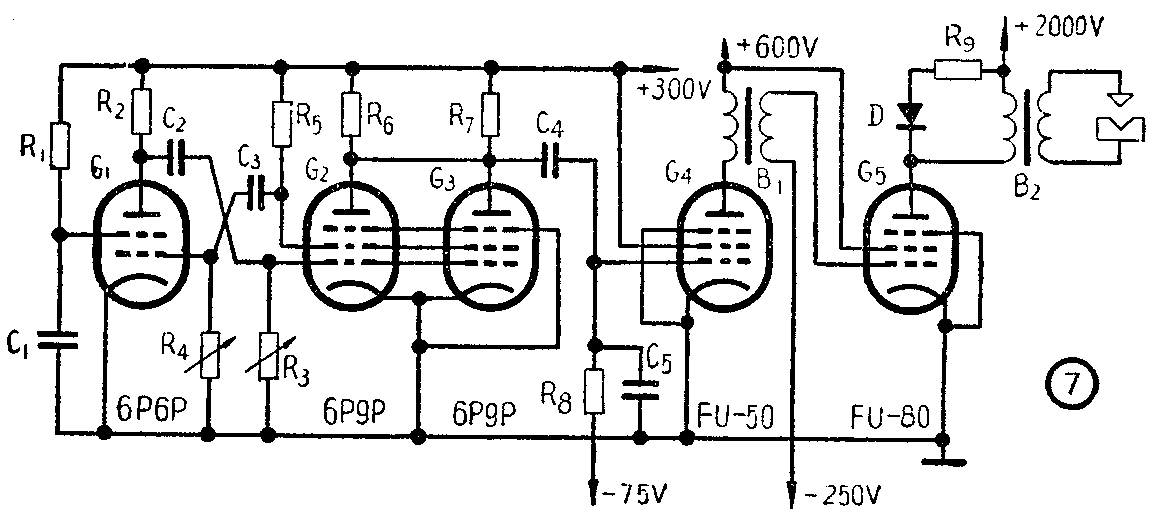
图7是它的电路图,图中G\(_{1}\),G2,G\(_{3}\)组成主振级,是一个不对称的多谐振荡器,为了避免帘栅损耗过大并保证一定的输出振幅,振荡器的右半部采用双管并联接线,为了改善输出波形,G2,G\(_{3}\)用五极管,屏极回路专门用作输出脉冲电压,变化G2,G\(_{3}\)的栅极回路电阻R3可以改变脉冲宽度,调节G\(_{1}\)的栅极回路电阻R4可以控制脉冲重复频率,电子管G\(_{4}\)与脉冲变压器B1组成以变压器为负载的脉冲电压放大器,电子管G\(_{5}\)组成功率输出级,脉冲变压器B2的次级连接电极,考虑到在工作过程中,当两电极间突然停止放电时,会在B\(_{2}\)的初级感应一负半波的高电压,有可能将变压器绝缘击穿。为了防止绝缘击穿和过大的工具电极损耗,必须削减负半波,为此,在B2的初级绕组两端并联一电阻R\(_{9}\)和二极管D。此线路输出脉冲频率可达20—100千赫。

二、自动调节系统
电火花加工过程中,每放电一次金属被蚀掉一些,两极间的距离不断增大。当极间距离增大到一定值时,液体介质不再被击穿,放电便告停止。为了保证放电过程能持续下去,就必须使工具电极,在加工过程中,不断向工件进给,维持必要的放电间隙。另外,由于某种原因,间隙过小或短路时,应使两电极迅速离开。为此,应设一自动调节系统来维持最佳放电间隙,使加工能够顺利进行。
图8是调节系统的方框图。测量环节间接地测出间隙大小状态(由于间隙只有几微米或几十微米,无法直接测量,一般利用间隙大小与电流、电压的比例关系,用测量电极间的放电电流或电压的办法来间接测量间隙状态),由于测量环节输出信号较小,不能直接推动执行机构动作,须用放大器将信号放大。当整个调节系统处于稳定状态时,工件的腐蚀速度等于工具电极的进给速度。当间隙过大或过小时,测量环节都有信号输出,经放大器放大后,推动执行机构动作,带动工具电极进给或退离,从而保持最佳放电间隙。

图9是一个用于RLC脉冲发生器的电子管直流放大自动调节系统的线路图。它采用了电流电压双信号差动电桥作为测量环节,具有较高的灵敏度。线路中应用了两级电子管放大电路:第一级是推挽电压直流放大器。第二级是交流供电直流输出的全波相敏功率放大器。当电源处于正半周时,如果G\(_{2}\),G3的右半部导电;负半周时则左半部导电。G\(_{2}\),G3的屏流都流经电机电枢,但方向相反。这个调节系统的执行机构为直流伺服电动机。

图中R\(_{1}\),R2,R\(_{3}\),R4是差动电桥的四个臂,其中R\(_{3}\)=R4,输出端电压U\(_{ba}\)=\(\frac{1}{2}\)(βuc-αu\(_{R}\)),其大小和极性随电极间隙而变化。图10是αuR、βu\(_{c}\)、Uba随电极间隙δ大小变化的情况,图中δ\(_{0}\)是最佳间隙,也是输出电压Uba的极性转换点,βu\(_{c}\)与αuR电压相等,输出电压U\(_{ba}\)等于零,加在双三极管G1两个栅极上的栅压相等,屏流也相等,G\(_{2}\)与G3的栅压也相等,屏流也相等。但由于两屏流在电机电枢内的方向相反,互相抵消,故电枢内无电流流过,电机不运转,从而不带动工具电极进退、极间距离保持不变。当δ>δ\(_{0}\),R上的电流减小,平均压降uR减小,αu\(_{R}\)<βuc、a、b两端出现电位差,并且a点为负b点为正,此时G\(_{1}\),G2,G\(_{3}\)的栅压都出现不平衡(其正负状态如图9中所注),由于G2的栅压低于G\(_{3}\)的栅压,从而相应的G2的屏流值小平G\(_{3}\)的屏流值,这时电机电枢内的电流I不再为零,而是G2与G\(_{3}\)两屏流之差,且方向为G3的屏流方向。如图中箭头所示,此时电机开始运转,带动工具电极向工件微量进给、直至最佳放电间隙δ\(_{0}\)。反之,当δ<δ0时,a点为正、b点为负,各管栅极电压的极性与上述相反,电机向反方向运转,带动工具电极退离工件,直至最佳放电间隙δ\(_{0}\)为止。极性转换点δ0可借电位器R\(_{1}\)与R2来调节,使δ\(_{0}\)等于最佳放电间隙。图中D1,D\(_{2}\),C1,C\(_{2}\)的作用是保证在R1,R\(_{2}\)上能得到比较平稳的脉动直流电压,以使整个系统工作稳定。
除此之外,还有许多种自动调节系统,这里就不一一介绍了。(王沛远)
