百灵4-62-1A型一类的三、四管再生来复式半导体收音机,用在有电台的城市、郊区和离电台不很远的农村,效果一般都很好。但是这种普及型机电路比较简单,采用单调谐回路,放大量有限,灵敏度和选择性不能和超外差式机相比。因此在远离电台的地区使用时,就不像在城市一样,收听情况有时是不够好的。就以百灵4-62-1A型机来说,根据在国内许多地方实地了解的情况,用同一台收音机分别在离电台较远的农村、林区、牧区和山区等不同地区试听,同样都加接了机外天线,但随地区环境不同,收听效果有很大差别:有些地方可以收到许多电台,分隔情况也很好;有的地方则不接天线收不到,接了天线整个度盘却被一个电台所占满,或有几个电台混在一起造成严重干扰。但是尽管是在收音环境很差的地方,根据实验,将电路略加改动和调整,收音效果是可以改善的。普及型机在这种不利情况下使用,采取以下方法调整,一般可以收听满意。
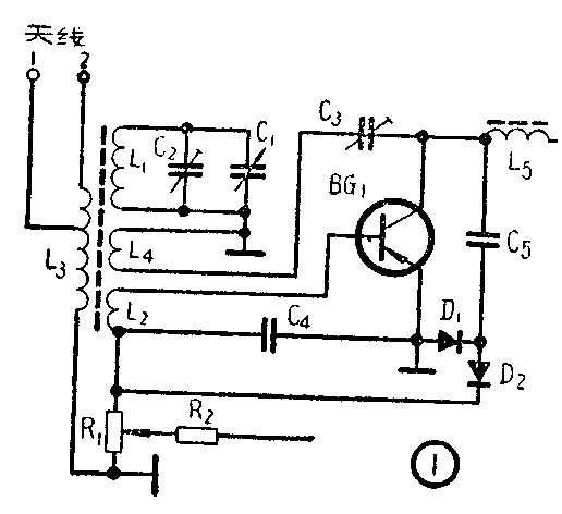
一般再生来复式半导体机都装有磁性天线,正常情况无需另接天接收听。为了适应远地收音需要,机上也备有加接机外无线的插孔。加接机外天线的方法,许多产品(百灵、牡丹、长城、东湖、珠江等)都采用电感耦合方式。以百灵4—62—1A型机为例,其具体接法如图1,在磁性天线棒上除有调谐回路线圈L\(_{1}\)、再生线圈L4和基极线圈L\(_{2}\)以外,还有一个用作天线耦合的线圈L3。这种电路,优点在于天线与调指回路之间可以选到最佳的耦合点,传输系数在收听频率范围以内高低两端比较均匀一致,接用机外天线后,对整机频率覆盖的影响也较小。但是另一方面,由于天线线圈和调谐线圈、基极线圈是绕在同一磁性瓷棒上的,接用机外天线后,L\(_{3}\)上感应到的强力信号,可能不经调谐线圈L1的选择,而经L\(_{2}\)直接进入高频管放大,因而收音机上会出现有一个或几个电台信号占满整个度盘的混台现象。因此,在信号较弱的地区收音必须加用机外天线时,应当按照所用天线长短,将它接在机上天线接头“2”或“1”上。收听时并将机箱位置方向转动,以取得信号很强而无混台串音的最佳状态。

如果以上方法不能消除混合现象,可将天线改为弱耦合方式连接。方法是将天线的引线和L\(_{3}\)接天线的引出线各套上一段绝缘管,然后两线互相较合在一起,绞合长度约在40~100毫米之间。其次将线圈L3移向远离L\(_{2}\)的一端,再将电位器R1开到音量最大位置,重新调整增大再生电容C\(_{3}\)的容量,使收音机处在刚刚出现再生啸叫的临界位置。这样,调谐收到一个电台信号以后,将R1从音量最大位置旋小一点,便可收到清晰的播音。变更天线的长度,或调整引线的绞合长度,可以取得最佳收音效果。
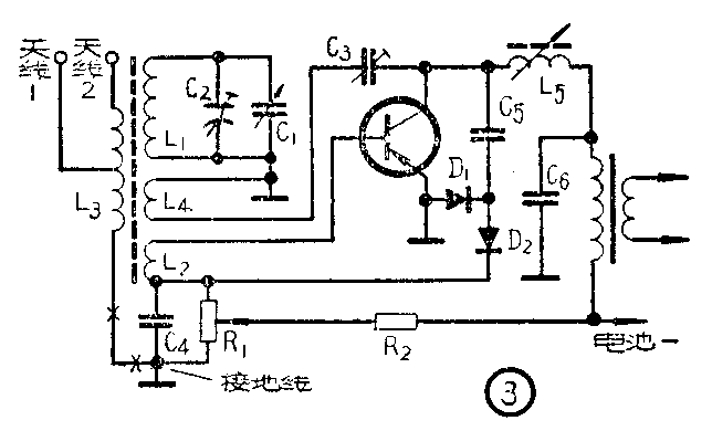
有些地方,采取上述措施可能混合现象还不能完全消除。这时可如图2改用电容耦合方式,将天线通过耦合电容C\(_{A}\)接在调谐回路L1上。这样天线上收到的信号通过C\(_{A}\)。进入调谐回路,可以避免强力信号由L3向L\(_{2}\)传输直接进入放大器造成干扰。天线耦合电容器CA的容量可从6~15微微法之间选择。容量选得大些,传输系数较大,灵敏度较高,但天线阻抗对调谐回路的影响也随之增加,因而选择性较差。反之,C\(_{A}\)容量小些,选择性较好,但灵敏度稍低。实验表明,一般情况下CA以取12微微法为宜。曾在许多边远地区改用电容耦合的方法试听,天线为一般常用的T型天线(高8米、水平长度15米),将再生电容器C\(_{3}\)稍加调整,实际收听效果很好,原来很严重的混台串音,这时完全消除了。如果CA无适当成品可用,可按前述办法,利用两根长约40~150毫米的单股硬胶线绞合起来,一根连接天线,一根接至调谐电容C\(_{1}\)的固定片上作为代替。适当调节两线绞合长度,以变更两线之间的分布电容量,便可达到灵敏度与选择性兼顾、收音效果最佳的程度。

如果不采用加接天线耦合电容C\(_{A}\)的方法,也可以将天线线圈L3的接地引线剪断,如图3中有×处所示,再将耦合线圈L\(_{2}\)向左移与调谐圈L1靠拢。此时将天线接在天线线圈的“2”端,机上接地线的引线也实际接通地线。开启电源收听,若出现仍有少许混台现象,可将天线线圈L\(_{3}\)再向磁棒右端移动,或将天线改接在“1”端上,并适当调整再生电容C3,使其灵敏度和选择性得以兼顾。这样改进的办法,是使天线上感应收到的信号,通过天线线圈L\(_{3}\)与调谐线圈L1之间的分布电容进行耦合输入至调谐回路,实际上仍是起到电容耦台的作用,所以收听效果也很好,可以有效地克服混台现象。

此外,个别机器有时由于环境温度变化等关系,使用一段时期后,半导体管的工作点可能发生变更,引起灵敏度降低。这时可将高频管的工作点电流重新调整,以提高恢复应有的灵敏度(参见本年第1期“百灵4-62-1型机的修理”)。但是应当注意高频管的集电极电流应取在1~1.5毫安之间,一般最大不宜超过1.5毫安。如果这级的集电极电流调得过高,不但噪音加大,而且会使整机的稳定性变坏,其他指标也将受到牵连影响。(严一岩)