海棠牌TR-401型普及式四管半导体收音机是武汉市无线电厂的产品,曾在第四届全国收音机评比中荣获一等奖。这种收音机的特点是:性能比较优越,发音宏亮清晰;用电节省,应用普通一号手电池四节,每天收音2小时,可以使用两个月左右。它的外形为台式,坚固耐用,适宜于广大农村及城市中使用。
一、工作原理
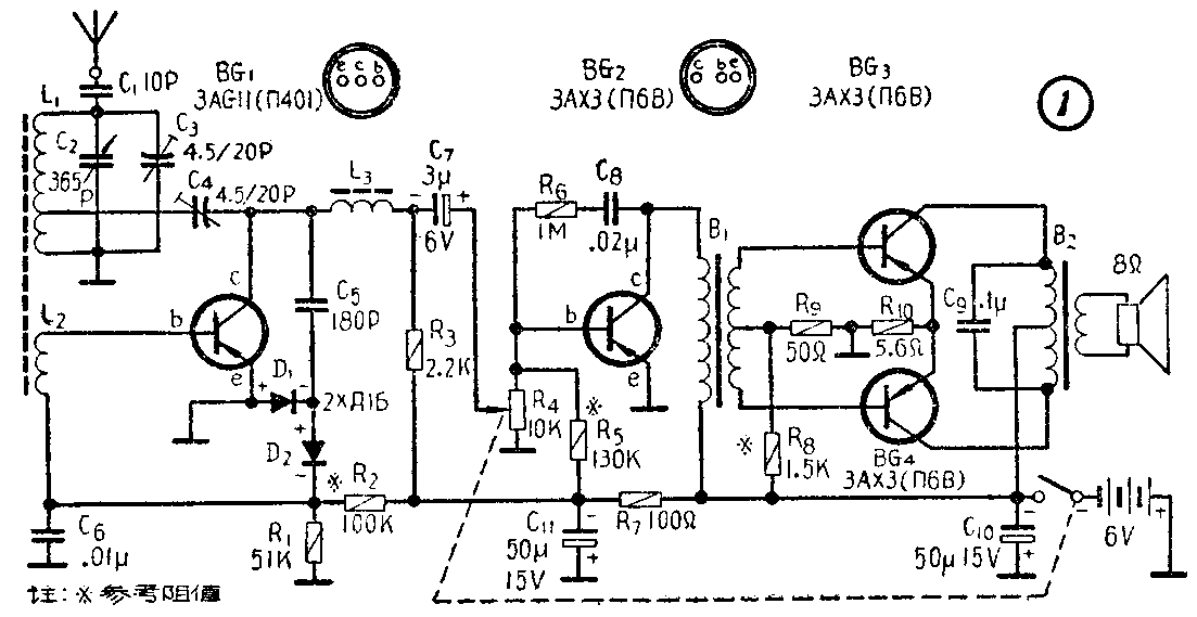
本机的电原理图见图1所示。高频半导体三极管BG\(_{1}\)担任再生式高放,并兼作低频来复放大。两只半导体二极管D1、D\(_{2}\)作倍压检波。半导体低频三极管BG2 作低频放大;BG\(_{3}\)、BG4担任推挽功率放大。它的工作情况是这样的:在磁性天线上所感应到的高频信号,经L\(_{1}\)、C2和C\(_{3}\)所组成的调谐回路选择后感应到基极线圈L2,并送入第一级半导体管BG\(_{1}\)的基极,经该半导体管放大后的高频信号一部分经电容器C4正反馈至L\(_{1}\)产生再生,以提高灵敏度和选择性。另一部分通过C5到两只半导体二极管作倍压检波,检波后的音频信号再加到高频管BG\(_{1}\)的基极完成低频来复放大。放大后的音频信号经过高频阻流圈L3和耦合电容器C\(_{7}\)到达第二级半导体管BG2的基极,继续将音频信号放大后,利用耦合变压器B\(_{1}\)将信号送至推挽输出级,经过由两只低频管BG3、BG\(_{4}\)所组成的推挽功率放大后的音频信号由输出变压器B2传送到扬声器上而放出声音。

二、电路特点
1.本机的第一级电路采用3AG11(Π401)高频半导体三极管担任高放(有的产品中使用了3AG14),固定再生并兼作低频来复放大,做到一管三用,充分发挥了这只半导体管的作用,因而使得本机具有较高的灵敏度和选择性。由于采取这一措施,使得电路简单、性能优良,便于装修。
2.在第二级低频放大电路中加接了由R\(_{6}\)、C8所组成的本级回输电路,它能进一步改善失真度和频率响应,使本机的发音更为清晰动听。
3.本机的第三级采用了由二只3AX3(有的产品中使用3AX1)组成的推挽功率放大电路,大家知道用单只半导体管作甲类功率输出时其效率还不到50%,而用二管作推挽功率输出时其效率可达75%,充分发挥了半导体管的作用。本机的最大输出功率可以达到120毫瓦,推动一只口径100毫米、8欧的扬声器,其音量十分宏亮。
由于末级采用了推挽输出电路,所以这一级的集电极电流在无信号时只有3毫安,在70毫瓦输出时为30毫安,在实际使用时的平均电流均在20毫安左右,这就是说它的耗电量与实际收听时的音量大小有关,当收音机的音量开得不太大的情况下,它比具有单管输出级的三管半导体收音机还要省电些。
该产品在大批生产以来,为了改进收听效果,在电路上有了些变动,在此一并说明。在最近的一些产品中,二极管D\(_{1}\)不直接接公共电池正极线,而是通过2.2千欧电阻和0.01微法电容器二者的并联电路后到公共电池线,这样将显著地改善降压灵敏度这一指标,并能使高频管在环境温度变化时,工作较为稳定。另外,将R1的阻值改为33千欧(原为51千欧),并将它接电池线的一端改接到电位器滑臂,这样改变后能显著降低高频管的噪声和在大信号时的失真度。
三、主要电性能指标
1.频率范围:535~1605千赫
2.灵敏度:不低于8毫伏/米
3.选择性;1000±10千赫时大于12分贝
4.电压频率特性:350~3000赫内不均匀度小于6分贝。
5.整机电压谐波失真:在标称功率(50毫瓦)时小于10%。
6. 最大输出功率:120毫瓦。
7. 电源电压:6伏(普通一号手电池4节)
8.降压灵敏度:电源降至4.5伏时不劣于25毫伏/米。
四、桔构和工艺特点
1.本机的结构坚固可靠,元件排列整齐,分布均匀而合理,因而使机器的性能较为稳定,修理方便。
2.采用电子管收音机用的普通大型元件,质量可靠,修理时配换元件较为便利。
3.本机的外形为小型台式,有胶壳和木壳两种,尺寸均为:255×140×165毫米。重量为2.4公斤(包括电池在内)。
五、主要元件数据
1.磁性天线:见图2所示,磁棒采用Man4φ10×140mm的一种。L\(_{1}\)用7×0.07mm单丝漆包线密绕55圈,在5圈处抽头作为再生回授线圈,整个线圈在未装上磁棒前的电感量为21微亨。Q值≥85。L2为基极线圈,它用普通7×0.1mm的塑料软接线在磁棒上绕5圈后用蜡封牢,L\(_{1}\)与L2的距离在5~10毫米之间。

2.高频阻流圈:用φ0.12mm的单丝漆包线,在直径为8毫米的线圈管上绕成二节蜂房式,每节为250圈,宽为3毫米,绕成后将二节靠拢,电感量在2.5毫亨左右,Q值≥40。见图3。

3.输入变压器:见图4。圈数比为3∶1,初级用φ0.12mm漆包线绕2400圈,直流电阻162±10Ω,电感量大于3亨利。次级仍用φ0.12mm漆包线绕800圈,400圈处抽中心抽头,直流电阻75±7Ω。

铁心的尺寸见图5所示,中心舌宽6毫米,迭厚8毫米,硅钢片的牌号为D42,厚0.35毫米。

4.输出变压器:见图6,它的圈数比为8.3:1,初级用φ0.16mm漆包线绕730圈,在365圈处抽中心抽头,直流电阻在28Ω左右,电感量大于0.3亨利。次级用φ0.41mm漆包线绕88圈。铁心的尺寸完全和输入变压器相同(见图5)。

由于输入和输出变压器所担负的电压不高,所以线包均采用平乱绕方法,但漆包线的质量必须优良,以免短路,初、次级间的绝缘用0.05mm厚的电话纸三层。线包的骨架是用胶木粉压制而成的。
六、调整
在图1的电原理图中,有※记号的电阻R\(_{2}\)、R5、R\(_{8}\)为各级的调整电阻,对它们的阻值根据半导体管的性能不同而有不同要求,其目的是要使各级半导体管有一个最佳的工作点,本机的各级最佳集电极电流如下:
3AG11 0.9±0.2毫安
3AX3 2±0.5毫安
2×(3AX3) 3±0.5毫安(无信号时)。
本机的第一级高频管如采用其它型号时仍可按上述数据调整。
图1中C\(_{4}\)为半可变的瓷介电容器,作再生耦合之用,它可以调整收音机的灵敏度,本机在出厂时已调整到最佳状态,如果收音机因日久受气候变化影响而使灵敏度变低或者变高而产生叫声时,可以调整该电容器,其方法是:当收音机产生叫声时可将电容器缓慢地向叫声减弱的方向转动到叫声停止时为止。如发现收音机的灵敏度变低,则可向音量增强的方向转动,同样到不产生叫声为止。
为了提高低端灵敏度而使整个波段内灵敏度比较均匀,高频阻流圈L\(_{3}\)和磁性天线之间有一定程度的高频磁场耦合,它们二者之间的距离在出厂时已调整到最佳状态,在一般情况下不要轻易移动。(朱正明)