检波级
超外差式收音机的检波级一般采用二极管检波,对检波二极管的要求是两个电极距离近一些,以获得较高的检波效率,收音机的检波电流很小,对检波管的功率消耗定额要求不高。国产专用的检波管有交流小型管6H2和八脚管6H6P,以及各种复合管中的二极部分。其他各种电子管都可以接成二极管使用,例如目前最常见的是将6N2的一个三极部分接成二极管检波,另一个三极部分作低放。
三极管接成二极管有三种方式,如图1:(a)图中将栅极和阴极相连,由于屏极对阴极和栅极的距离较远,故检波效率不高,但可以流过较大的检波电流。(b)图是将栅极和屏极相连,因栅极离阴极很近,检波效率高,同时检波电流绝大部分穿过栅极通往屏极,可以承受较大的电流,这是较好的接法。(c)图则将屏极接地,由栅极和阴极作为二极管检波,其检波效率和(b)图相同,而屏极接地后相当于一个屏蔽罩,可以防止外来的感应交流声和各种干扰。因收音机的检波电流很小,虽然检波电流全部流过栅极,还不致于发生过载损坏,因此,这种接法也常被采用。用五极管等接成二极管的方法也和上述情况相似。在收音机中各种管子第一栅和阴极组成二极管的检波效率都和专用检波管基本相同。

原用电子管检波的电路,也可以用半导体二极管来检波,效率很好。但半导体管有反向电流,使检波器的输入阻抗比用电子管时要低一些,影响中频变压器的Q值,使它略有降低,选择性就略差一些。如果选用的半导体二极管的反向电阻大于500千欧以上,则选择性的降低并不大。此外,如有自动增益控制电路,半导体二级管的极性不要接错,以免控制编压变成正偏压。此时应将二极管的负极接地。
再生检波需要有放大作用,不能用二极管,而可以用三极以上的任何种类的电子管,其中选用跨导高的电子管,再生较为稳定,灵敏度也比较高。
低频放大级
收音机的低放级主要是进行电压放大,供给功率放大级以足够的推动电压。电压放大级要求有足够大的电压增益,因此,要选用μ值高的三极管或跨导高的五极管,而在同样μ值的三极管中选用跨导高的可以获得更高的增益。在交流收音机中目前大都采用μ在70~100的高μ三极管,如小型管6G2、6N2、八脚管6G2P等;电池收音机中则用五极管,如小型管IB2等。可以作低放的电子管较为广泛,它们的代换和变通用法如下:
1.同类型管的代换:
表1列出和国产管相当的一些常用外国管。其中管脚相同的可以直接代换,管脚不同的如6G2和6N2类型的管子互换时除更换管座外,其他元件可以不变。必要时将阴极电阻调换一下,使栅偏压在1~2伏左右。

注:▲抑制栅与阴极在管内相接;
△灯丝可以串联(12.6V)和并联(6.3V),第9脚为灯丝中心点;
●高μ三极管;
○中μ三极管;
○内数字相同的表示管脚接法相同;
△内数字相同的表示性能基本上相似。
2.用中μ管代用高μ管:
μ值在10~40的称为中μ管,如6N1、6N8P等,用这类管子来代用μ在100附近的高μ管6N2等时,放大倍数约要降低一半左右,因此收音机的灵敏度有些降低,但如果低放级有负反馈电路的话,放大倍数降低并不多,只是失真稍有增加。在超外差收音机中因高频电路的增益很高,在低放级降低一些增益并不会显著影响收听的灵敏度。不过低放级若采用负反馈式的音调控制器,当中μ管代用高μ管以后,由于反馈量的减少,音调控制范围也要减小。
中μ管适宜的屏极电阻约为50~150千欧,栅偏压也最好在1~2伏。但为了简便,也可以不改变原来高μ管电路元件,直接代用,例如6N1等和6N2管脚接法相同,可直接互换。
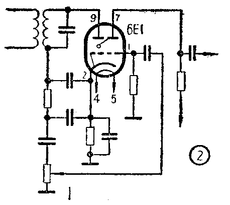
电眼管6E1,不论荧光是否已经退色,都可见用来作检波放大,它的荧光屏可作检波屏,它的三极部分是一只中μ管,可作低放,因此电路接法和6G2一样,见图2。不过它是九脚管,代换6N2比较方便,而它的阴极只有一个,不能采用6N2的电路,需改接成6G2的电路。

3.用五极管等作低放:
其他各种五极管或多极管都可以作收音机的低放用,如要采用五极管电路,原来三极管的屏极电阻和阴极电阻可以不变,增加帘栅降压电阻和旁路电容即可。帘栅降压电阻的大小,以使栅偏压达到1~2伏即可。如果要保持三极管的电路,可将五极管接成三极管使用,见图3。将五极管的帘栅和第1栅相连,抑制栅和屏极相连,即成为高μ三极管,将帘栅、抑制栅和屏极相连,即成为中μ三极管(如抑制栅已在管内与阴极相差的则不需和屏极相接)。

也可以将五极管的屏极作检波屏,帘栅极作为三极管的屏极(抑制栅仍接阴极),接成类似图2的电路,使一只五极管成为二极检波和三极低放的复合管,这种方法以6J1等小七脚五极管来代换6G2最为方便,因管座和电路元件都不需要更换,只改变管座接线即可,不过这种方式在灵敏度上不如6G2。
电池收音机的低放管1B2也可用高放或中放管等来代替,再另加一只半导体二极管来代替1B2中的检波二极部分,电路元件可不变,只改变管座接线即行。
如果用高μ管代用了原电路的中μ管,或五极管电路代用了原来的三极管电路后,增益太高,发生自激等毛病,可适当降低屏极电压和帘栅极电压及减小屏极电阻,来降低增益。
功率放大级
现代收音机的功放级大都采用五极管或电子束射管,以获得较高的功率灵敏度。这样,前级电压放大器就可以不需要输出太大的信号电压。三极功率管现已很少采用了。目前常用的国产功率管是交流小型管6P1、6P14,八脚管6P6P、6L6P和电池管2P2等。
这类电子管都有它最佳的负载电阻值,在以别种型号管子代换时应注意输出变压器是否也适用。如果输出变压器没有匹配到最佳负载值,就会使输出功率减小,失真增加。而最佳负载电阻是随电子管的工作状态而变的。一般电子管手册所介绍的负载电阻都是在某种典型的工作电压下规定出来的,因此,用不同型号功率管代换后,应将该管的各极电压重新调整到它所需的数值。如果实际所工作的各极电压和手册所介绍的典型植不同,则最佳负载值也需另行计算出来(稍有差别是可以的)。此外,电子管的输出功率还应和扬声器的标称功率相配合,输出功率小的功率管,可以配接标称功率大的扬声器,而当功率管的输出功率有可能比扬声器的标称功率大时,则功率管的最大输出功率应不超过扬声器标称功率的二倍,以保证扬声器不致损坏。下面再具体谈代换和变通使用方法。
1.同类型功率管的代换:
表2所列出的各种功率管,同一横格内的都可直接代换,有些管座不同、性能相同的如6P1和6P6P,更换管座后即可换用,不需改变电路元件。那些负载电阻和输出功率相接近的管子,如6P1和6P14等,互换时也可以通用输出变压器,只要改变管脚接线和阴极电阻即可。手册中所介绍的各种管子的典型工作状态,大多是屏压250伏系列,因此,互换功率管时,高压一般可不变,只要更换一下阴极电阻,就可将屏流和栅偏压调整到新管所需的数值。

2.不同类型功率管的换用:
当负载电阻相差较大的功率管互换时,输出变压器和扬声器对功率管的匹配应作修正,我们只要记住下列简单关系:
(\(\frac{W}{_{1}}\)W2)\(^{2}\)=R\(_{1}\);R2或\(\frac{W}{_{1}}\)W2=\(\sqrt{R}\)\(_{1}\);R2
式中:W\(_{1}\)为输出变压器初级圈圈数;W2为次级圈圈数;R\(_{1}\)为初级所需的负载电阻;R2为扬声器的标称阻抗。举一例子,设有一输出变压器原为配用5千欧的负载电阻和3.5欧的扬声器,现要改为10千欧负载电阻,即将负载电阻增加为原来的二倍,根据上面公式,可以有三种方案来实现:将初级圈W\(_{1}\)增加为原来的\(\sqrt{2}\)倍;或将次级圈减少为原来的12;或者将扬声器阻抗R2加大为原来的二倍,即换用7欧扬声器或两只3.5欧扬声器串联。采用后两种方案,低音频率特性将稍差一些,但较方便。
一些采用三极功率管的旧式收音机中,当功率管衰老需要更换时,可见将现在的五极功率管或电子束射管的帘栅极与屏极相连,接成三极管,来代用原来的三极功率管,三极功率管的负载电阻要求不像五极管那样严格,一般负载电阻是三极管内阻的2~4倍,因此换管子以后即使内阻有些变化,输出变压器仍可不必更换。
电视机的视频输出管6P15作收音机的输出管时,若按手册中介绍的工作电压来使用不甚方便,可改用屏压230~240伏,帘栅压200伏,栅偏压—4伏,这时负载电阻约在5千欧左右,可以使用6P1的输出变压器。
3.用电压放大管作输出管:
在输出功率要求不大的场合,可以用跨导较高、阴极最大电流较大且屏极最大允许损耗功率较大的电压放大用的中μ三极管或五极管来作输出管,能够输出几百毫瓦的功率,在不大的房间里收听已很足够。这类电子管如6N1、6N8P、6J1等都比较合适,它们的工作电压可按手册所介绍的数值使用,而负载电阻一般可选在10千欧左右,可以采用电池管的输出变压器。如果利用配合6P1的输出变压器,可按上面第二节方法处理。若将中μ三极管并联工作,则负载电阻比单管小一半,就可直接使用6P1的输出变压器了。
电源整流级
收音机中对整流管的主要指标是最大整流电流、最大屏阴反向电压和灯丝与阴极的安全电压,不过收音机的工作电压不算很高,后二项指标对一般专用整流管来说容易满足,因此,整流管代换时只要注意收音机各管子总的直流工作电流不超过整流管的最大整流电流即可,否则,阴极将过载而损坏。表3列出一些常用的整流管及其最大整流电流,由表中可见,一般整流管的电流大都在70毫安以上,对普通五、六管机来说,各种整流管都能换用,只要改变管座接法和灯丝电压即可。但是原用旁热式收信管和整流管的收音机如换用了直热式的整流管以后,在开机的瞬间,所负载的旁热电子管尚未加热,一时没有屏流,而直热的整流管马上就有输出,如果接在整流管输出端的滤波电容器容量较大,就会产生很大的充电电流而使整流管受损,因此最好在滤波电容以前和整流管的输出端接入一个50~100欧的限流电阻来保护整流管。此外,直热式整流管在开机时的瞬间输出电压较旁热式要高,滤波电容的耐压也需要高一些,一般需要在350伏以上。

其他电子管也可以作整流管用,在工作电流不超过20毫安的简单收音机中,可以用检波管(或称小功率整流管)6H2等作全波整流。也可以用那些最大阴极电流在20毫安左右的中μ三极管或五极管如6N1、6N3、6J1、6J2等接成二极管作全波或半波整流。目前有一些售品收音机中常将6N1的一半作功率放大,一半作半波整流用。在电流较大的五、六管收音机中,可以用功率管6P1、6P14、6P15等接成二极管整流,它们的最大阴极电流达70毫安左右,可以代换6Z4。
将三极和五极等管子接成二极整流管的方法见图4,电阻R的作用是限制电流通过栅极,保护栅极不致过载损坏。电阻的数值一般在500~1000欧。双三极管两个三极部分一致性较好,接成全波整流时两臂较为平衡,如果用两个单独的管子接成全波整流时,两臂整流电压可能有些高低,最好在各管输出端各接50~100欧的限流电阻,以限制由于两管输出不平衡电压所引起的电流。还要注意,这些电子管的灯丝和阴极之间的耐压一般只有100伏左右,比专用的整流管要低得多,因此灯丝不能接地,否则,就会使灯丝和阴极被击穿而损坏,若其他电子管也共用一个灯丝线圈,则也将被加上高压而烧坏。安全的办法是整流管的灯丝单独用一个供电线圈,并且不要接地,而这个供电线圈还必须对铁心和其他线圈之间有很好的绝缘。其中6N1阴极对灯丝的耐压有250伏,当整流电压不超过此值时灯丝可以接地。(素华)
