来复式电路是用一个管子同时兼作高频和音频放大的,在再生式收音机上使用了这种电路,灵敏度和音量都能显著增加。由于这两种频率的性质不同,只要零件配置适当,它们在电路里是不会混淆的。这种电路很适合用在简单的半导体收音机里。
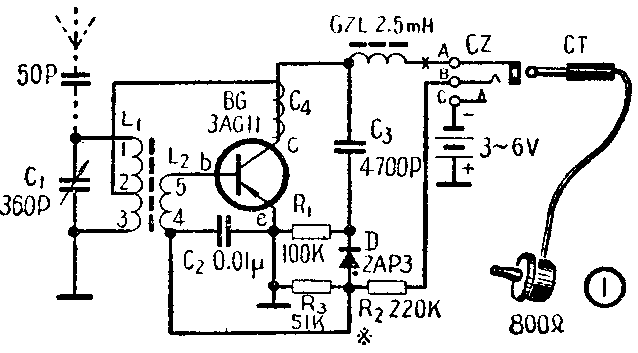
图1是一个单管来复式收音机的电路,它所用的零件不多,装置容易,效果也很好。电路的工作原理是这样的:从调谐回路里选出的电台高频信号经过L\(_{2}\)送给三极管BG放大后,因为不能通过高频阻流圈GZL,所以一部分经过C4反馈到调谐回路产生再生作用,提高了灵敏度;另一部分通过C\(_{3}\)加到二极管D的回路进行检波。在检波负载R3上产生了音频电压降,又通过L\(_{2}\)加在三极管BG的基极上作一次音频放大,然后经过对它的阻抗很小的高频阻流圈,推动耳机工作。R3上的电压降还能随着信号的增强而增大,抵消一部分基极偏压,起到自动音量控制作用,在接收强信号的时候不会发生失真,也能使再生稳定。

这个收音机的半导体三极管需要采用高频管,其它零件的选用和装配方法和本栏以前介绍过的单管收音机相同,图2是它的实体排列和接线图。磁棒是用M4型直径10毫米的,可以根据机壳的尺寸来选择它的长度,线圈用7股丝包漆包线绕制,圈数见图上所注。C\(_{4}\)是一个绞线电容器,是用一段线径约0.25毫米的漆包线,在集电极至高频阻流圈的接线外皮上密绕十余圈,一头空着,另一头接到L1的抽头上。二极管的方向是有一定的,不能接错,(图上有点的一端表示是管子的触须)。阻流圈的位置最好放在磁棒不套线圈的一端,距离磁棒约为20~30毫米,两者的磁心互相垂直。

装好后调试时,用一个500千欧的电位器串联一个约100千欧的保护电阻代替R\(_{2}\)。在图上有×处接入一个0~5毫安的直流电流表(或万用电表的相应量程)。电位器先放在阻值最大处。插入耳机插塞接通电源后,旋动电位器将集电极电流调整到0.8~1.2毫安左右,然后用与电位器加串联电阻总阻值相等的电阻代换进去。第二步接收一个近中波段高端的电台,听到再生叫声后将C4的圈数逐渐减少,直到刚好没有叫声、播音声音清晰为止;再继续接收一个近低端的电台,如果声音不大,可以将阻流圈的放置角度略为变动,使声音最大才将它固定下来。按照这样方法将高、低两端的电台反复调整几次,直到两端的电台都没有叫声而音量又能兼顾为止。调好集电极电流之后如果没有再生叫声,可试将C\(_{4}\)的圈数加多一些,或是将L2的两端对调一下,到有再生叫声后才调整C\(_{4}\)。R1一般可以不必变动,但也可以在实际收音时调整一下,以取得最佳的匹配,它对选择性和音量有一定的影响。
没有电流表的无线电爱好者调整集电极电流的时候,可以调到耳机中听到有明显的沙沙声时为止,以后还可以利用播音声细调一下,到音量最大而又不发生失真便可,但不要调得过份大,以免损坏半导体管。
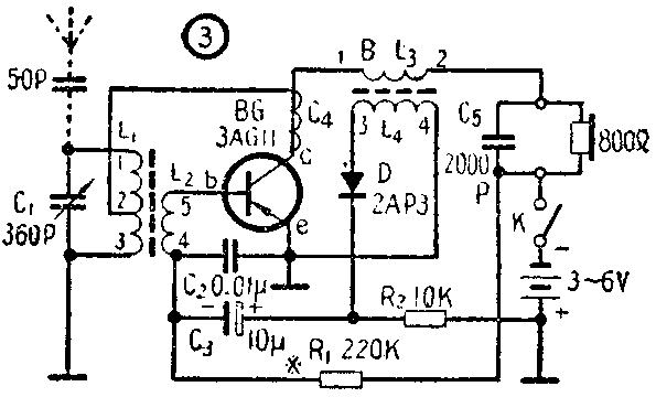
图3是另外一种来复式单管机的电路,它的工作过程和上一种稍有不同,高频信号先由三极管BG放大,并借C\(_{4}\)产生再生回输,放大后的高频信号经过高频变压器B升压,送给二极管D检波,检波后的音频电压又经过C3送给三极管放大,再通过高频变压器的初级线圈L\(_{3}\)推动耳机发声。

高频变压器是用普通2~5毫亨的磁心高频阻流圈改装的,L\(_{3}\)是原来的线圈,L4是加绕上去的,它的圈数约为L\(_{3}\)的1.2~1.5倍,例如用市售的2.5毫亨的高阻圈改装的时候,L4可用线径0.1毫米左右的漆包线乱迭绕360~450圈(可利用废旧的电子管收音机输出变压器初级绕圈的漆包线绕制)。绕线时先在两边用纸板夹住(图4),绕好后用石蜡融渗到线圈里面,冷却了就可将纸板拆去,两线圈的距离约为1~2毫米。L\(_{4}\)线匝的多少,对高低端电台的音量有影响,最好是根据情况适当选择。

这个收音机的调试方法和上一个电路相同,调好集电极电流后,如果出现强烈的‘嘶嘶’声,应将L\(_{3}\)的线端对调一下。
图1的耳机插孔是经过改装兼作电源开关的。图3则是使用普通接线柱另加用电源开关。
这两个电路用3伏干电池已能很好地工作,用6伏时音量较大。在离电台较远的地方接收,需要给它加上天线,但此时必须加装避雷器。图1 的电路音质较好,装置和调整也比较容易,图2的电路音量还要大一些,在近电台的地方使用时,将集电极电流调得大一些(不要超过2亳安和发生失真),可以推动一个半导体管收音机用的小型舌簧扬声器,放出清晰的声音。(冯报本)