超再生式接收是无线电接收方式之一,由于它具有结构简单、灵敏度高等优点,常常用在一些简单的超短波接收装置里。
有关超再生式接收的一般原理,在本刊1965年第2期的“超再生式接收”一文中已经讲了一些,我们在这里再简单地谈一谈按照超再生接收原理怎样接收调频信号的问题。
一、超再生电路是怎样接收信号的
为了了解接收调频波的过程,我们先简单地回顾一下超再生电路接收信号的原理。
图1是超再生式接收的基本电路图。在电子管的栅极上有一个由附加振荡器Z产生的附加振荡电压u\(_{z}\),即熄灭电压,从而使电路处于间歇振荡状态,也就是有一个断续的高频振荡。超再生振荡,在没有外信号输入时,是由电路中的一些不稳定的微弱的电起伏脉冲经过正反馈放大而形成的。它是无规则的高频振荡,经检波后,以噪音的形式出现,即所谓“超再生噪声”或“超噪声”。

当存在略大于微弱电起伏脉冲的输入信号时,情形就不是这样了。此时,超再生振荡将在输入信号的影响下发生,而不由微弱电起伏脉冲所产生。这些超再生振荡的最大振幅由输入信号的振幅所决定。输入信号如系振幅调制的已调制波,超再生振荡的最大振幅将按输入信号的振幅的变化而变化,经检波后,就能得到原来的调制信号了。在接收调频信号时,如果我们能把已调频波的频率变化变换成相应的振幅变化,那么我们就可以用超再生接收机接收调频信号了。
二、调频信号的接收
已调制波的瞬时频率随调制信号的振幅而改变,而已调制波的振幅不变,这种电波叫做调频波。当调制信号处于正半周时,已调制波的瞬时频率就高;当调制信号处于负半周时,已调制波的瞬时频率就低。瞬时频率自平均值(载频)变动的大小,叫做“频偏”。在调频波里,频偏与调制信号的振幅颠值成正比,而与调制信号的频率无关。
如果我们能把“频偏”的变化变换成振幅的变化,再经检波,我们就可把已调频波回复到原来的信号了。超再生电路是靠它的“斜率式检波”作用,把频偏变换成电压值的变化的。下面我们谈一谈所谓“斜率式检波”。
图2是超再生电路的调频曲线。只要信号电压略大于微弱电起伏脉冲,超再生电路就能接收信号,因而,调谐电路的调谐特性不必太尖锐。一般它的调谐范围(f\(_{2}\)—f1)在500至1000千赫左右,而一般调频电台的最大频偏为200至250千赫。如果我们把调频电台的载波安排在调谐曲线的斜边上,并且在近似直线部分的中点B上,而不把它安排在诸振点A上。这样,调谐回路就能起到“斜率式检波”的作用了。从图上可以看出,调谐回路的输出电压变化与频偏的变化基本上是一致的。频偏为正时,输出电压就高;频偏为负时,输出电压就低。由于调谐曲线的斜边不完全是直线,所以调谐电路的输出电压有一些非线性畸变。

调频信号的接收过程我们可以从图3的波形图中看出,图中a是传递的音频调制信号曲线。图中b是调制后的调频波,其频偏曲线如图c所示,频偏曲线与音频调制信号应该是一致的。图中d是超再生熄灭振荡电压的波形(这里我们假设为正弦波)。图中e是超再生振荡电压的波形,每当熄灭电压变化一个周期,超再生振荡就振荡一次,超再生振荡幅度的大小取决于调谐回路输出的电压,又由图2所示的关系,调谐回路输出的电压与频率变化(频偏)的大小有关,所以超再生振荡幅度的大小也就取决于频偏的大小。这样,从图e可以看出,超再生振荡的变化曲线基本上与频偏曲线相似(实际上有些非直线性失真)。超再生振荡经检波后的曲线如图中f所示,其变化与调制信号相似,我们再把它放大就是所需要的信号了。

三、半导体管超再生式调频接收机
以上我们简单地介绍了一下超再生电路接收调频信号的一般原理。下面我们举一个由三个半导体管组成的超再生式调频接收机,以供参考。
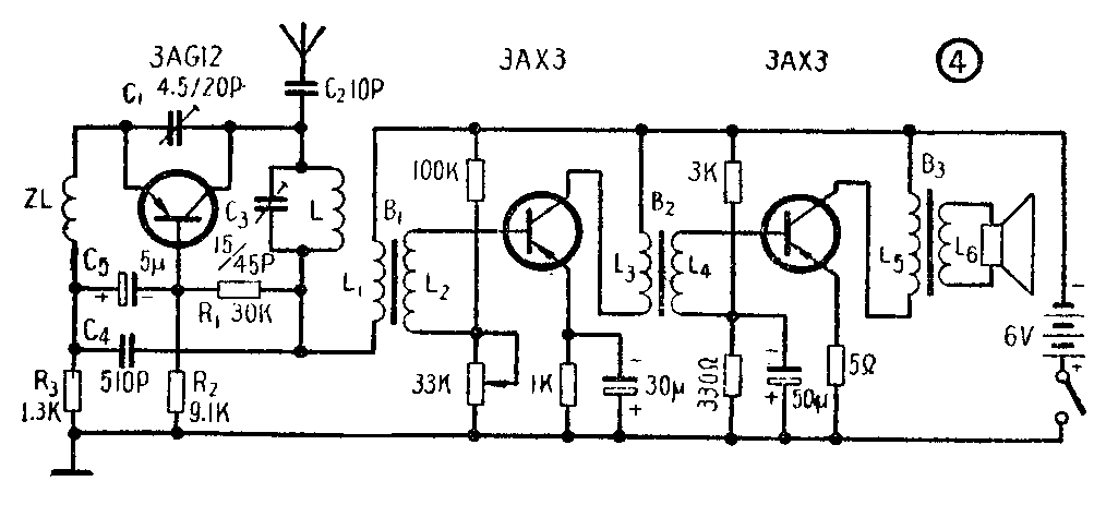
图4就是所举的半导体管调频接收机电路图。整个接收机可分三部分,即超再生级、低频电压放大级和低频功率放大级。后面两部分是大家熟知的低频放大电路。这里仅着重介绍超再生级部分的制作和原理。

由半导体管3AG12组成的超再生级是自灭式超再生电路。熄灭电压是由电容C\(_{5}\)上的充放电作用而获得的。熄灭电压的振荡频率,决定于回路的时间常数,因而C5、R\(_{1}\)、R3和L\(_{1}\)等的数值影响振荡频率。一般用调整R1和R\(_{3}\)阻值的方法来确定熄灭频率(200千赫左右)。
电感线圈L和半可调电容C\(_{3}\)组成调谐回路。L因接收的频道不同,选用的圈数也不同:对于第二频道的电视伴音(频率为64.25兆赫),线圈L用2毫米粗铜丝间绕5圈,线圈直径(指内径)为15毫米,每圈间隔约2毫米即可。对于第五频道的电视伴音 (频率为99.75兆赫), L作3圈即可,绕制方法同上。
C\(_{1}\)是高频振荡的反馈电容,对于不同的高频管,C1值有些不同,这是因为每种半导体管的极间电容不一样的缘故,一般调整C\(_{1}\)在15pf左右。
ZL是高频阻流圈,用以阻塞高频电流,只让检波后的低频信号经过变压器B\(_{1}\)1是线间耦合变压器,采用3 :1的输入变压器即可。
超再生级的高频管应该用质量较好的。因为超再生级本身噪声较大,如果高频管不好,则噪声更大。一般选用3AG12或3AG13。
至于低频放大部分和本刊1965年第1期第11页的完全一样,这里就不再讲了。(周天恩)