问:6U1变频管在手册中所列变频跨导0.775毫安/伏是指第1栅还是第3栅?如将6U1的七极部分接成像6A2的电路,则变频跨导变为多少?有何优缺点?
答:6U1变频跨导0.775毫安/伏是指从第1栅输入信号而言。它的七极部分特性与6A2近似。6A2的变频跨导为0.3毫安/伏。将6U1七极部分接成类似6A2的变频电路是,信号从第3栅输入,则变频跨导也在此值左右。
6U1因有单独的振荡屏极和栅极,故可以用七极部分的第1栅作信号栅。第1栅离阴极最近,对阴极电流的控制作用最灵敏,故可获得较高的变频跨导,不但提高灵敏度,而且可以相对压低噪声,以提高信号噪声比。
此外, 6U1的七极和三极部分有云母片隔离,可以减少信号电路对振荡电路的影响,使振荡器稳定,同时也减少本振对输入电路的牵扯。
6A2因无单独的振荡屏极和栅极,为了获得稳定的振荡,必须用第1栅作振荡栅,于是信号只好从第3栅输入。第3栅离阴极较远,控制作用就比第1栅要差,所以变频跨导比第1栅要低。如果将6U1的七极部分接成类似6A2的电路,虽可多出一只三极管另作别用,但上述这些变频上的优越性就失掉了。
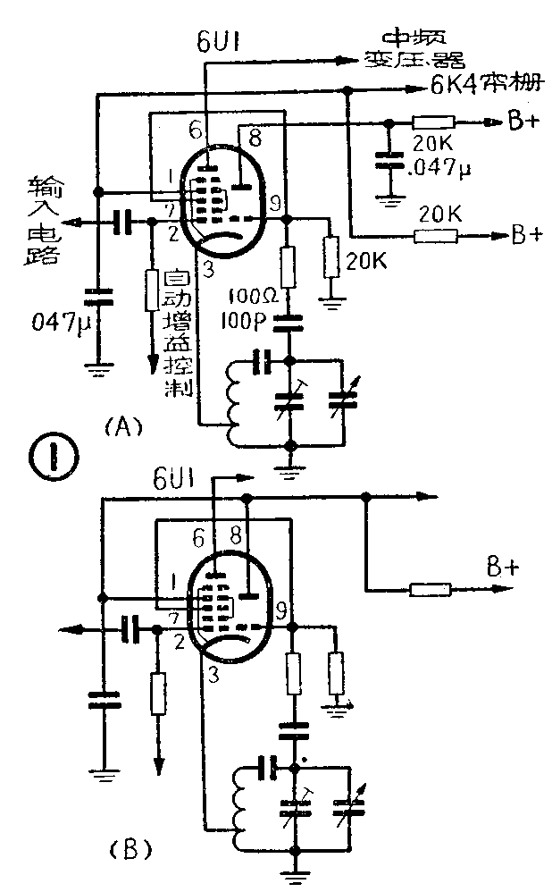
问:在变频器中,6U1三极部分本机振荡器是否可以采用三点式(哈脱莱)振荡电路?6A2的本振部分可否接成调屏或调栅式?效果怎样?
答:6U1的三极部分用三点式振荡器也能工作,可以采用配合6A2管的S式本振线圈,接法如图1A。如按图1B接法也可,这样可以省去振荡屏极的降压电阻和旁路电容,而将振荡屏极直接与七极部分的2、4栅相连接。但这种接法性能都不如调屏或调栅式的好。因为三点式振荡器电子管阴极端不能接地,具有较高阻抗,而6U1的阴极是七极和三极部分共用的,由于极间电容C\(_{gk}\)等关系,在频率较高时(主要是在短波段),输入信号容易进入本机振荡回路,牵制振荡频率,而本振信号也会通到输入电路,增加向外辐射,干扰别人,并使输入电路的阻抗减小,降低接收的灵敏度。此外,阴极对地有高阻抗,容易引起调制交流声。将本振接成调屏或调栅式的电路,阴极可以接地。如果有自给偏压电阻的话,也可以加较大的旁路电容器,阴极仍为地电位,上述一些毛病就可大为减少。

此外,三点式振荡器虽易起振,但谐波较多,不如调屏或调栅的好。
6A2不像6U1那样,它没有分离的振荡屏极和栅极,要用第2、4栅作振荡屏极。而这2、4栅又作为第1和第3栅之间,即振荡栅和信号栅之间的隔离。因此,第2、4栅应该是地电位。接成三点式振荡时,第2、4栅可以接上一只大电容通地,能满足地电位的作用。如果6A2本振部分有采用A式或K式线圈的必要时,最好是如图2A接成为调栅式,这样第2、4栅至地的阻抗小一些,对信号栅的屏蔽作用较好。如按图2B接法也可工作,但这样第2、4栅就没有旁路电容,至地阻抗高,对信号栅的屏蔽作用差,第1、3栅之间有较大的极间电容,这样振荡栅信号栅之间就会互相起上述有害的作用。此外下一级6K4的帘栅电压要单独供给,降压电阻和旁路电容需要另备。

6A2用三点式的振荡能适合于它自己的需要,但阴极对地端有较高阻抗的缺点仍存在,前述毛病难以避免。(以上林华答)
问:使用810和631A两架不同型号的录音机时,将原在631A机上录过音的一盘磁带拿到810机上录制节目,录好后放在810机上放音,感到音质音量还较满意,但拿到631A型机上放音时,就出现了两种节目的声音,即原在631A型机上所录的节目并没有抹掉,这种现象怎样解释?
答:这是由于810型和631A型录音机上所用的磁头结构不同所造成的现象。810型机上用的是双音轨磁头(包括抹音和录放音磁头)而631A型机上用的是单音轨磁头(包括抹音和录放音磁头)。双音轨磁头的录音机,在一条磁带的上下两个半边都可用来录制节目,也就是磁带的利用率高。而单音轨磁头的录音机在一条磁带上只能录制一个节目。从磁头外部结构来看,一般双音轨磁头前面工作间隙合金部分的高度比单音轨磁头短得多,如810型机抹音头前面工作间隙合金部分的高度仅为3毫米左右,录放音磁头的这一部分亦只在2.5毫米光景,而631A型机上所用单音软磁头前面的工作间隙合金部分高度,不论抹音或录放音磁头,平均都在6.5到6.7毫米之间。当宽度为6.35毫米的标准磁带通过810型机上磁头时,磁带仅半边得到抹音或录放(当一盘磁带录或放完一边后,可将磁带倒换方向,另外再录放另半边),而磁带放在631A型机上,因磁头工作间隙合金部分的高度比磁带宽度还高,所以在磁带整个宽度上都能得到抹音或录放。由于这样,倘把631A型机上录过音的磁带,拿到810型机上再重新录制另一种节目,其结果是仅在这盘磁带的上半边录有810机上所录制的新节目,而磁带的下半边上还是剩留有原来在631A型机上录制的音迹。将这盘磁带放在810型机上放音时,也仅是靠磁头上半边的音迹起作用,下半边另一种节目的音迹,因已越出双音轨磁头工作间隙高度之外,等于空着不起放大作用,这样可以听到的亦仅是单纯一种节目的声音,没有什么扰乱,所以音质音量感到还较满意。但是将这盘磁带放在63lA型机上放音时,由于单音轨磁头的工作间隙高,结果磁带上下两边两种不同节目的音迹,都通过磁头放大发音,这时听到的当然就是两种节目混杂的声音了。因此,用双音轨磁头录音机录制的磁带,最好就放在双音轨磁头录音机上放音。(庞炳根 朱剑和答)
问:美多A-150型扩音机,末级用四只FU-7(807)电子管,屏帽引出线上都各串联一只50欧电阻,起什么作用?
答:FU-7电子管的互导较高,用作音频功率放大时,容易产生超高频振荡。如果零件安装位置不适当时,还会产生高频振荡或超音频振荡。发生这些情况时,往往输出失真和输出电力不足。寄生振荡严重时,由于振荡电压很高还会打穿输出变压器。为了防止或解决这一故障,所以在屏帽引出线上串联一只50到100欧的电阻,叫做振荡阻尼电阻(电阻瓦数5到10瓦左右)。这只电阻的安装位置应该紧靠屏帽。
由于阻尼电阻要消耗一部份音频电力,有些产品就不用电阻而改用一只振荡阻尼线圈。它可以抑制寄生振荡,但不消耗音频电力。也有两种办法同时采用的,例如南京无线电厂产品602型扩音机就是这样的。(方锡答)