随着半导体管收音机品种的不断增多,适应这类收音机需要的中频变压器品种规格也日益增多,现将上海无线电仪器厂所生产的几种小型中频变压器作一些介绍。这几种中频变压器的绕制数据和电性能参数,以及电原理图列在本期封三。最近这几种产品改用新型号表示:原200型改为TTF-1型,其中的中波振荡线圈为LTF-1型;原来的201型产品改进为201-A型,并改用新型号TTF-3及LTF-3表示;原202型改为TTF-4型,振荡线圈为LTF-4型。考虑到原型号产品仍有相当数量存在,因此这里仍以原型号表示。

一、200型小型中频变压器
这种产品的特点是体积比较小,包括回路电容器在内仅有7×7×12毫米\(^{3}\)。它的初、次级线圈全部绕在直径为1.5毫米的磁性瓷心上。调节罩在线圈外面的螺纹形磁性瓷帽,就能改变电感,从而调节中频回路的谐振频率,回路电容器是固定电容器,装在底部的凹槽内。这种产品适宜在袖珍式半导体管收音机印刷电路上使用,它的外形图及引出头位置见图1。一套共四只:其中一只为中波振荡线圈;另三只分别是第一、二、三级中频变压器,可作二级中频放大,例如在以3AG72(2Z119)作变频、3AG71(2Z118)作中频放大、 2AP9或2AP10(1Z1或1Z2)作检波及自动音量控制的电路上配用。

振荡线圈可接成共发射极调基极的3AG72作变频的振荡电路。输入调谐回路与本机振荡回路的双连可变电容器容量分别为4.5到127微微法和3.5到60微微法,其参考接线图见图2。

二、201型小型中频变压器
这种产品的体积也比较小,外形见图1。它的初、次级线圈绕在直径为3.5毫米的塑料骨架上,外面罩有磁性瓷环。调节伸入线圈中的磁性瓷心的位置,以调谐中频频率。它适合袖珍式及便携式半导体管收音机印刷电路上使用。一套共四只:其中一只为中波振荡线圈;另三只中频变压器可供二级中频放大电路之需,例如可配用在以3AG2或3AG1(2Z302或2Z301)作混频或变频、3AG1作中频放大、2AP9或2AP10作检波及自动音量控制的电路。
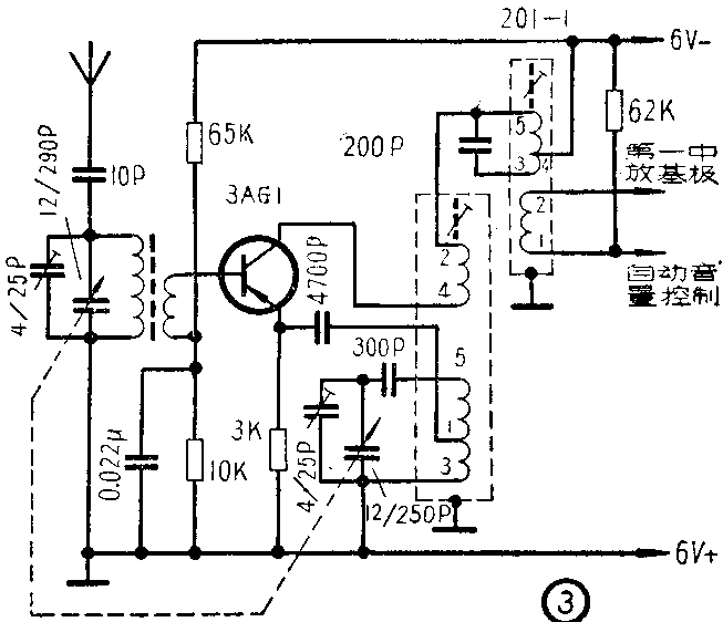
这种产品的振荡线圈可供接成共基极调发射极的3AG1作变频的本机振荡电路。配用的双连可变电容器分别为12到290微微法(输入连)和12到250微微法(振荡连),其参考接线图见图3。

201—A型,即TTF—3型中频变压器和配套的振荡线圈LTF—3的绕制数据见附表1。
表1
初 级 次 级
线径(mm) n\(_{1}\) n2 线径(mm) n\(_{3}\)
第1级 0.08 165 36 0.08 6
第2级 0.08 165 48 0.08 6
第3级 0.08 165 46 0.08 13
第4级 0.08 165 46 0.08 24
振荡线圈 0.08 89 84\(\frac{1}{2}\)0.08 81;2
注:上表所列中频变压器有四级是根据整机需要而设计的。例如美多28-A型收音机采用其中的第1、2、4级;美多27-A型机则选用其中的1、2、3级。
三、202型小型中频变压器
这种产品体积较大一些,包括中频回路电容器在内,尺寸为20×25×35毫米\(^{3}\)。线圈骨架及中频频率的调谐与201型基本相同。它适合便携式或台式半导体管收音机使用。一套共三只,可用于二级中频放大电路,例如配用在3AG1作变频及中放、2AP9或2AP10作检波及自动音量控制的电路。这种产品供收音机工厂使用时,其振荡线圈由工厂自行配制,因此没有振荡线圈配套,业余爱好者选用这种中频变压器时,可参考如下数据自行制作振荡线圈:
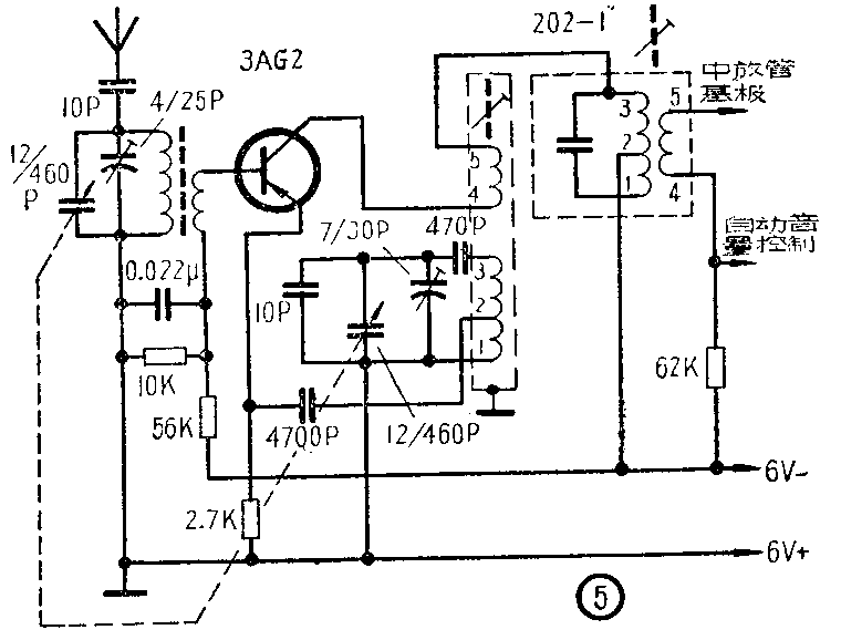
采用φ4×0.08毫米丝包线在直径为10毫米的塑料骨架上(中心有可调磁心),以顺向蜂房式绕66圈为主振线圈(初级),在起始第8圈处抽头。再用φ0.19毫米丝包线在距初级圈4毫米处,以同方向蜂绕19圈为振荡反馈线圈。绕好后用万能胶或白蜡涂封牢固。其电原理图见图4。采用这种振荡线圈时,振荡部分接成共基极调发射极电路。双连可变电容器两连电容量均为12到460微微法,参考线路见图5。


四、203型小型中频变压器
203型小型中频变压器的新型号为TTF—2型,其一套中的振荡线圈新型号为LTF—2型。它们的尺寸为10×10×14毫米。其中频变压器有两套绕制数据和参数性能,可任意选用。这种中频变压器的圈数及特性参数见表2。

各线圈均采用单股φ0.08毫米高强度漆包线乱绕于骨架上,次级绕于里层,初级绕于外层。
五、使用注意事项
1.焊接时应使用45瓦以下的电烙铁,且不宜超过5秒钟,以防止胶木底座或塑料接线板烫坏。
2.调好磁性瓷帽及磁性瓷棒时,最好使用有机玻璃或骨质做的小起子。调节时要缓缓轻旋,不能用力过猛,否则容易破坏磁心。
3.没有必要时,不要将线圈骨架从屏蔽罩内取出,以防损坏线圈引出线。
4. 中频频率调准后,可用石蜡将磁心封固,以免受振动后磁心位置改变而使中频变压器失谐。 (浩波)