1.为了确定氛灯的点火电压,将氛灯L与电磁式电压表V并联,然后通过电位器P接到电源,构成如下图所示的电路。移动电位器的滑臂,逐渐增大电压,如电源为交流,则当电压表的读数为50伏时,氖灯发光;如电源为直流,则氖灯在电压表的指针为70伏时发光。问氖灯的点火电压实际是多少? (小佣编译)

2.为什么在拆开坏的电源变压器的高压绕组和输出变压器初级线圈时,往往会发现漆包线上有“铜绿”,而在电源变压器的初级线圈和输出变压器的次级线圈上则没有这种情况? (王皆博)
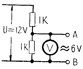
3.右图所示是一个分压器,A、B两端用万用表测得电压为6伏稍差一点,但接上一只6伏的电珠为什么不亮?(胡树生)
