织布机织出的布的好坏,在很大程度上,和棉纱的质量有关系。衡量棉纱质量好坏的一个指标是看纱上的粗节有多少。如果棉纱上有粗节,上到织布机以后,不是发生断线故障就是在织出的布上出现疵点。织一匹布要用好多好多的纱,如果全靠织布工人发现和排除纱上的所有粗节,这不但要加大工人的劳动强度,而且也是很难作到的。固然靠调整机械、使用上等原料等办法可以解决一些问题,但空气中的灰尘跑到棉纱里也会形成粗节,因而仅靠这些措施并不能彻底解决问题。
这里介绍一种简单的能够自动发现棉纱粗节的仪器——棉纱粗节计数器,用它可以统计一轴棉纱里有多少个粗节,根据这些数据评定棉纱的等级。

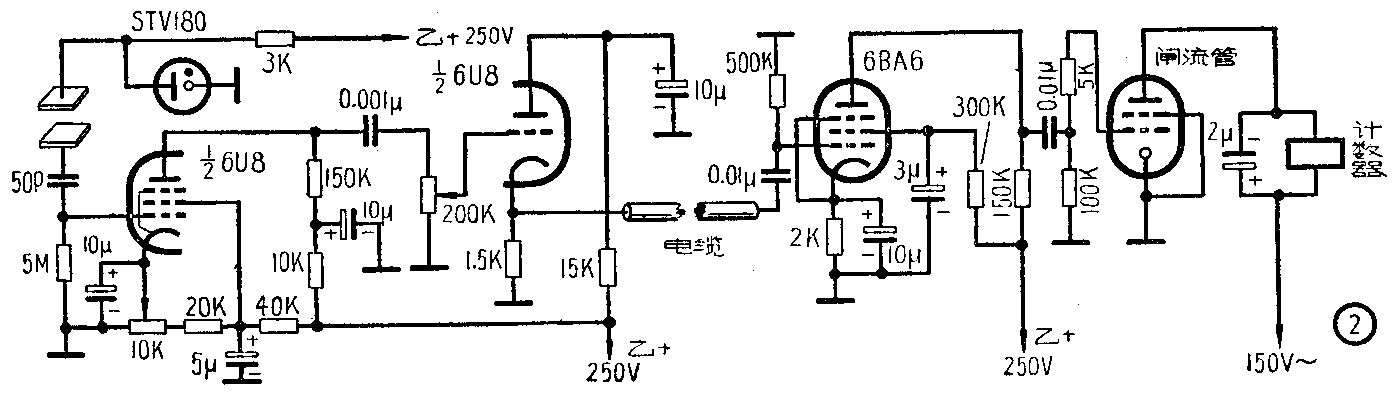
如图1所示,乙电经稳压管(译注:可用WY1)稳压后,经电容量约2pF的传感电极接到 G\(_{1}\)的控制栅极。
行走在电极间的棉纱如有粗节,将使传感电极间的电容量增加,极板上需补充更多的电荷,从而充电电流自乙\(_{+}\)流经传感电极、栅地电阻入地,故G1的栅极上有一瞬变对地正电压,在屏路里将出现一脉冲电流。我们放大这一脉冲信号,使之驱动计数器,这样,就达到了发现和统计棉纱粗节的目的。

请参看图2,用高跨导的6U8的五极管部分(译注:可用五极管6J1代替)作输入放大,其阴极自偏压调到截止点附近。本电路用可变电阻来作偏压电阻,这样,我们可以根据需要,调整仪器的灵敏度,用起来就方便一些。
初级放大管栅极电路的绝缘性能好坏,对灵敏度的影响较大,因而5M电阻应使用优质的。
传感电极和栅极之间串接一50pF电容器,以防止当棉纱潮湿时,乙电直接加到电子管的栅极上去。
6U8的五极管部分的输出接到由6U8三极管部分(译注:可并联使用双三极管6N1,根据电子管参数,适当调整阴极输出电阻和屏路电阻)构成的阴极输出器。然后信号再送入电缆。计数器的传感部分须和纺纱机械装在一起,而计数部分,为了管理方便,一般装在另一地方,因而中间用电缆连接。因电缆的特性阻抗较低,6U8三极管部分须作成输出阻抗小的阴极输出器。
五极管和三极管的级间耦合阻容电路的时间常数应该小,使它能起到一些微分电路的作用,以提高仪器的稳定度。
经电缆传输的信号,被6BA6(译注:可用6K4代替)放大后,送至闸流管。闸流管的屏流应接交流50赫电源,而不能用直流电源,如果错用了直流电源,闸流管一经点火后,就不再熄灭,计数器只动作一次,以后再有粗节通过传感电极,计数器也不会动作了。另外,对闸流管的要求并不严格,凡能驱动计数器的就可以用。
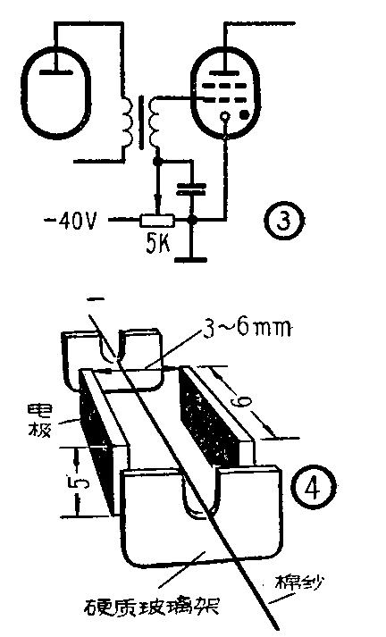
如打算分别统计大的粗节和小的粗节时,可采用图3的电路(在图3中只画了一个次级电路,实际上根据需要可设若干个)。由于粗节的大小不同,脉冲的高度也不同,如分别调节各个闸流管的偏压,就能区分大小不同的粗节。

传感电极如图4所示。电极是两块平行的金属板(5×6毫米\(^{2}\)),间隔为3~6毫米,是可以调整的。不同的纱支,其粗节的粗细也不同,因而应根据纱支的粗细来调整间隙的大小。棉纱以很高的速度通过电极间隙,因而应该用耐磨损的材料,如硬质玻璃或陶瓷来做支撑架。
仪器本身要求电源稳定,应该用磁饱和稳压器稳压,否则计数器会作错误动作。
仪器的调整也比较简单。用一张薄纸,一面在电极间插入抽出,一面调整电位器,直到闸流管能动作为止。如条件允许,可用一示波器,边观察6U8五极管部分的屏路波形,边调整,就会更方便一些。(杨讷编译)