电阻
半导体管收音机中的电阻,和在电子管机中一样,用作某一回路的负载,调节电路中的电流,将电流信号变为电压信号,作分流器(减小主要回路电流),作分压器,降低电路电压(从一个电源上得到不同的电压),以及和电容器配合起来起滤波作用,等等。在作半导体管的集电极或发射极负载时,电阻的阻值越大,则能在它上面得到较大的交流信号,但也有一定限度,并非是无限大的。在用它取得发射极—基极偏压时,阻值越大则偏压越负,工作点越低。在作电源滤波时,阻值越大,对电源波动的抑制能力越强,但由于半导体机的电源电压很低,一般是6~9伏,所以阻值不应超过300欧。太大了会使电源电压降低过多,影响半导体管正常工作。
半导体管收音机消耗功率很小,所以电阻也不需用功率很大的,一般1/4瓦型的小电阻已很够用。在袖珍式的小型机里,电流较小的回路(例如基极回路)还可以用1/8瓦甚至更小的超小型电阻。当然,如果不受体积限制,一般电子管收音机常用的电阻,只要阻值相符,也可以使用。
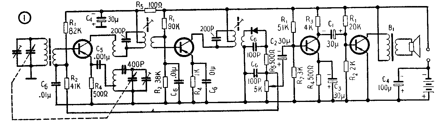
图1是一个四管超外差式收音机电路图。用它可以分类说明各个电阻的作用以及阻值大小选用范围。R\(_{1}\)和R2两组电阻串联起来与电源并联,通过分压作用供给各半导体管基极的工作点电压(也称作偏流电阻,R\(_{1}\)为上偏流电阻,R2为下偏流电阻),R\(_{1}\)一般在几十千欧,要视半导体管具体工作点调试确定。R2一般在几千欧到几十千欧。R\(_{3}\)是集电极回路中的负载电阻,从这个电阻上取得放大了的交流信号输送给下一级,一般选用3千欧~5千欧。R4是发射极选定工作点的电阻,从100欧~2千欧中选取。前后两个R\(_{5}\)分别是降压、滤波电阻,可在50~500欧中选定。

电容器
半导体收音机里所用的电容器也有可调的、半可调的和固定的三种,按材料区分有电解、纸介、塑料薄膜、云母、陶瓷、空气、玻璃釉等许多种类,在电路里也是起调谐、耦合、隔直流、滤波和旁路等作用。它们和电子管收音机中所用的区别,主要是体积小,耐压不需很高。用在各个地方所要求的电容量不同。
在图1中,电解电容器C\(_{1}\)是两个低频放大级之间的耦合电容。电解电容器的接线是有正负极性之分的。在这里它的正极接向后一级管的基极,负极接向前一级的集电极,因为在电路中两者的电位相比较,集电极是处于负电位。如果正负极性接反,那么电容器将产生漏电电流而使半导体管的工作点漂移。C2是电解质低放输入耦合电容器,它的正极接电位器,负极接基极。这样接法的道理同前,因为电位器的一端是接在正电位的机壳上。C\(_{3}\)为发射极旁路电容器,它的负极接发射极,正极接地,因为地是正电位,接反了电容器将会损坏。C4是滤波电容器,电容量要求较大(50~500微法)。这只电容器并联接在电源电池的两端,极性应与电池相同。半导体机的电源不是交流电,为什么还要滤波电容呢?因为干电池本身有一定的内阻,收音机工作时电池由于供给电流而产生电压降,它会影响半导体管的工作点。在没有放大的信号时,半导体管消耗的电流小,电池压降也小;有信号时电流大,电池压降也大,这样随着收音机消耗的电流大小变化,会使整机工作不稳定,所以要加用这只电容来减小电池电源的波动。C\(_{5}\)为高频陶瓷电容,容量一般为1000~10000微微法,作用是截止直流,而使高频信号通过。C6可用纸介或陶瓷电容。它的作用是提供高频通路。
可变电容器在半导体机中也是用来选择电台的,在高放来复式机中采用单连,在超外差式机中采用双连。它们的频率覆盖,在中波段应当满足535千赫至1605千赫的范围。其容量与覆盖系数(R\(_{f1}\))有如下关系:
R\(_{f1}\)=\(\sqrt{C}\)最大C\(_{最小}\)≈3.5~4。
式中C\(_{最大}\)和C最小分别是调谐回路的最大电容量和最小电容量。中波波段要求的频率覆盖系数应为
R\(_{f2}\)=\(\frac{1650千赫}{535千赫}\)≈3,
所以在选用可变电容器时,R\(_{f1}\)应大于Rf2。目前常用的调谐可变电容器有空气介质和薄膜介质两种。薄膜介质可变电容器采用介电常数很大的薄膜材料作为介质,所以电容量大而体积小,但容易磨损,寿命较短。
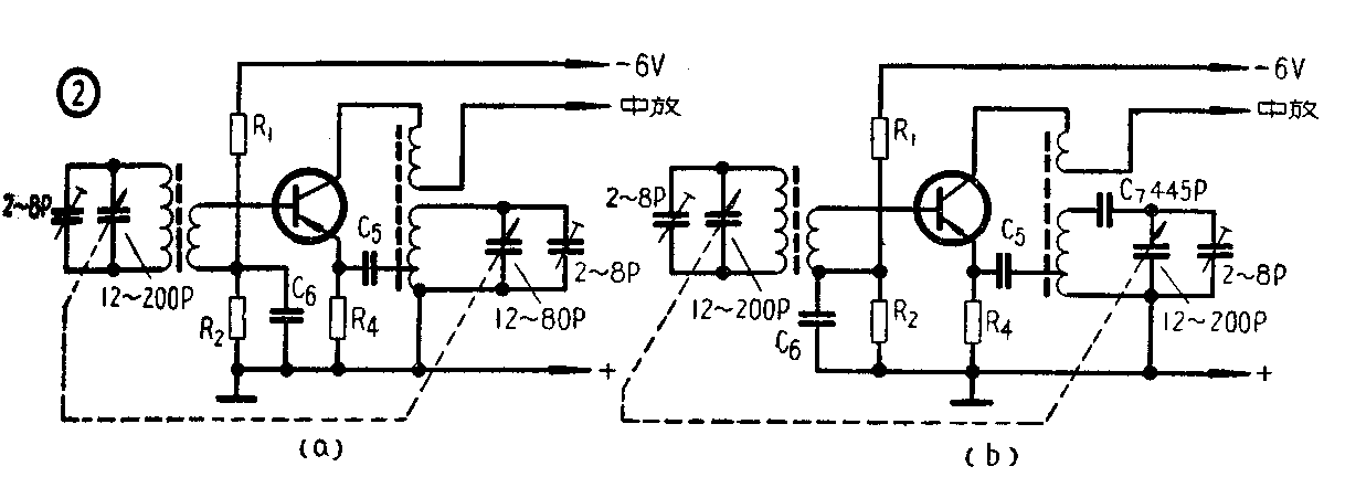
用在超外差式机中的双连可变电容器,又有等容和差容之分。差容式的只用在中波单一波段的半导体机中,它的两组电容量不同,配合适当的线圈,可以直接差拍出465千赫。图2是两个超外差机变频级线路,其中(a)采用的是差容双连,在振荡回路中不必加用垫整电容器,即可使本机振荡回路和天线输入回路取得同步。(b)采用等容双连,本机振荡回路内必须加用垫整电容器C\(_{7}\),才能和天线输入回路取得同步。常用半导体机小型双连的使用配合参数见表1。


扬声器
半导体收音机使用的扬声器一般是小型的,对它的要求是灵敏度高,体积小,重量轻,频率响应特性要符合半导体机的特殊需要(参见1963年第10期“对晶体管收音机用小型扬声器的性能要求”)。国产小型扬声器有电动式(分为内磁式和外磁式)、舌簧式两种(参看图3和表2)。电动式的声音悦耳,频率响应较好,适合于低阻抗(3~10欧)的网路使用。舌簧式的灵敏度比较高,但频率响应较差,即声音不均匀,会在几个频率点上出现声音特大、特小的现象,听起来不如电动式的声音好听。它适合于高阻抗(200~2000欧)网路使用,能够直接当作半导体管的输出负载使用,所以可以省略一只输出变压器。(鲁滨)

