一般电子示波器都是由单射线示波管组成,它不能用来同时观察两个波形。如果需要用这种示波器同时观察和比较两个甚至两个以上的波形,就需要一种叫做电子开关的设备。这种设备就好像一个能快速动作的单刀双掷开关(见图1),它迅速地转换,一会儿把输入信号A接到示波器,一会儿又把输入信号B接到示波器。两个信号不断轮换着被描绘出来,就可以使我们在示波器的荧光屏上同时看到两个信号波形。

电子开关是怎样工作的
电子开关是由方波发生器、两路电子管放大器和电源部分组成的(见图2)。被观察的信号A和B分别接到两个放大器的输入端。两个放大器有一个公共的负载,它们的输出则送到示波器的Y轴输入端。这两个放大器是受方波发生器的控制而轮流工作的。放大器1工作时,放大器2不工作,信号A就加到示波器的输入端。放大器2工作时,放大器1不工作,信号B就加到示波器的输入端。由于方波发生器送出的方波是快速而连续地动作的,所以在示波器荧光屏上可以同时看到两个连续的波形。

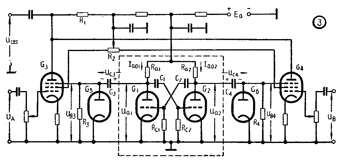
图3是一个电子开关电路。G\(_{1}\)和G2组成方波发生器(虚线方框内)。这个方波发生器实际上是一个多谐振荡器。它的两个电子管轮流工作和截止。当G\(_{1}\)管截止时,它的屏极电压Ua1达到最大值U\(_{a1}\)最大=Ea;当G\(_{1}\)管工作时,它的屏极电压降到最低:Ua1最小=E\(_{a}\)-Ia01R\(_{a1}\)。G2管的工作情况正好和G\(_{1}\)相反,G1工作时,G\(_{2}\)截止;G1截止时,G\(_{2}\)工作。所以G1和G\(_{2}\)管屏极输出的信号便是相位相反的方波。方波的频率决定于电阻Rc1、R\(_{c2}\)和电容C1、C\(_{2}\)。当Rc1=R\(_{c2}\)和C1=C\(_{2}\)时,便得到对称的方波。

G\(_{3}\)和G4管是两路放大器,它们有一个公共负载R\(_{1}\)。在G3和G\(_{4}\)的抑制栅上分别并联着二极管G5和G\(_{6}\),它们是控制放大器轮流工作用的。当G1管截止时(即方波在正半周),Ua1最大,这时U\(_{a1}\)通过G5向电容C\(_{3}\)充电。因为G5在导电时两端的电压降很小,所以G\(_{3}\)的抑制栅电位接近地电位,G3管正常工作,把输入信号U\(_{A}\)放大。当G1管工作时(即方波在负半周),U\(_{a1}\)最小,这时电容C3上所积蓄的电荷就通过G\(_{1}\)管及电阻R3放电。放电电流在R\(_{3}\)上产生一个负的压降(此时G5管不导电),这就使G\(_{3}\)管的抑制栅带很高的负电位,因此G3管停止工作。同理,G\(_{2}\)管截止时,G4管工作,而G\(_{2}\)管工作时,G4管停止工作。由于G\(_{1}\)管和G2管是轮流工作的,所以G\(_{3}\)管工作时,G4管就截止,G\(_{3}\)管截止时,G4管就工作。这样,两个放大器也就轮流地工作,把被观察的两个输入信号U\(_{A}\)和UB轮流地放大后送到示波器的Y轴输入端,在荧光屏上我们便能同时看到两个波形了。
图3中两个放大器的帘栅电压是由电位器R\(_{2}\)供给的。当电位器的滑动头在中间位置时,G3和G\(_{4}\)管的帘栅电压相等,两个波形的时基线就重合(如图4a)。当电位器的滑动头不在中央时,两管的帘栅压不等,时基线就分开,荧光屏上的波形就不重合(如图4b)。

图5是电子开关的另一种线路。其中方波发生器部分可通过改变电容(C\(_{1}\)和C2)和电阻(R\(_{c1}\)和Rc2)的数值而改变方波的频率。方波发生器输出的两个相位相反的方波信号分别加到三极管G\(_{5}\)和G6的栅极。G\(_{3}\)和G5管合用一个阴极电阻R\(_{3}\)。当G1管输出的方波在正半周时,电容C\(_{3}\)被充电,充电电流在电阻R5上产生压降,使G\(_{5}\)管的栅压为正,因此G5管导电。这时阴极电阻R\(_{3}\)上将会产生一个很大的负偏压而使G3管截止。在方波的负半周,电容C\(_{3}\)通过G1管和R\(_{5}\)放电,G5管被截止,于是G\(_{3}\)管因为有正常的负偏压而能工作。可见这个电路中的两个放大器也是受方波控制而轮流工作的。

怎样选择方波和示波器的扫描频率
实际使用电子开关时,要根据被测信号的频率来确定它的方波频率和示波器的扫描频率。因此,首先要求两个被测信号的频率f\(_{c1}\)和fc2相等或成简单的整数比。这样才能使扫描频率与两个信号频率一起同步。否则荧光屏上将出现一片模糊的光迹。
其次,为了使荧光屏上能看到几个完整的波形,扫描频率f\(_{n}\)应该选得比信号频率fc低,一般情况下,f\(_{n}\)=\(\frac{1}{2}\)fc最合适。如果被测的两个信号频率不相等,就应该根据较低的那个信号频率来选择扫描频率。
扫描频率选定后就可以根据信号频率的高低来决定电子开关的方波频率。一般有两种情况:
(1)当信号频率较高时,应该选电子开关的频率低于信号频率。这时,在方波的正半周内,电子束将在荧光屏上描绘出输入信号A的波形(图6a)。在方波的负半周,荧光屏上描绘出的是输入信号B的波形(图6b)。由于荧光屏的余辉作用,在描绘信号B时,信号A的波形还没有隐去,所以出现的将是图6e的波形。

(2)当信号频率较低时,应该选电子开关的频率高于信号频率。这时示波器荧光屏上出现的图形将如图7e所示。虽然这个图形是由虚线构成的,但并不妨碍我们的观察。显然,开关频率取得愈高,间断的情况则愈不明显,因此使我们看起来将会感到是连续的波形。

最后,在选择示波器的同步信号时,底该选用外同步信号。因为电子开关的方波是由多谐振荡器产生的,它的稳定性较差。如果选择内同步的方式,就会因为示波器的输入信号中有电子开关的频率成分而使同步不稳。在实际应用中,都是将两个被测信号中频率较低的那个送入示波器作为同步信号(如图8)。

利用示波器和电子开关测量相位
单射线示波器加装电子开关以后,可以扩展示波器的工作范围。例如它可以很方便地求出放大器的放大倍数、观察波形失真的情况以及求出信号之间的相位关系等等。下面我们以测量两个同频率的正弦电压U\(_{1}\)和U2的相位差φ为例,来说明它的一般应用情况。测量U\(_{1}\)和U2的相位差时,要将U\(_{1}\)和U2分别接到电子开关的输入1和输入2上,将电子开关的输出接到示波器的Y轴输入端。示波器的外同步信号取自被测信号中的一个。测试时先改变电子开关中的平衡调节器(即图3中的电位器R\(_{2}\)),使两个信号的时基线重合。于是在荧光屏上就会显示出两个波形,如图9。两个波形之间的相位差φ可以从下式求出:

φ=\(\frac{AB}{AC}\)×360°
AB与AC的长度以荧光屏上可以直接量出。
利用两个或两个以上的电子开关还可以使我们在单射线示波器荧光屏上同时观察三个或三个以上的波形。
电子开关除了应用于示波器中外,在脉冲技术、电子数字计算机电路及自动控制中也得到了广泛的应用。(黄仲诚 肖普隆)