矿石收音机不需要电源,而且声音清晰,至今还很受无线电爱好者喜爱。如果在矿石机后面再加一级半导体管放大电路,提高输出的音量,那就更为完美。但遗憾的是,这时又必须用电池作为半导体管放大器的电源。最近作了一架不用电池的矿石-半导体管收音机的实验,效果良好,特在此向读者们介绍。
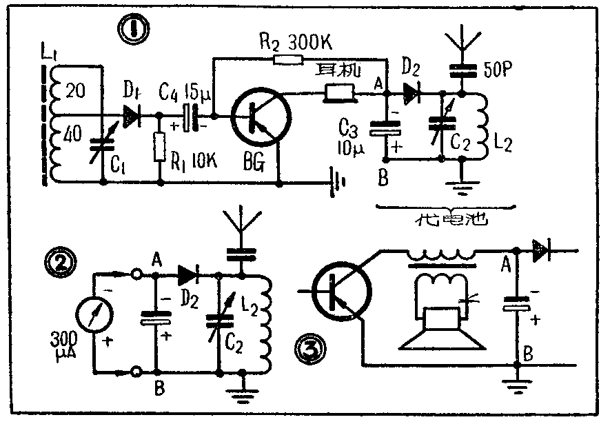
图1是这架收音机的全部线路。
AB两点的左边是矿石-半导体管收音机的电路。用七股0.07毫米编织漆包线在扁形瓷棒上绕60圈作为天线兼调谐回路的电感元件L\(_{1}\)。在20圈处引一抽头接到检波矿石D1。C\(_{1}\)是最大电容量为270微微法的空气可变电容器。D1是矿石或半导体二极管。BG用3AX3(П6В)型半导体三极管。
AB两点右边是代替电池的射频电源电路。L\(_{2}\)是一般矿石机用调谐 线圈。用调谐可变电容器C2将L\(_{2}\)C2回路调谐到中波段内电力最强的某一电台频率上。这个电台的高频电磁波经过天线变换成为高频电流,经过50微微法电容器送入L\(_{2}\)C2回路。再经过半导体二极管(任何型号的都可以)整流后,在电解电容器C\(_{3}\)两端产生直流负电压,作为半导体管BG的电源。R2是供给基极偏流用的电阻。
实验情况如下:将一个300微安档的直流电流表接在AB端,如图2所示。调谐C\(_{2}\),当收到信号最强的电台时,电表指示达120微安。用电压表量AB两点间的直流电压,指示为2.1伏,A点为负,B点为正。
射频电源电路调整好以后,把AB两端接入图1左部的电路上,将听到电台广播,如音量比不加半导体管BG放大时强很多倍,说明半导体管工作正常。如果用输出变压器和2\(\frac{1}{2}\)"永磁动圈式扬声器代替耳机,仍可发出相当大的音量,改接电路见图3。
射频电源在有负载时,AB两点的电压降到1.2伏。
由于一般使用的半导体管多是PNP型的,所以D\(_{2}\)的正负极应按图1接法。如用NPN型的,则正负极应对调一下。

本机实验地点离电台不远,只用一根2米半长的导线悬在平房的窗外成倒L形,离地面不到4米。如果实验地点离电台较远,需设有较高或较长的天线,不过效果可能不好。
如果要简化电路,完全可以不用L\(_{2}\)C2回路,而把D\(_{2}\)接到L1C\(_{1}\)回路取得电能。但这时只能利用所接收的电台的射频能量,而不能固定地从某一强电台的射频电能取得能量。
用这种简单的射频电源可以供其他负载不太重的半导体管电路使用,如来复式半导体管收音机、半导体管振荡器、半导体管电压表等。
如果把射频电源回路中的线圈L\(_{2}\)也绕在磁性棒上,并用固定小型电容器(代替可变电容器C2)与L\(_{2}\)调谐在某强电台的频率上,这样就可以装成携带式小型的不用电池也不用天地线的半导体管收音机或其他简单的半导体管仪器。(福和 增祺)