一般万用电表不能直接测量交流电流,需要借助测量电路中负载电阻两端的电压,然后换算出交流电流值来。根据相同的原理,利用一只电源变压器,临时接成一个附加器,配合接到万用表的交流电压档上,就可以测量5安培以内的交流电流,并直接读出它的读数。
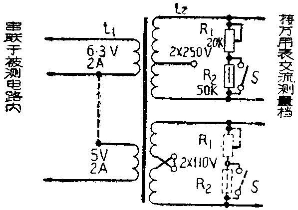
如图所示,取一只普通交流收音机用电源变压器(或一般的电铃变压器、行灯变压器,或较大的输出变压器等,只要它有一个6~10伏的次级线圈,和200伏以上的初级线圈,就可以用),将它原有的次级线圈(灯丝6.3伏)作为初级线圈L\(_{1}\)串联到被测电路里,将原来高压线圈(2×250伏)作为次级线圈L2,并联接上一只20千欧电位器(R1)和一只50千欧电阻(R2)后,接到万用电表交流电压适当的一档上(也可用它的原220伏初级圈,如图虚线所示),按照下表的五个刻度,可以测量0~0.1安至0~5安等五个不同范围的交流电流。
交流电流测量范围 使用万用电表的
电压测量档和刻度
0—0.1A 0—10V~
0—0.5A 0—50V~
0 0—100V~
0—2.5A 0—250V~
0—555A 0—500V~

这一测量方法的原理是,当交流电流流过初级线圈L\(_{1}\)时,在L1周围就产生交变磁场 (100次/秒)。这个磁场不断地切割次级线圈L\(_{2}\),在它的两端就产生感应电压。L1的磁场强度是与通过它的电流强度成正比,L\(_{2}\)上电压的高低则与L1上产生的磁场强度成正比。也就是说,L\(_{1}\)上通过的电流强,L2上的电压就高;L\(_{1}\)上通过的电流弱,L2上的电压就低。R\(_{1}\)和R2作为负载电阻并联在L\(_{2}\)上,使L2产生一个适当范围的电压降,将它接到万用表的交流电压档上指示出一个电压值。我们就从这个电压值知道L\(_{1}\)上通过的交流电流强度,并可直接利用电压指示刻度作为测出的电流读数。
负载电阻R\(_{1}\)和R2是作电表定度之用。单独用R\(_{1}\)(20千欧)可以配合0~50伏以上的测量档使用。由于各变压器的初、次级圈数比不完全一致,它可能有5千欧上下的差别。至于0~10伏一档,由于它的输入阻抗很低,所以测量时R1还须串联上R\(_{2}\),可用单刀单掷开关S来控制。
对于某些输入阻抗很低的表头,虽然在R\(_{1}\)上串联了R2,还会出现不能利用0~10伏档刻度来测0~0.1安的可能,这时可用下法解决。
1.增加L\(_{1}\)的圈数。如图,变压器的灯丝电源有两组,可将它们串联起来作为初级(见图中虚线),这样R2可以不用,R\(_{1}\)阻值也须稍为降低。如果使用的是电铃变压器,则可用它的0~10伏而不用0~6伏抽头。
2.如果L\(_{1}\)圈数不能增加,根据实验,测量0~0.1安可接在0~10伏一档,但用0~250伏的刻度,也就是将0~250伏档的“V”(伏)读成“MA”(毫安),这样它就成为0~0.25安测量档了。
关于装配,非常简单。可将变压器、电位器和小开关装在一只小木盒里。它的输出和输入两端各接上一根半米长的双股电源线,并在输入线上接上电池夹或测试棒,输出线接上电表插头,直接插入万用表输入插口,使用时很方便。
至于校验,最好能用标准表校对。没有这项设备时,可用电子管来校正。在额定电压下,一只6P1的灯丝电流可作0.5安标准;两只6P1并联可作1安标准;一只5Z2P和一只6P1并测可作2.5安标准;一只5Z2P和一只5Z3P并联可作5安标准。0.1安无适当的电子管,可用220伏15瓦的照明灯泡作标准,调节R\(_{1}\),使指针停在6.82伏处(即0.0682安),今后实际使用时,到达10伏可即作为0.1安。这样校验虽不十分精确,但可以满足一般业余测量的需要。
这只附加器可测最大电流强度,经过试用证明,L\(_{1}\)线圈额定电流为2安,实际测量时,瞬时(10秒钟以内)可测5安;短时间(10分钟以内)可测3安,不致损坏。(吴志诚)