1.如图。电源接至a、b端,开关接至“1”,将绿灯短路,电源直接加到红灯上。同理,接至“2”,将红灯短路,绿灯亮。接至“3”,红绿灯串联接到电源上,这时亮度要暗一些。

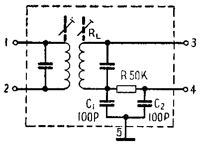
2.不是。一般中频变压器各线圈的直流电阻均约在5~50欧范围内,即使是由十一股细导线绕成的线圈断了十股,其阻值也不会有这么大(全断阻值应为∞)。可以肯定,这是一副高级机用的中频变压器,在罩子里已经装好了滤波电路(见图),故从次级上量得的阻值为滤波电阻R与线圈电阻R\(_{L}\)之和,所以阻值高于50千欧。那一根独立不通的引线是准备接地用的。

3.在图B所示的情况下,电流表的指示数会降低一些,理由如下:二极管的屏流大小随屏压高低而改变。屏压就是电子管的屏极对阴极之间的电压。由于直热式电子管的阴极即是灯丝,其上所加的灯丝电压会使屏压的大小受到些影响,从而使屏流改变。例如,设图中的灯丝电源电压为2伏,屏极电源电压为10伏,则在图A中,屏极对灯丝的A点的电压为12伏,对灯丝的B点的电压为10伏,平均屏压约为11伏。而在图B中,屏极对B点的电压仍为10伏,但对A点的电压,因灯丝电源与屏极电源的极性相反,只有8伏,平均屏压降至9伏左右,即比图A的接法约降低了2伏,因此屏流减小了一些。