各种机械转动轴承和发动机汽缸的内部运转情况如果不正常,则会发生杂音。这种杂音很微弱,单凭耳朵去听很难正确地判断出故障所在。我们自己制作了一架半导体探测器,通过它能够很快地找出发生杂音的部位,从而可以很方便地查找出障碍。
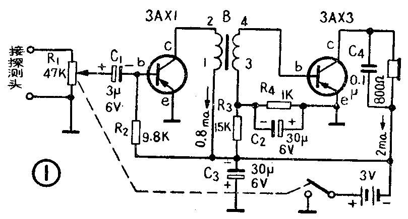
探测器电路如图1所示。它实际上就是一架小功率的半导体放大器。探测头将机械运转部分的杂音变成电信号以后,经过一级电压放大(3AX1)和一般功率放大(3AX3),然后送到耳塞中去,这时耳塞便能发出明鲜的杂音。

本机在装置时,要求零件的排列紧凑,以便缩小体积。我们是按图2装置的,现提出来供大家参考。先取一块9.2×7.2毫米\(^{2}\)的层压胶木板,用铆钉打好孔,依次把零件装上去,用锡焊牢。最后再焊接半导体管。装妥以后要检查一下电路有无接错,然后再接上电池(使用两节五号电池),并要注意电池正负极不能接反。全机调整好以后可装进一只塑料香烟盒子里。

探测头的制作如图3所示。取一根10号铜丝,长20厘米,插进耳塞头上的孔内,然后再把一只塑料玩具小喇叭及一个小塑料碗合起来,把耳塞放进去,内部塞满棉花,使耳塞位置固定,并起隔音作用,最后把小喇叭及塑料碗用螺丝固定起来。使用的时候需将探棒(铜丝)触在被测机件的运转部分,这样探测头就能把机械运转部分的杂音变成电信号。

本机在调整时先不要打开电源开关,而将三用表扳到直流10毫安一档,接在开关两端,测量一下全部电流。正常情况下全部电流应在3毫安左右。然后拆去电流表,合上电源开关,并把电位器R\(_{1}\)逐渐旋大,这时耳塞里就能听到丝丝的声音,如果用手轻轻地触探针,耳塞就会发出较响亮的啪啪之声。如果所测量的电流过大或过小,就要进行调整,调整的方法是变换半导体管的偏流电阻。其步骤如下:首先调整功率放大管3AX3的工作电流,把电流表串接在耳塞及集电极电路里,用一个5千欧电阻和一个100千欧电位器串联代替偏流电阻R3,缓慢地旋动电位器,使电流表指示到2毫安时为止,然后测出电位器阻值,这个电阻与5千欧电阻之和,就是适当的偏流电阻,最后用相同阻值的固定电阻换上去。调整电压放大级3AX1的偏流,是把电流表串接在输入变压器1端及电池负极之间,电流表可用5毫安一档,其他步骤与前法相同。电流表指示应在0.8毫安左右。(石锐 )