6H2(6X2П)为双二极检波管,但是通过试验,发现它也可以代作电源整流。在简单的五灯机里,用两只6H2并联起来,就可以安全地代替6Z4。
6H2用作全波或半波电源整流的电路接法如图1所示。要注意的是在它的屏极上应当加接限流电阻,否则电源开启时,由于滤波电容器充电,峰值电流过大,会使管子内部阴极接线烧断损坏。

另外,在旧式收音机中,如果原用的12F整流管坏了,按图2接法,通过一只小七脚管座,可以将一只6H2装在12F管腰上直接代替它使用。(孙大涌)

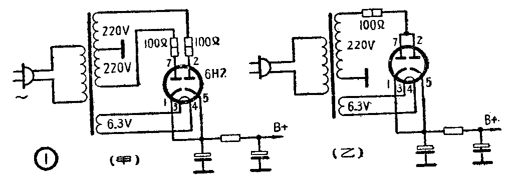
6H2用作电源整流
6H2(6X2П)为双二极检波管,但是通过试验,发现它也可以代作电源整流。在简单的五灯机里,用两只6H2并联起来,就可以安全地代替6Z4。
6H2用作全波或半波电源整流的电路接法如图1所示。要注意的是在它的屏极上应当加接限流电阻,否则电源开启时,由于滤波电容器充电,峰值电流过大,会使管子内部阴极接线烧断损坏。

另外,在旧式收音机中,如果原用的12F整流管坏了,按图2接法,通过一只小七脚管座,可以将一只6H2装在12F管腰上直接代替它使用。(孙大涌)
