有线广播线上搭挂的扬声器数量过多,是不会响的。在有交流电源的地方,可以建立放大站来解决这个问题。在没有电源的地方怎么办呢?最近我们试制了一台用大功率管的两管半导体放大器,经在公社实地试用,可以直接带响三百多只舌簧扬声器,收听清楚,很受农民社员们的欢迎。
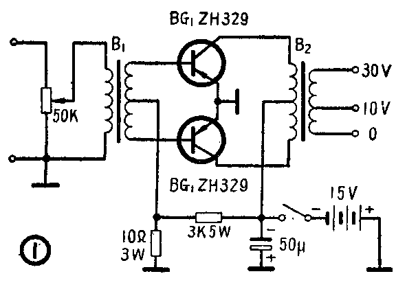
这台半导体放大器的结构简单,体积小,成本低,装制和管理都很容易。它的电路如图1所示,采用两只国产大功率低频管ZH329作推挽放大,电源电压15伏,用手电筒电池10节,输入电压4~7伏,最大输出功率可达10瓦。

放大器运用在乙类放大状态,无信号静止屏流50毫安,有负载工作电流最大值200毫安,输入电路用50千欧电位器控制音量,输入变压器变压比为1∶1。变压器的绕制数据:输入变压器(B\(_{1}\))用截面积为1.3平方厘米的硅钢片铁心,初级用0.10毫米(42号),次级用0.12毫米(40号)漆包线各绕1200圈(图2甲)。输出变压器为了适应不同线路和负载的需要,采用多头式输出,铁心截面积3.0平方厘米,初级用0.27毫米(32号)漆包线绕480圈,在240圈抽头,次级用0.51毫米(25号)漆包线绕240圈,在120圈抽头(图2乙)。

在无电源地区应用这种半导体放大器有许多好处。首先它的耗电量比较省,用10节一号手电TUM筒干电池,每天播音四小时,可用三天。其次是投资少,不需要花很多钱,就可解决全公社的需要。另外,应用放大器后,还可以进一步利用载波传送广播,使广播和电话互不影响。(王桂新)