简单的半导体管收音机是由高频放大、检波和低频放大等几部分电路组成的。比较复杂的超外差式半导体管收音机,还包括变频、中频放大等电路。每一部分电路习惯上叫做“级”。在各级电路之间需要通过所谓“耦合电路”把它们连接起来才能完成收音工作。本篇将对各种耦合电路做一些分析和比较。
一、高频输入耦合电路
半导体管收音机一般都采用磁性天线。这是一根用磁性材料制成的棒,上面绕有调谐线圈和耦合线圈(图1中L\(_{1}\)和L2)。由于这种磁棒的导磁率很高,磁阻很小,于是空中的电磁波集束地通过磁棒时,使绕在磁棒上的调谐线圈中能感应出较高的感应电压(比空心线圈大很多倍)。在调谐线圈L\(_{1}\)中感应出来的信号电动势通过电磁感应传到耦合线圈L2,再送给输入级(变频或高放)半导体管。因此磁性天线也起了输入回路和第一级半导体管之间的耦合作用。

磁性天线具有方向性。这是因为贯穿磁棒的磁力线越多,接收效果越好,所以磁性天线棒如图1位置放置,即使磁棒与要接收的电台方向垂直时,接收该电台的信号最强,其它方向来的各电台信号或干扰杂波只能在L\(_{1}\)中感应出比较弱的电动势,因而提高了收音机选择电台和避免干扰的能力。
磁性天线棒的长度l(见图2)和截面直径d的比值l/d的大小对接收效果有影响。l/d值大,磁棒的导磁率增高,收音效果好。一般产品将这个比值取在10~20之间,如市售磁性天线棒的直径为8毫米或10毫米,长度为100、120、140、180毫米等各种尺寸。

图3是常见的通过磁性天线耦合的电路。如上所述,由磁性天线接收到的高频信号在调谐线圈L\(_{1}\)中感应出信号电动势,并经L1、C\(_{T1}\)、C1组成的调谐回路选出所需电台信号,通过绕在同一磁棒上的另一线圈L\(_{2}\)产生感应电压,耦合到第一个半导体管去。

带有磁性天线的高频耦合电路还有其它一些型式。如图4是自耦变压器耦合电路。信号直接由线圈L\(_{1}\)的下边一部分取出,通过电容器CC耦合过去,C\(_{C}\)的另一个作用是防止偏压电阻R2上的直流电压被短路(因为L\(_{1}\)的下边这部分线圈对直流电阻很小)。图5是电容电感耦合,高频信号通过L1和L\(_{2}\)之间的耦合以及CC的耦合传过去。图4、图5电路的选择性和波段内增益的均匀性都不如图3互感耦合电路。


如有必要加接外接天线以提高灵敏度的话,绝不能把天线直接接在磁性天线的输入调谐回路上。因为外接天线相当于一个电阻和一个电抗串联的等效电路,如果直接连接,则耦合太紧,外接天线中的电阻部分将使调谐回路的损耗增大,回路对电台的选择性变劣;而电抗部分将使回路失谐而引起失真。合理的方法是串接一个10~20微微法的小电容器C\(_{C}\),如图6所示;或者在磁棒上加绕一个3~5圈的外接天线耦合线圈Lc,如图7。


二、阻容耦合电路
半导体管放大器级间的交连基本上采用阻容耦合和变压器耦合两种型式。阻容耦合的典型电路如图8。R\(_{1}\)、R2是直流分压电阻,用以提供BG\(_{2}\)所需发射结偏压。RC和C\(_{C}\)是阻容耦合元件。如果忽略电池的内阻,可以看到RC是并联在C\(_{C}\)和R2的串联电路两端(1、4)的。在R\(_{C}\)上的信号也就加到CC和R\(_{2}\)上,所以CC值要足够大,C\(_{C}\)的容抗才比较小,使有用的信号电压大部分加在R2上,送给下一级电路去放大。从频率特性说,C\(_{C}\)也要大一些好,否则由于在低音频时CC的容抗变大,信号将有较多部分降落在C\(_{C}\)上,R2上的压降变小,结果收音机的低频特性不好。举例说,要想有9/10的信号电压降落在R\(_{2}\)上,就必须在最低频率时R2为C\(_{C}\)的容抗的九倍,如果希望最低能通过200赫,R2取12千欧的话,那么C\(_{C}\)就需要0.6微法左右,故一般收音机上取5~10微法,使CC上降压极小。

阻容耦合放大器工作时,对信号的交流负载R~从图9可以看出是三个电阻的并联(由于R\(_{1}\)比较大、CC的容抗比较小,这两个元件可以忽略不计),也就是直流负载R\(_{C}\)、R2,以及从3、4两点向右看进去的BG\(_{2}\)的输入电阻R入。本专栏以前曾述过输入电阻R\(_{入}\)是很小的,约为几百欧到几千欧,所以放大管BG1的交流负载R~是很小的。

另一方面,图中的R\(_{0}\)代表BG1的输出电阻,也就是从1、4两点向左看进去的电阻。因为BG\(_{1}\)的集电结接反向偏压,处在阻流状态,故R0是很大的,约为十几千欧到几十千欧。
由上述可知,输出电阻R\(_{0}\)要比交流负载R~大很多,所以阻容耦合是处在严重的阻抗失配情况下,因而不能很好地传输功率,这是它的主要缺点。所以在半导体管收音机中一般只在电压放大级采用这种方式。
另外,图8中的1、4两点间存在着半导体管BG\(_{1}\)的发射极和集电极间的极间电容Cce,一般这个电容是比较小的。如果在收音机的最高传输频率时C\(_{ce}\)的容抗比起交流负载R~大得多,而且如上所述在最低频率时,CC的容抗比R\(_{2}\)小得多,那么就可以认为Cce不存在且C\(_{C}\)短路。结果在收音机要传送的音频频率范围内,阻容耦合放大器就可以近似地看为一个全是电阻的电路(对信号而言),因此它的频率特性是很均匀的,信号的失真比较小。所以频率范围较宽和频率特性较好是阻容耦合放大器的优点。此外,这种耦合电路比变压器耦合电路结构简单,元件比较便宜。
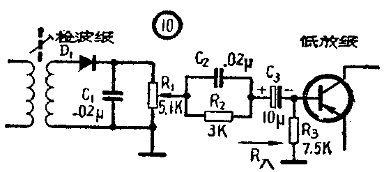
在图10中画出了阻容耦合的另一个例子。由二极管D\(_{1}\)检波后得到的音频信号降落在负载电位器R1上,然后从R\(_{1}\)滑臂和下端取出,通过R2、C\(_{2}\)、C3、R\(_{3}\)耦合到低放级去进行放大。由于如前所述,低放级输入电阻要比R1小得多,当音量开到最大时,即电位器滑臂转到最上端时,很小的输入电阻和R\(_{1}\)并联作为检波器的负载,这将使总负载电阻比输入电阻更小,以致引起严重失真,故串入电阻R2,以抵消和R\(_{1}\)并联的输入电阻的影响。C2是用来改善频率响应的,它的数值不能太大,太大了等于把R\(_{2}\)旁路,就失去增加检波器的交流负载的作用了。

三、变压器耦合及其圈数比
变压器耦合被广泛地用于半导体收音机中,可以说输入回路和变频级、交频级和中放级、前置放大级和功率放大级,以及最后功放级耦合到扬声器间都采用它。主要原因在于变压器耦合能够达到阻抗匹配成近似阻抗匹配,可使下一级获得的传输功率最大。这也是变压器耦合的最大优点。由上述我们知道半导体管电路输入电阻总比输出电阻低得多,为了达到阻抗匹配,可采用降压变压器,使次级阻抗反射到初级升高而达到匹配。如果初级圈数/次级圈数=N的话,大家一定很熟悉,这时如果在次级接一阻抗R的话,从初级看进去就好像初级接有一个数值等于N2R的阻抗一样(请参看本专栏今年第1期),因此可以选择合适的圈数比N来达到阻抗匹配的目的。例如末级推挽最佳负载电阻是560欧,而一般扬声器音圈阻抗是3.5欧,那么可以用一个输出变压器来使它们匹配,只要此变压器的初、次级圈数比N选在\(\sqrt{56}\)0/3.5=12.6左右就可以了(这里没有考虑变压器的效率,如考虑在内,N应比12.6稍低一些)。
为什么又说是近似阻抗匹配呢?这是由于即使是同类型的半导体管,其输入、输出电阻数值还是有出入的,并且还和工作点有关,因此当圈数一定下以后,不容易达到完全匹配。另外,完全匹配时失真会较大(如在低频放大器中,要求是和最佳负载阻抗匹配,而后者比输出阻抗小),为了减小失真,或因增益太高不稳定(如中放级特别是未加中和或中和不太合适时)等情况,总人为地使它稍稍失配一些。
变压器耦合电路如图11、12、13。图11用在下一级是单边功率放大级的情况;图12用在下一级是推挽功率放大级的情况;图13则用在推挽放大级和扬声器的耦合中。图中C\(_{1}\)是用来改善音质,减小低频电压失真的;这是由于C1的容抗在高音频时减小,抵消因变压器初级电感感抗随频率升高而增加的因素,使得在高频时负载阻抗不致增高,甚至使它降低一些。因为半导体机用的小扬声器高频时灵敏度高,如不补偿,声音尖脆,非常不好听。图11中C\(_{2}\)是用来提供音频通路,使音频电压能畅通地加到基极和发射极。其他如在中放、变频级等也可看做是变压器耦合(严格一些说在高频电路如变频级和中放级中,由于耦合较松,通过初级线圈的磁力线并不完全穿过次级,即有漏磁通,耦合系数较小,故看为互感耦合更合适一些,一般通过测定互感值来计算耦合系数而调节达到最佳值),其参考电路已在本专栏以前几篇中介绍过。变压器耦合电路的工作原理较简单,初、次级线圈都绕在同一铁上,交变电流流过初级在铁心内形成的磁通同时贯穿了次级线圈,因而在次级感应产生相应的交变电压和电流,从而把信号耦合到下一级管子的基极上去放大,或加到扬声器变为声音。因为一般半导体收音机中总是用降压变压器,次级圈数比初级小,故次级线圈电流增大为初级的N倍,而交变电压则降低的初级的\(\frac{1}{N}\),故变压器耦合作为电压放大,由于输入电压较低,虽有半导体管司放大,但放大倍数是不高的;而电流放大则是比较显著的,故变压器耦合都是作为功率放大的。变压器耦合的缺点刚好和阻容耦合相对应,即其频率特性不够好,频率范围较窄,另外价格也较贵。



如使用国产半导体管,常用的低频级间耦合变压器(或叫“输入变压器”)对单管和推挽来讲,初级线圈一般可选在1800~2000圈左右,初、次级圈数比前者可取在5/1~2/1,后者则为3/1~1/1左右;推挽圈数比指的是次级总圈数,另外需要中间抽头。举例来说:如初级用1800圈,采用3∶1圈数比,那么次级就是600圈,而在中心300圈处抽头。对于输出变压器初级可选在400~600圈左右,如配8欧小扬声器,初、次级圈数比可选在5.5/1~7.5/1之间。变压器圈数比一确定,对应于某个静态工作点,当工作点不合适时,会产生较大失真和使传送功率降低,故要合适地选择半导体管静态工作点。如以前所述,一般单管静态发射极电流不大于4~5毫安,末级推挽电路以2~3毫安较为合适。(良木)