双三极管6N1(6H1П)用来代替功率放大管6P1(6П1П),对于无线电业余爱好者来说,可以说是电子管变通应用的一个好办法。
查电子管手册可知6N1的一般特性如附表第一格所列。表中未给出电子管的屏极电阻值。为了求得最佳负载电阻值,首先应当求出它的屏极电阻,即
屏极电阻=放大系数÷互导
=35÷4.35=8(千欧)。

根据电子管的负载系数曲线(图1)可知,负载系数选在2时电子管的输出功率最大。但是负载系数越大,功率灵敏度却越低,所以负载系数要选用得稍小一些,一般选在1.25。因此,负载电阻=屏极电阻×负载系数=8×1.25=10(千欧)。

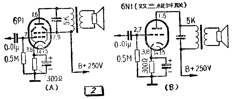
如果我们把6N1的两个三极部分并联起来使用,情况就很有趣了。这时负载电阻、栅漏电阻和阴极电阻都减半,互导及屏流则加倍,如附表第二格所列。与6P1管的一般运用情况相比较(附表第三格),就会发现两者运用情况大致相同,而且前者互导较高,灵敏度也高,屏流较小,耗电省些。由于这两种管子都用小九脚管座,因此,用6N1去代替6P1时,无需更换任何零件,只须将管座各脚接线稍加改动即可(图2),方法是:将1和6、2和7、3和8等各脚分别相连接,再将乙+原接到6P1管座第2或第9脚的接线剪除即可,非常简便。 (陈于篆)
