每当变压器线圈或其他线圈绕好以后,都要检验圈数是否正确。如果是成批生产,则可用线圈圈数测试仪进行检验。该仪器测量线圈的范围是1~4110圈,读数直接标在仪器的面板上,因此检验起来方便、迅速,同时测量误差也小,在1000圈内改变1到2圈,仪器就能指示出来。
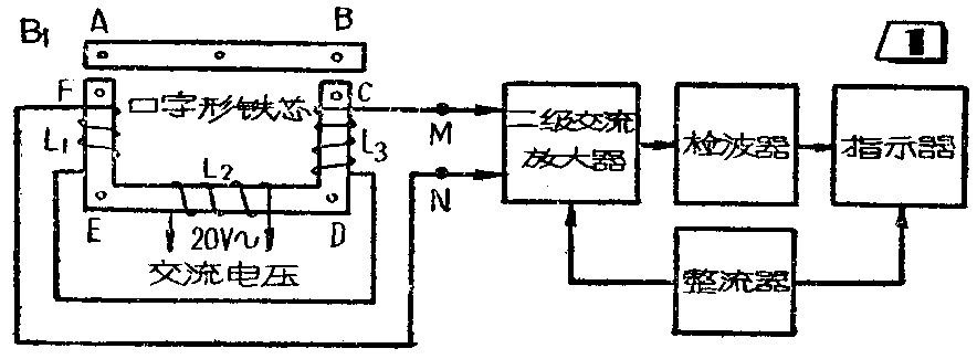
仪器的工作原理如图1所示。图中L\(_{2}\)是励磁线圈,当L2两端加上一个交变电压后,在□字形铁心中就有磁通通过,因此标准线圈L\(_{1}\)和被测线圈L3中就有感应电势产生。当L\(_{1}\)和L3两个线圈圈数相等时,它们的感应电势也相等。但由于L\(_{1}\)和L3是互相反接串联着的,因此这时它们的感应电势就互相抵消,在M、N两点之间没有电压输出。如果L\(_{1}\)和L3圈数不等,M、N两点间就有电压输出,L\(_{1}\)和L3的圈数相差越多,输出电压就越大,这个电压经两级交流放大器以后,加到检波器上,最后在指示器中显示出来。B\(_{1}\)是一个□字形铁心,铁条AB是活动的,测试的时候,先把它拿下来,把被测线圈L3放到铁柱CD上,然后再将铁条AB盖在F、C两端,这样就构成了一个测试回路。铁条AB和F、C两端接触的地方要保持一定的光洁度,这样可以减小测试误差。

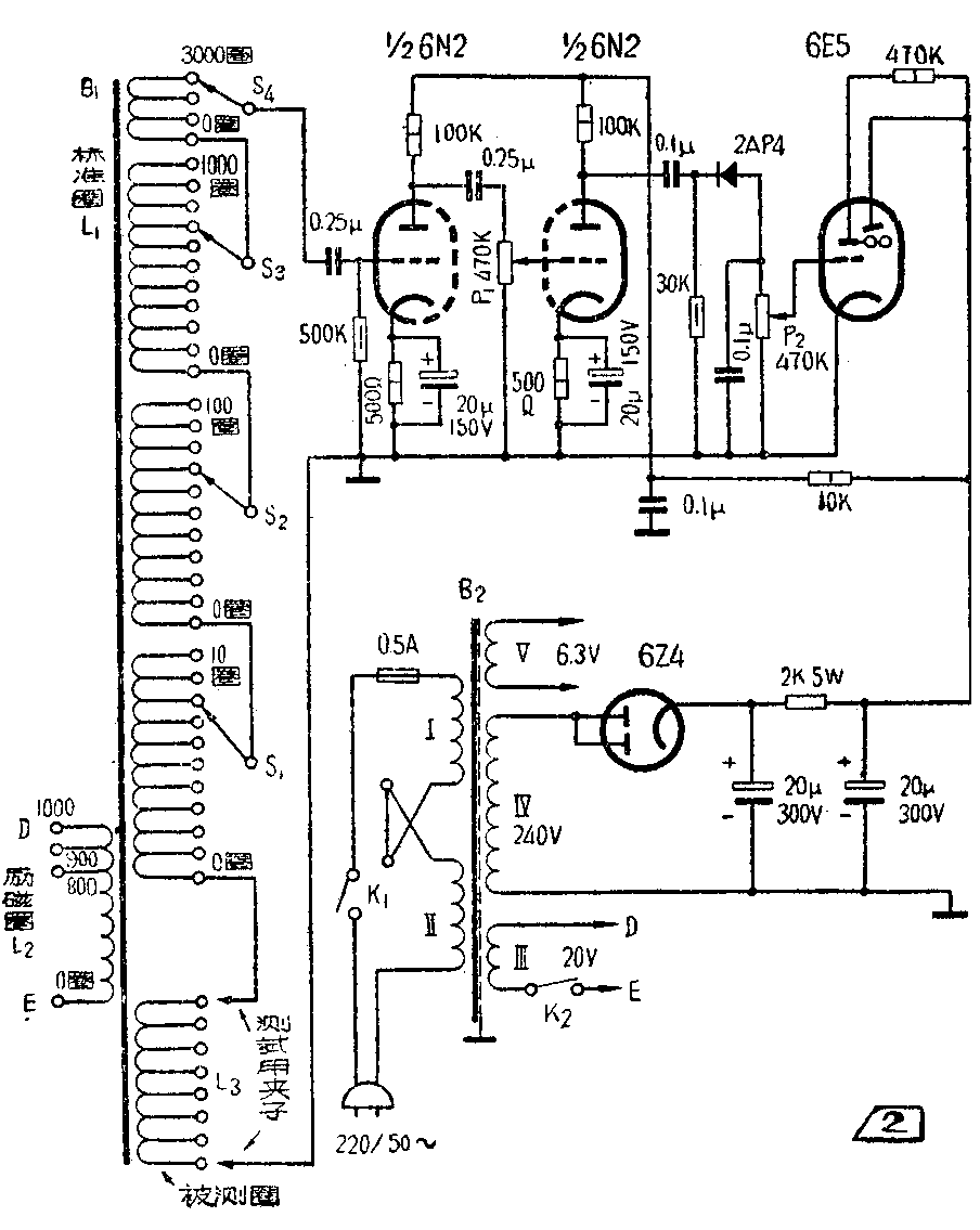
仪器的电路如图2所示。电子管6N2组成了一个二级交流放大器,以提高仪器的灵敏度。放大后的交流电压经检波后变成直流电压,加到电眼管6E5P(6E5)上去作指示。电位器P\(_{1}\)是校正仪器时用的,调整它可以适当选择放大器的工作点,调好后便固定下来。电位器P2是调节电眼管的灵敏度的,在面板上面。电源采用半波整流。S\(_{1}\)、S2、S\(_{3}\)、S4是圈数转换开关,可采用双刀十一掷波段开关,要求接触好质量高的。标准线圈L\(_{1}\)的绕制数据如下:S1档从0~10圈,每1圈抽一个头,共11个头,用21号漆包线;S\(_{2}\)档从0~100圈,每10圈抽一个头,共11个头,用23号漆包线;S3档从0~1000圈,每100圈抽一个头,共11个头,用31号漆包线;S\(_{4}\)档从0~3000圈,每一千圈抽一个头,共4个头,用36号漆包线。其绕制方法与收音机电源变压器一样,是顺时针方向普通多层平绕,不同点是抽头比较多。图3是将L1绕在图1中□字形铁心EF铁柱上的示意图。线圈抽头位置是固定的,由图3可见,千位在AB一边,百位在CD一边,十位在EF一边,个位在GH一边。首先绕千位数,零圈起始位置是A点。然后按顺序绕百位、十位、个位等。百位零圈起始位置是C点,十位是E点,个位是G点。励磁线圈L\(_{2}\)的圈数是1000圈,在800和900圈处抽头。抽头的作用是:在检验过程中,如发现L1和L\(_{3}\)相差几圈,电眼的发光面积没有明显地变化时,则可将励磁线圈从抽头引出加到20伏电源上,以提高L1和L\(_{3}\)每一圈的感应电压,从而提高仪器的灵敏度。□字形铁心是由四种不同长度的硅钢片做成的。第一种长105毫米,第二种长90毫米,第三种长73毫米,第四种长70毫米。它们的宽度均为17毫米,厚为0.5毫米。第一种要叠厚14毫米,用铜钉铆住,构成铁条AB。然后再利用其他三种不同长度的硅钢片,交叉叠成二个L形铁脚,其厚度也是14毫米。把一个L脚插到励磁圈的一端,另一个L脚插到励磁圈的另一端(见图4),这样□字形铁心就做成。自制变压器B2铁心中心柱截面积为(28×34)毫米2,初级线圈Ⅰ、Ⅱ共1040匝,导线直径0.29毫米;次级高压Ⅳ绕1115匝,导线直径0.15毫米;次级Ⅲ绕105匝,导线直径0.42毫米;次级Ⅴ绕32匝,导线直径0.55毫米。采用普通多层平绕的方法。



测试线圈圈数的时候,先合上电源开关K\(_{1}\),并把□字形铁心上面的铁条AB拿下来,把要测试的线圈放到□字形铁心CD铁柱上,然后再把铁条AB放到原来的位置上,把机内引出的两个夹子夹紧被测线圈的两个头,这样被测线圈就和标准线圈接好了。这时再合上励磁电压开关K2,即可进行测试。
当L\(_{1}\)和L3的圈数相差很多时,交流放大器就有信号电压输入,于是在电眼管6E5P三极管部分的栅极上也有负电压输入,这时该三极管的屏流很小,屏极电压很高,因此控制棒的控制作用很弱,在电眼管的荧光幕上只有一条线形阴影,整个面上都发出荧光,如图5a所示。如果改变标准线圈的圈数,使标准线圈圈数与被测线圈圈数相等,那么由于交流放大器没有信号电压输入,因此电眼管三极管部分的栅极上也没有负电压输入,该三极管的屏流增加,屏极电压变低,使控制棒的控制作用加强,这时在荧光幕上就发生一个扇形阴影,如图5b所示。如果这时把标准线圈的圈数增加或减少一圈,荧光幕上的发光面积都是增加的,比如由AB变到EF,如图5c所示,则说明标准线圈圈数与被测线圈是相等了,从仪器面板上读到的标准线圈圈数,即是被测线圈的圈数。如果标准线圈圈数增加或减少,荧光幕的发光面积变化不大,则可调整电位器P\(_{2}\),以提高电眼管的灵敏度。如果在测试的时候,改变标准线圈圈数,荧光幕的发光面积根本不变化,则说明被测线圈接反了,这时应将两个测试夹子对调一下。

下面举一个例子。当一个线圈测试结果,S\(_{4}\)打在2上,S3打在0上,S\(_{2}\)打在4上,S1打在3上,则线圈的读数就是2043。一个线圈测试结束后,将铁条AB拿下,取出被测线圈,然后再进行下一个线圈的测试。
最后需要说明一下,由于标准线圈的抽头比较多,因此在绕线圈时最好用纸编好号头,另外在接线的时候要细心,不要接错。(周金德)