这种扩音机适合在小型会场和小型工厂、学校、企业等处作有线广播之用,并附有收音部分,可以转播无线电台的广播。
该机分前级和后级两部分,装在一个长方形金属机箱内。所用各元件都经过适当的加工处理,故在湿热条件下仍能保证正常工作。
一、电性能参极
1.收音部分:
频率范围 中波535~1605千赫;短波6~18兆赫;
灵敏度 中波不劣于200微伏;
短波不劣于300微伏,
选择性 不劣于20分贝(1000千赫偏调±10千赫);
2.扩音部分:
输出功率 20瓦特;
输出阻抗 4、8、16、250欧姆;
频率响应 80赫一8000赫内为±2分贝;
失真度 不大于5%;
杂声电平 不大于0.7%;
输入电压 拾音不大于130毫伏;
传声不大于5毫伏;
消耗功率:180瓦。
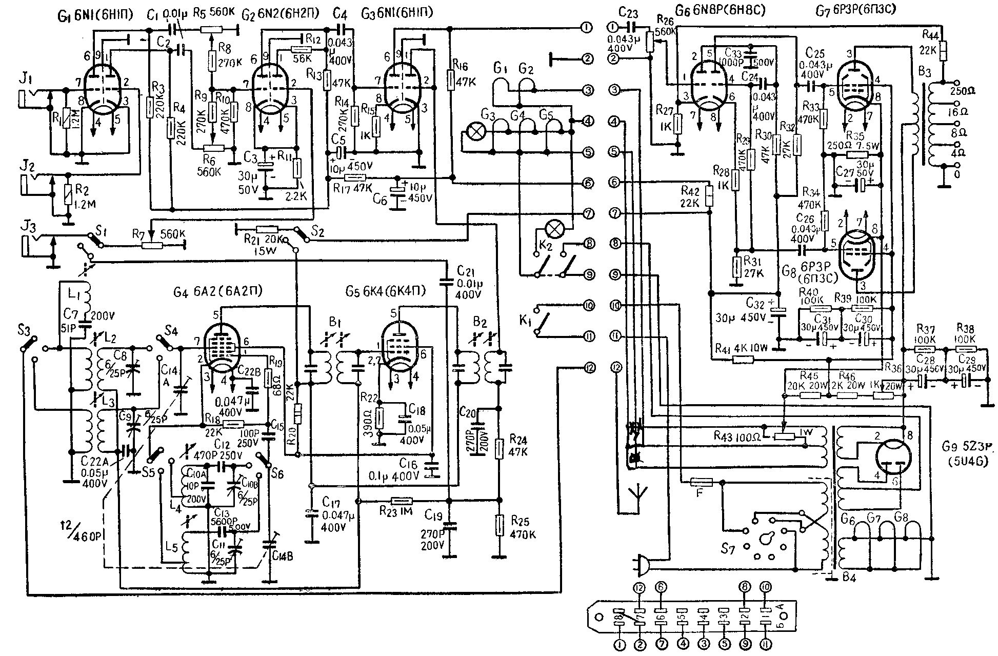
二、线路结构
1.收音部分:可以接收中波和短波的广播,用波段开关选择,波段开关还控制收音和拾音的选择。
变频级G\(_{4}\)采用6A2(6A2Π)。中频放大级G5采用6K4(6K4Π)高跨导遥截止五极管。它的栅路与G4的栅路均加有自动音量控制电压。G\(_{8}\)的一半1/26N1接成二极管作检波。
2.扩音部分:G\(_{1}\)用作传声前置放大,采用6N1双三松管,其中的两个三极管分别担任第一路和第二路前置放大。
G\(_{2}\)担任拾音混合级,由6N2的两个三极管分别将传声器和拾音器送来的信号放大,放大后在它们的屏极混合。当传声器和拾音器同时有信号送入的,并不相互影响,它们都通过G3的一边三极管放大后送至下一级。
G\(_{6}\)的右半边三极管用作倒相。另半边三极管作电压放大,加有深度负回输,有效地抑制了整机失真和得到更好的频率响应,使在这个频率范围内工作稳定。
功率放大级由G\(_{7}\)、G8两个6P3P(6Π3C)组成推挽功率放大,从而抑制了二次谐波失真。
整流级G\(_{9}\)采用5Z3P组成全波整流器。电位器R43可以平衡交流杂声到最小值。进线交流电源可以任意选用110伏或220伏、50~60赫的单相交流电。
扩音机的输出阻抗与外接负荷阻抗必须匹配,即外按扬声器的总阻抗应该和所连接输出变压器端子的阻抗配合一致,所接用的全部扬声器的功率总和应不于扩音机的额定输出功率,否则将严重影响音响强度与质量,甚至烧毁扬声器。
安装扬声器输送线时,必须注意不宜采用过长的线路和过细的导线,否则将会因线路损耗而降低有用功率。
三、维修
扩音机的所有组件都不应受潮。机器不能经受过分的振动。机箱四周应通风良好。保险丝应按规定使用。开机前应将各音量电位器关小,开机后再根据需要逐渐增大。
如发生故障,可参考下述方法进行检修。
1.中、短波无声:可能原因是;G\(_{4}\)或G6损坏或松动;中频变压器断线;波段开关接触不良;帘栅电路电容器C16短路;帘栅电阻R\(_{2}\)0断路。
2.中、短波音低:可能原因是:中频变压器失调;G\(_{4}\)、G5衰老;帘栅电路电阻R\(_{2}\)0变值;波段转换开关接触不良;天线线圈断线;G3电子管衰老;中频变压器多股线已断了几股;天线短路。
3.汽船声:可能原因是:各级去耦电容器容量不足或断路;帘栅电路电容器C\(_{16}\)断路。
4.电报干扰:可能由于中频陷波线圈断线或接触不良。
5.刻度不准:可能原因是:振荡频率偏移;垫衬电容器C\(_{12}\)或C13变值;拉线圆盘松动;本振回路补偿电容器C\(_{1}\)0A、C10B、C\(_{ll}\)断路。
6.刻度指示灯不亮:小电珠接触不良或损坏;小电珠电源线中断。
7.声音嘶哑或阻塞:可能原因有。自动音量控制电阻R\(_{23}\)断路;电阻R25断路:G\(_{7}\)、G8栅路交连电容器C\(_{25}\)、C26漏电。
8.功率放大管屏极发红:可能原因:阴极电阻R\(_{35}\)短路;阴极电容器C27短路;指示小电珠通地;G\(_{7}\)、G8栅漏电阻R\(_{33}\)、R34断路。
9.拾音和收音时无声:可能原因是:G\(_{2}\)电子管松动或损坏;G2管屏极电阻R\(_{12}\)断路。
10.拾音正常但传声工作无声:可能原因是:G\(_{1}\)电子管损坏;G1管松动;G\(_{1}\)管屏极电阻R3、R\(_{4}\)断路。

