本刊1964年第9期介绍了利用超音频振荡作干电池机甲电的方法以后,有些读者提出一些意见和问题。为此我们又做了些实验,并对电路进行了一些改进,现说明如下(参考附图)。

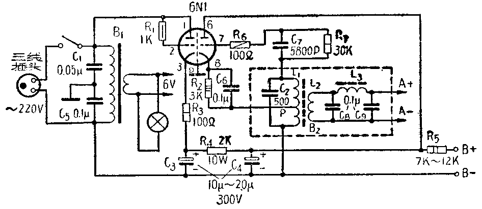
1.超音频振荡部分变压器(图中B\(_{2}\))线圈中插用的硅钢片铁心,可以用φ10毫米磁性天线棒截取25~50毫米长的一段代替。也可以用24号左右的铁丝经过锻烧退火(将铁丝放进将要熄灭的煤火炉中烧红,待炉火熄灭后,让铁丝随炉冷却),捶直剪成一束代替。如果这些材料都没有,也可以完全不用,省去铁心,但须将L1增为900圈,在500圈处抽头,而且线圈要用前文介绍的框架绕制,效果也一样。如果线圈是按一般方法在纸筒上平绕的,结果不易产生振荡。
2.超音频振荡器的阴极电阻R\(_{2}\)前文为350欧,阻值嫌低,不能产生足够的栅偏压,因而振荡管虽能起振。但屏流很大,电子管容易过负载损坏。为此,现将它增大为3千欧。使振荡屏流限制在10毫安左右,在它上面还并联上一只旁路电容器C6,防止超音频电流在R\(_{2}\)上产生电流负反馈。在栅回路中又增加一个RC电路(图中的R\(_{7}\)、C7),使振荡更加稳定。另外在栅极上还串联了一只小阻值电阻R\(_{6}\),用以防止高频寄生振荡。
3.本机输出的不是纯正弦波,除工作于超音频波段内的基波外,还有强烈的高次谐波。这些高次谐波对中波收音会产生很大的干扰,可能在收音机度盘上许多地方出现啸叫。但若超音频振荡频率选用得适当,这种干扰完全可以避免。因此在使用时,如果度盘上多处出现严重的交流声,可以适当变更振荡频率(L\(_{1}\)中如有磁棒或铁心,可试将磁棒铁心推入或抽出一些;L1中如没有磁棒或铁心,可以改变C\(_{2}\)电容量,使干扰消除)。除此以外,可以把变压器B2用隔离罩罩起(图中虚线部分,可用马口铁自制),妥善接地。还可以在输出电路端增加L\(_{3}\)、C8、C\(_{9}\)组成低通滤波器。L3可用φ10毫米的磁环,用0.4毫米(27号)漆包线绕25圈,或用φ10毫米的磁棒截取15~20毫米,用上述线绕40圈,效果也很好。
4.关于调整的方法,本机的甲电输出是超音频电流,频率较高,输出电压的大小,用一般万用电表的交流电压档去测量是难以准确的。按电路装好检查无误后,B\(_{2}\)内先不要插入铁心,用一只2.5伏或6~8伏小电珠接在B2的次级电路内。有条件的在屏回路内串接上一只0-50毫安电流表(可用万用电表的直流电流0—50毫安—档),按通电源,电流表指针将渐渐地升到9毫安,然后又突然降到3.5毫安左右,说明产生振荡。这时B\(_{2}\)内会发出轻微的嘶嘶声,小电珠也会发出微小的一点光(随着C2数值的不同,发光度会有差异,也可能暂不发光),然后缓缓地将磁棒或铁心插入线圈内。如果是不用铁心的,C\(_{2}\)可用600号半可变的垫整电容器,调整变换它的容量,这时小电珠亮度将渐渐增加。铁心插到某一位置时,小电珠亮度会突然增加,随之电流表的读数也会升高到9毫安左右。超过这一点后,小电珠亮度又会暗下来。这个最亮的地方就是振荡最好的一点。调整R2和R\(_{7}\)的数值,或是增减B2次级L\(_{2}\)的圈数,使小电珠的光度最亮时比用一节干电池燃点的亮度稍大一些。拿掉小电珠,接通收音机,收音机就会发声。再适当调整一下铁心的位置,使收音机内的干扰叫声最少、最小,固定好铁心的位置,这时电流表的读数应为8毫安左右。再用小电珠接于B2次级电路,可见它的亮度与用一节干电池供电亮度相仿,这样调整就算成功了。
5.这一电路,只要装接不错,一般是很容易成功的。但是由于使用零件不同,也可能发生某些故障。如果接通电源,B\(_{2}\)内不插铁心,小电珠就会发出很强的光亮,插入铁心,光亮反而减小,这是C2的电容量小了些。反之,铁心全部插进线圈,小电珠亮度虽逐渐增加,但未达到最亮一点,这是C\(_{2}\)电容量过大了。一般只要输出足够使收音机发声,可以不必更动C2的数值如不够用,可将C\(_{2}\)的电容量减小一些。
6.这个电路适合用于一般五灯干电池机,也可以用到6灯以上的干电池收、扩音机上。对于6灯以上的,如果输出不够,可以另用一只6z4管单独担任半波电源整流,而将6N1管的双三极并联起来作为单管单独担任振荡,这时R\(_{2}\)和R7应当调整,其值要由实验决定。(于连芳)