要想使半导体收音机具有较高的灵敏度、较好的选择性和比较满意的声音。在这种收音机的电路中除了要有低频放大电路以外,还需要有高频放大电路,或者说高频放大器。常见的高频放大电路一般可分为两类:一类是调谐式的;另一类是非调谐式的。
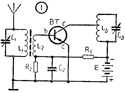
调谐式高频放大电路是以LC调谐回路(图1的L\(_{3}\)C3回路)作为负载,工作时将它和输入调谐回路L\(_{1}\)C1同步地调谐到所要放大的信号频率上。非调谐式高频放大电路一般是以电阻(图2中的R\(_{3}\))或高频铁氧体磁心变压器(图中B1)作为负载。前一种电路具有较高的放大倍数和较好的选择性,后一种电路的灵敏度和选择性则比较差,但它在调整时比较容易,使用的元件也少,所以一般业余无线电爱好者使用较多。对灵敏度和选择性的缺陷则用再生回输的方法来弥补。


一、基本工作原理
在图1所示调谐式高频放大电路中,由一般天线接收或者由磁性天线感应所得到的高频信号传到 L\(_{1}\)C1调谐回路加以选择后,在回路两端取出所要收听的信号。由于半导体管的输入阻抗比L\(_{1}\)C1调谐回路的阻抗低,如果把它们直接连接起来,信号将不能很好传输,效率很低,所以从L\(_{1}\)C1选出的高频信号需要通过变压器(即磁性天线)耦合到半导体管的输入端,使它们的阻抗匹配(参阅前一期本专栏的讲解)。经过变压器后在次级线圈L\(_{2}\)上得到的高频信号,一端加到半导体管的基极b,另一端通过C2加到发射极e。由于半导体三极管有放大作用(这在本专栏以前有关文章里已作详细分析),在它的集电极电路里的负载L\(_{3}\)C3回路两端便得到放大了的高频信号。这时回路L\(_{3}\)C3对高频信号又进行了一次选择,以得到更加纯净的信号频率。因为这种高频放大电路有两次选择高频信号的作用,所以收音机的选择性得以提高。但L\(_{1}\)C1和L\(_{3}\)C3两个回路需要准确地同步调谐。L\(_{3}\)C3所选出的信号用变压器耦合或阻容耦合传到下一级放大电路。
在这个放大电路内,通过R\(_{1}\)、R2给放大管发射结提供所需要的正向偏压,集电结所需的反向偏压则通过L\(_{3}\)的一部分线圈加到c、e之间。图1、图2中的电容器C2的作用是让L\(_{2}\)上的高频信号能够顺利地通过它加到e极去。如果没有这个电容器,高频信号将主要通过电阻R2加到e极(因R\(_{1}\)比R2大得多,经R1和电池到达e极的部分比较小),而电阻R\(_{2}\)比发射极至基极的阻抗大得多,信号能量将遭到很大损失,有很大一部分降落在R2上,只有少部分能加到e极。
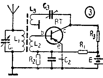
图2是非调谐式高频放大电路,它的工作原理和调谐式的基本相同,不同的只是经半导体管放大后的高频信号是加到电阻R3或耦合变压器B\(_{1}\)的初级圈上(图中虚线所示)。
二、再生回输
图3是加了再生回输(或叫反馈)的非调谐式高放电路。加了再生以后可使高效电路工作效果大为改善。在这种电路中,放大后的高频信号,有一路经过负载电阻R\(_{3}\)和电源回到e极成回路,从R3上取出的信号电压加到下一级放大电路去;另外还有一路从C极经C\(_{3}\)L3到公共地线,回到e极,而L\(_{3}\)和L1同绕在一根磁性天线棒上,所以通过L\(_{3}\)的这部分高频信号就通过感应传到L1C\(_{1}\)调谐回路。因此放大后的高频信号中有一部分又回送到放大器的输入回路。该回路的高频信号便得到进一步加强。加强后的高频信号再送给半导体管放大,放大后又回输到前面的调谐回路,这种过程反复进行的结果,使信号大大增强,这种过程就叫“再生”。起再生作用的这部分电路叫再生电路。

当放大后的高频信号回输到调谐回路L\(_{1}\)C1时,这个调谐回路的原有阻抗R\(_{K}\)就发生了变化,回输信号的电流越大,阻抗RK就越小,同时回路的质量因数Q\(_{K}\)就越大,选择性也越好,因此这个加有再生回输的高频放大电路能够提高选择性。当然由于再生回输,放大电路的放大能力也有提高,收音机的灵敏度将有很大提高,但当接收的高频信号很弱,而再生回输信号过强的时候,会产生振荡,出现啸叫声,这个电路的工作状态就不稳定。因此,所加的再生回输信号要有一定的强度。有许多方法能控制再生的强度。图3中是用调整半可调电容器C3的大小和调整L\(_{3}\)与L1间耦合的松紧,来控制再生回输的强弱:当C\(_{3}\)加大,L3与L\(_{1}\)耦合较紧的时候,流过的高频电流就多,再生就强;反之再生就弱。在装半导体收音机时一次调整好C3的大小,或将L\(_{3}\)在磁棒上移动到合适的位置,使再生强弱合适,把它们固定住,以后就可以不动了。
上面分析的是高频放大电路的基本工作原理,在半导体收音机中应用时有很多种电路形式,下面我们举一、二种实用电路做例子进一步分析一下。
三、倍压检波来复再生式单管收音机电路
这种电路除了有高放和再生回输作用外,还有“倍压检波”和“来复”这两种作用。
先用图4来说明“来复”作用的原理。由天线接收到的高频信号送进由高频管担任的高放兼低放电路进行第一次高频放大,放大后的消频信号送给检波器检波,检波后所得的音频信号再回输到该电路输入端,由它再作一次低频放大,然后送给耳机或扬声器放出声音。图中的虚线和点划线代表信号在收音机内传送的路径。这种用一个放大电路反复放大信号的方式叫“来复”。采用来复式电路,使得一个半导体三极管能兼作高频放大与低频放大,能节省器材,提高工作效率,因此得到了广泛的应用。

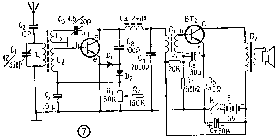
图5是一个用倍压检波的来复再生式单管收音机的电路。这个电路综合了来复、再生、倍压检波和非调谐式高频放大电路的优点,因此灵敏度较高,选择性较好,效率也很高。

由天线接收下来的各个电台的高频信号经过C2传到调谐回路L\(_{1}\)C1。C\(_{2}\)的作用是减小天线长度对L1C\(_{1}\)回路的影响。在这里如果把天线直接接到L1C\(_{1}\)回路,不通过C2则由于天线和地之间有电容,这个电容并联在回路两端,使回路的最小电容量增加很多,结果将使回路可调的频率范围大大缩小,波段高端频率比较高的电台将收不到;而且直接连接时,天线对回路耦合很紧,会大大降低回路的Q值,结果电路损失大,选择电台的能力也将降低。经L\(_{1}\)C1回路选择出的所要收听的高频信号,通过磁性天线耦合到匹配线圈L\(_{2}\),加到半导体管的基极和发射极之间进行放大。此时在L2、C\(_{4}\)、e极、b极组成的回路内有高频电流流动,如图中虚线所示路径。经放大后的高频信号从集电极输出,一路由C极、C8、A点、D\(_{2}\)、C7(或D\(_{1}\)、C6)、B点到e极形成高频电流回路(图中虚线所示),因高频扼流圈L\(_{4}\)对高频电流有阻流作用,所以不会通过它到后面去。另一路由C极、C3、L\(_{3}\)、公共地线、B点到e极形成高频电流回路,因此有一部分高频信号通过感应又重新回送到调谐回路L1C\(_{1}\)去“再生”。由于C8的容量较小(10~200微微法),虽然高频信号容易通过,但对低频信号阻抗很大,不容易通过,所以它的作用是阻止低频信号,这样,被来复放大后的低频信号就不致加到检波电路去。流过D\(_{1}\)、D2的高频电流将被检波(以下将谈它的过程),检波后所得的音频电压由变压器B初极1、2感应到次极3、4,3端经L\(_{2}\)加到半导体管的基极,4端加到e极进行低频放大(图中点划线表示低频电流路径)。放大后的低频信号通过高频扼流圈到舌簧扬声器或耳机放出声音。
电路中的R\(_{1}\)、R2和R\(_{3}\)是用来供给半导体管发射结所需直流偏压,直流由电池正极出发,经开关K、R3、R\(_{1}\)和R2的一部分回到电池负板。从R\(_{3}\)上得到的电压降一端加到b极,另一端加到e极做偏压,调节电位器R2的滑臂,使串接在直流电路内R\(_{2}\)的滑臂到下端的电阻大些或小些,就能使电路电流变化,R3上的电压降也将变化,从而控制发射结上偏压的大小。R\(_{1}\)起保护作用,防止R2滑臂调到最下端时,电池全部加到b极和e极间而使半导体管损坏。
现再把图5中的倍压检波电路部分抽出来用图6单独说明。

从上面可知,高频信号被放大以后,在A、B两点之间将有高频交流电流流通。当高频电流的正半周时,A点正B点负,它将通过半导体二极管D\(_{2}\)给电容器C7充电,在负半周时,则通过D\(_{1}\)给电容器C6充电。而电容器C\(_{7}\)和C6上的充电电压极性相同,因此在低频变压器B初线圈1、2两端就得到一个两倍于原信号的电压,通过变压器B耦合传到次级3、4两端。L2的音频阻抗较低,因此3、4两端的电压大部分加到半导体管的发射极与基极之间。
图5中的C\(_{5}\)是高频旁路电容器,将经过L4后仍残存的高频信号旁路到公共地线,使它不致流过扬声器。
四、来复再生式两管收音机电路
掌握了半导体管低频放大电路(参看本专栏前一期)和高频放大电路的基本工作原理以后,已经能分析一般简易的半导体收音机的电路。这一节我们再举一个有高放电路和低放电路的两管来复再生式收音机(见图2)来谈一谈。
由于有高频放大和低频放大,还有再生和倍压检波,所以这种电路能得到较大的声音和较好的选择性。
这个电路的前一部分和上一节的电路大同小异,只是检波器采用了另一种一般常见的倍压检波电路。图8所示倍压检波电路是从图7简化后得到的。被高频半导体三极管BT\(_{1}\)放大了的高频信号从c极和e极取出(图8中的C、E两点)。当高频信号在负半周时,信号接实线箭头方向通过D1给C\(_{8}\)充电,C8上的电压极性为上负下正。当高频信号变到正半周时,信号电源的电压e与C\(_{8}\)上所充的电压e1成串联,按虚线箭头方向通过D\(_{2}\)和负载电位器R1构成回路。负载上的电压差不多加了一倍。这种检波器较前面单管机中的检波器所使用的元件少,所以在产品收音机中被广泛采用。也可以将这个电路中的D\(_{1}\)二极管取消变成为普通的检波器,但整机的灵敏度会弱一点。


由D\(_{1}\)、D2倍压检波后得到的音频信号,从R\(_{1}\)取出后加到半导体管BT1的基极b和发射极e,进行来复低频放大。经放大的音频信号通过高频扼流圈L\(_{4}\)再经过输入变压器B1耦合到低频半导体三极管BT\(_{2}\)进行功率放大。然后经过变压器B2推动扬声器发声。
图7中R\(_{1}\)还和R2配合以供给BT\(_{1}\)所需的发射结偏压。另外电阻R1上还存在检波后所得的直流分重,它和直流偏压的极性相反,起抵消作用。当外来高频信号强时。检波后的直流分量也大,将偏历抵消得多,使半导体管放大作用减得多一些,反之则抵消得少,因此能起自动控制音量的作用。
电路中的高频旁路电容器C\(_{5}\)是把通过高频扼流圈L4后的剩余高频信号完全滤掉,不传到后面去,这个电容器的电容量不能太大,以免将音频滤掉,一般可用2000微微法。R\(_{3}\)、R4则提供BT\(_{2}\)所需的发射结偏压。这两个半导体管的集电结偏压,则分别经过变压器B1\(_{2}\)的初级加上去。
C\(_{6}\)的作用已如前述对R4,R\(_{5}\)起旁路作用,让交流能畅通地加到BT2的b、e之间。R\(_{5}\)提供交、直流电流负回输,起稳定电路工作的作用。C7用以防止电池快用完时,通过电池交连引起振荡叫啸声。(鲁滨)