调频收音机和调幅收音机有很多相同或类似的地方,但是也有不少差别,其中最主要的一个就是如何从高频信号中取出音频信号来。调幅收音机收到的是如图1a所示的调幅信号,这个信号的振幅按音频信号的规律而变化(频率固定不变)。因此在调幅收音机中,都是利用振幅检波器把音频信号从高频信号中检出来(图1B)。调频收音机收到的是如图2a所示的调频信号。调频信号和调幅信号不同,它的振幅是固定不变的,而它的频率却按音频信号的规律而变化。因此,在这种情况下,振幅检波器就不再适用,而需要另外一种检波器,这种检波器必须能把调频信号的频率变化,变成相应的音频信号,如图2b。这种检波器叫做频率检波器,也叫鉴频器。


鉴频器的种类很多,有双失谐回路鉴频器、双耦合回路鉴频器、比例式鉴频器等等,木文介绍双失谐回路鉴频器的工作原理。其他几种,以后再陆续介绍。
双失谐回路鉴频器是利用并联谐振回路的谐振特性,把调频信号变成调频调幅信号,然后再进行振幅检波而得到音频信号的。首先我们看一看并联谐振回路的谐振特性。图3a是一个单回路谐振放大器,它的负载是一个并联谐振回路。如果把一个频率不断变化的信号加在这个放大器上,那么,当信号频率等于放大器谐振回路的谐振频率时,回路处于谐振状态,这时,它对信号呈现的阻抗最大,因此放大器的输出电压也最大;当信号频率升高或降低时,回路处于失谐状态,这时它对信号的阻抗减小,因而输出电压也就减小了。失谐越大,输出电压就越小。这种特性可用图3b的曲线来表示,这条曲线叫并联谐振回路的谐振特性曲线,它表示了放大器输出电压的振幅与输入信号的频率之间的关系。

如果放大器输入的是一个调频信号,而且它的中心频率f\(_{0}\)恰好是落在谐振特性曲线一边斜坡的中点上,如图4的a1点(适当调节谐振回路就可以做到),那么,当调频信号的频率按图4的曲线2变化时,放大器输出电压的振幅就按曲线3变化。图5画出了放大器输入输出信号的波形,图5a是输入的调频信号,图5b是输出的又调频又调幅的高频信号。将这个高频信号进行振幅检波,就可以得到我们所需要的音频信号(图5c)。


由此可见,如果将单回路谐振放大器和一个普通的振幅检波器合起来,就可以构成一个频率检波器,这种频率检波器叫做斜坡检波器。斜坡检波器工作质量的好坏,主要决定于图4中曲线1的C\(_{l}\)alb\(_{l}\)部分,如果这部分是一直线,那么输出电压就能无失真地反映原来的音频调制信号;如果这部分的斜率很大(斜坡很陡),那么在频偏相同的情况下,就能得到较大的输出电压。但是,在一般情况下,难以得到很直、很陡的谐振特性曲线,所以这种频率检波器的非线性失真较大,电压传输系数较小,并且对外界的干扰也很灵敏。但是它的线路很简单,所以还是常常用在简易的调频收音机中。
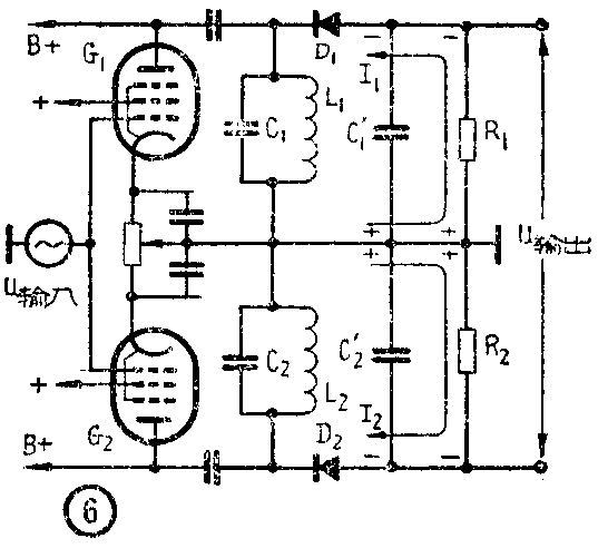
明白了斜坡检波器的工作原理以后,再来讲双失谐回路鉴频器就很方便了。因为双失谐回路鉴频器就是由两个斜坡检波器合成的(见图6),它们的工作过程相同。但是双失谐回路鉴频器的工作质量比斜坡检波器要好,就是说,在频偏相同的情况下,它的输出电压较大,经过仔细调整后,也能使非线性失真减小。下面进行具体分析。

图6中,调频信号是并联送入两个放大器的栅极的。两个谐振回路L\(_{1}\)C1和L\(_{2}\)C2的谐振频率f\(_{1}\)和f2,与调频信号的中心频率f\(_{0}\)成对称失谐,即f2-f\(_{0}\)=f0-f\(_{1}\)(正是这个原因,所以把它叫做双失谐回路鉴频器),如图7的曲线①和②所示。当调频信号的频率为f0(即没有波音频信号调制时),两放大器输出的高频电压的振幅相等。但是当频率偏离f\(_{0}\)时,两放大器输出的高频电压的振幅就不相等了。频率由f0向升高的方向偏离时,放大器G\(_{2}\)输出的高频电压振幅增大(见图7中的曲线⑤),G1输出的振幅减小(见图7中的曲线④);反之,频率由f\(_{0}\)向降低的方向隔离时,G2输出的振幅减小,G\(_{1}\)输出的振幅增大。这两个高频电压再分别经过振幅检波器D1和D\(_{2}\)后,在负载电阻R1和R\(_{2}\)上就会分别得到两个音频电压(也就是图7中的U1和U\(_{2}\))。

这两个音频电压是怎样合成输出电压的呢?由图6可见,两个检波器的电流I\(_{1}\)和I2是以相反的方向分别流过各自的负载电阻R\(_{1}\)和R2的,自此R\(_{1}\)和R2上的电压U\(_{1}\)和U2极性相反,总的输出电压等于U\(_{2}\)和U1之差,即U输出=U\(_{2}\)-U1。由前面的分析可知,当输入信号频率为f\(_{0}\)时,U2=U\(_{1}\)(均为直流电压),所以这时输出的电压为O。当输入信号的频率有偏移时,U2和U\(_{1}\)就按音频调制信号的规律而变化,但是它们的相位相反,因此这时U2-U\(_{1}\),实际上就等于U2和U\(_{1}\)的两个交流分量互相叠加(构成了曲线⑥)。这和推挽放大器的工作原理是相似的。
由于双失谐回路鉴频器是由两个斜坡检波器合成的,所以它的输出电压较大。(琳田)