(露天)半导体管低频放大电路也有阻容耦合和变压器耦合两类,阻容耦合在本刊前一期中已作分析,这里我们只讨论变压器耦合的低频放大电路。
变压器耦合前级放大电路
变压器耦合放大电路和电阻电容耦合放大电路相比,有很多优点。如图1a所示,在阻容耦合放大电路中,电池是串接了R\(_{L}\)之后才接到集电极的,如果管子的集电极电流是0.5毫安,那么在RL(5KΩ)上的电压降就是2.5伏,真正加到管子上的电压只有6-2.5=3.5伏,电源不能得到充分的利用。采用变压器耦合之后,因为变压器的直流电阻很小,6伏的电压几乎可以全部加到管子上,提高了效率和电源利用率,这时用三节电池(4.5伏)就能取得与前述电路同样的效果,而收音机体积却减小许多。此外,通过变压器变换了阻抗之后,放大器的放大倍数能大大增加;利用变压器耦合还可以采用推挽放大电路。下面我们就逐步地对这些优点进行分析。

先谈谈变压器的阻抗匹配作用。参看图2,变压器输出电压U\(_{2}\)和输入电压U1之比就等于变压器初、次级的圈数比,即
所以我们可以用变压器来升压或降压;可是变压器是不能提升功率的,加给变压器1瓦的功率,不可能输出1瓦或更大功率,因此当变压器的输出电压比输入电压高时,输出电流一定比输入电流小,所以

我们再进一步看看加了变压器以后对负载阻抗会有什么影响。假定在图2中变压器次级接有负载电阻R\(_{2}\)。
根据(1)(2)式可得:
U\(_{1}\)=(n1n\(_{2}\))U2,I\(_{1}\)=(n2;n\(_{1}\))I2,
所以图2中a、b两点的负载为
R\(_{1}\)=U1I\(_{1}\)=(n1n\(_{2}\))U2(n\(_{2}\);n1)I\(_{2}\)
=(\(\frac{n}{_{1}}\)n2)\(^{2}\)U\(_{2}\);I2
=(\(\frac{n}{_{1}}\)n2)\(^{2}\)R\(_{2}\)。
这就说明,经过变压器把一个负载电阻R\(_{2}\)接到放大器输出端时,加给放大器的负载就不是R2,而变成了(\(\frac{n}{_{1}}\)n2)\(^{2}\)R\(_{2}\)。由此可以得到一个很重要的结论:即变压器有变换阻抗的作用,通过变压器我们可以把不适合需要(不匹配)的负载阻抗变换为适合放大器输出端需要的阻抗,使它们匹配。例如电动式扬声器的音圈阻抗一般只有几欧,可以通过输出变压器的变换,变为几十千欧,以适应半导体管放大器的需要,只要变压器的初、次级圈数比选得合适,就能达到这个目的。
至于变压器初、次级的圈数比选什么比例合适,要根据具体情况来考虑。在管子数目比较少的简易型收音机中,放大倍数大小往往是我们考虑的主要问题。我们知道在共基极和共发射极的放大器中,半导体管的输出电阻永远比输入电阻大得多(因为发射结上加正向偏压,集电结上加的是反向偏压),因此采用初、次级圈数比大的级间变压器作耦合元件,就能通过阻抗匹配来大大提高放大倍数。例如有的收音机上用5:1的变压器,即\(\frac{n}{_{1}}\)n2=5,放大器的等效负载就会提高5\(^{2}\)=25倍,改善匹配情况,因此放大倍数也就大大提高了。
现在让我们来分析图3所示的放大器吧!在本刊上一期里已经讨论了R\(_{b}\)、Re、R\(_{p}\)的作用,它们给放大器提供了一个稳定的偏压,从而有一个稳定的偏流,这是电流反馈偏流法,就好像电子管放大器中的自给偏压一样,避免了因温度变化造成失真、效率降低等问题。Ce是数十微法的旁路电容器,使R\(_{e}\)上无交流负反馈,发射极为交流地电位,即为一共发射极效大器。Ec通过变压器的初级线圈加给集电极一负电压。放大器的放大作用是这样的:当基极有负信号输入(交流信号在电阻R\(_{p}\)上的电压降负端加到基极,正端通过Re加到发射极)时,发射结上的正向偏压加大,基极电流I\(_{b}\)增大,假定用△Ib表示增加量;集电极电流I\(_{c}\)也随之变化,它的变化量更大,△Ic=β△I\(_{b}\)(β一般为30~100),变化的集电极电流流过变压器初级线圈,耦合到变压器次级,在负载RH上得到放大了的信号。

变压器耦合单边功率放大器
功率放大器顾名思义就是要供给负载较大的功率。例如收音机的末级,靠它输出功率推动扬声器。从图4的电路中我们看出,除负载的情况有所不同外,从电路结构上看和前级放大器没有什么区别。所不同的是,功率放大器多数根据规定的半导体管特性的极限数据满额使用。因此输出功率较大时就带来了晶体管因发热损坏,被高电压击穿和输出信号失真太大等新的问题。

这里我们只通过一些简单的分析说明一些值得注意的问题。我们知道半导体管对温度很敏感,在一定的温度下管子允许的集电极损耗(即散热能力,就像电子管的屏耗一样)是一定的,如3AX3(П6B)在常温下允许的集电极损耗是150毫瓦,而且随着温度的升高,所能允许的集电极损耗越来越小。因为集电极损耗是这样产生的:半导体管工作时集电结上加有6伏左右的反向偏压,为了在负载上得到足够的功率,集电极还必须拿出几十毫安的电流供给变压器,这个电流和电压的乘积就是半导体管从电池取得的直流功率,对甲类单边功率放大器来说,功率中的一小部分经变压器输送给扬声器发出声音,这是有用功率,而一大部分消耗在管子的集电结,变成了热量向四周散出,当然环境温度越低,热量越容易散出,所以管子允许的集电极损耗可以大些。相反,环境温度越高,热量越散不掉,结果使集电结温度逐渐升高,从而使集电极反向饱和电流I\(_{co}\)就越大,集电极电流也就越大,如此恶性循环下去势必造成半导体管的彻底破坏。有好多同志自己装的半导体收音机,开头声音很大,后来就越来越不响了,其中有些就是由于对管子运用不当,只追求声大,结果使集电极损耗超过了允许值,把管子烧坏了。单边的甲类放大器为了使输出信号失真小,静态的电压和电流都必须选得很高,不管有无信号输出,它总是从直流电源取很大的能量,所以它效率很低,用集电极损耗为150毫瓦的3AX3最大才能得到30毫瓦左右的输出功率,在室外听就嫌音量太小,在无信号输出时情况更坏,全部能量都消耗在管子上,所以不管是电子管或半导体管收音机只要末级是甲类放大,音量开得小,不是爱护而是损坏收音机。
推挽功率放大器
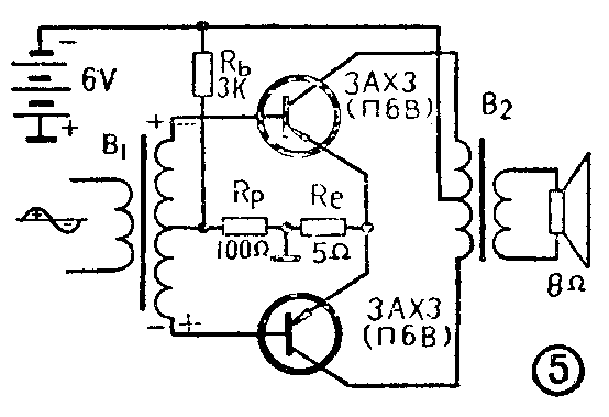
半导体管收音机中所用的三极管能允许的集电极损耗一般较低,所以用低功率的单边功率放大器很难得到足够的输出功率,更何况效率太低,电池消耗快,这也是使用者所不希望的。所以在半导体管收音机中大量采用如图5所示的推挽电路,其中的两只半导体管是输流工作的。如果我们先不考虑失真,那就可以使两只管子在无信号时处于截止状态(即基极对发射极的电压为零)。当通过输入变压器B\(_{1}\)有信号进来时,在正半周时,对上边一个管子相当于基极加一正电压(发射结加了反向偏压)因此并不工作;而下边一个管子情况刚好相反,可以工作,对信号进行放大,即引起集电极电流的变化,通过输出变压器B2耦合到扬声器。在输入信号处于负半周时,情况刚好相反,上边一个管子能够工作把信号放大;下边一个管子不能工作。总的结果还是能在扬声器上得到完整的正弦信号。这样,两只半导体管在无信号时不消耗能量,只有在有信号输入时。才从电池吸收能量,所以效率大大提高了,一般乙类放大器的效率可以到76%,考虑变压器的损耗后也能达60%左右,而单边放大器的效率一般只有20%,因而大大延长了电池的使用时间。不过把两只管子的静止工作点建立在如上所述的基极对发射极电压为零的截止状态,两个管子输流工作,那就有可能在它们“交接班”时衔接不好(一个截止了另一个还没有马上工作)造成较大的失真。为了避免这种情况,我们不妨把两个管子的静止工作点建立在小电流工作状态而非截止状态,即如电子管放大器一样不是工作在乙类而是甲乙类。这样对效率影响不大而失真可改善很多。如用3AX3作推换时,我们常选择每个管子的静止电流为1毫安左右。

用推挽放大的另一优点是可大大提高输出功率,上面我们提到,一个3AX3的单边功率放大器的输出功率只有30毫瓦左右,而两只3AX3组成的推挽电路就能输出150毫瓦的功率。这也很容易想懂,推挽线路的效率高了,管子本身的损耗就小了,所以有信号时的集电极电流虽然很大,也就是说从电池取得的功率虽然很大,但是70%输出了,管子的损耗还不会到达极限值。
推挽放大器的前面一个变压器我们称之为输入变压器,它次级有三个头,另外两个头对中间一个抽头是对称的,我们靠它来变换阻抗和倒相后得到对称的输入。后一个变压器称为输出变压器,初级有中间抽头,也是对称的。通常两只管子的参数也要求对称,对称是推挽线路的一个突出的特点,只有对称性好,失真才能保证很小。R\(_{e}\)、Rb、R\(_{p}\)三个电阻,同样是用来稳定工作点的。不过R6一般只有几个欧姆,大了会大大降低放大倍数和效率。如果想更好地稳定工作点,可把R\(_{p}\)换成一个热敏电阻,这热敏电阻具有负温度系数,电流大了它的阻值减小,降低基极偏压使电流减小,只要选择适当,可以满意地补偿工作点随温度的变化。一般在选取热敏电阻时,可以只考虑热敏电阻常温下的阻值等于你所要代替的电阻值就行了。
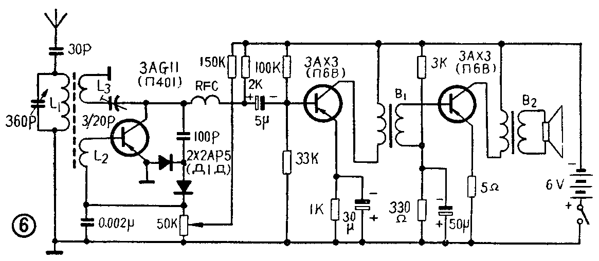
图6为一再生式三管机。前级有3AGll(П401)作高频放大,L\(_{3}\)是再生线圈。高频信号经两只2AP5(Д1Д)倍压检波并经高频管来复放大后送给后两级低频放大器。RFC是高频扼流圈,用以防止高频进入低放级。前级是用3AX3和输入变压器B1组成的放大器。靠100K、33K、1K三个电阻得到稳定的偏压,使本级的集电极工作电流稳定在0.5~1毫安之间。30μf的电容器用以使1K电阻上没有交流负反馈。放大了的低频信号通过输入变压器B\(_{1}\)(初级电感5亨、初、次级圈数比3:1)耦合到末级作功率放大。末级也是由3AX3(П6B)和变压器B2组成的,电路结构和前级一样,只是它靠3K、330Ω、5Ω三个电阻获得约20毫安的集电极工作电流,以保证输出功率。50μf的电容器用来消除330Ω上的信号损失,末级输出的信号经输出变压器耦合到8欧的扬声器上。
